| Автор | Сообщение |
|
К А Т
|
Добрый день.
...недавно возникла необходимость скорректировать данные в br93l46.
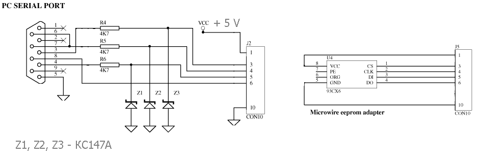
Программатора ( нормального ) у меня нет и пришлось в срочном порядке, буквально на коленке, слепить поню, по классической схеме, взятой отсюда: http://www.lancos.com/siprogsch.html , правда немного изменил подключение внешнего питания - запитал от USB.
Софт - PonyProg2000 2.05a Beta, русифицированная.
Адаптер под 93хх сделан на макетной плате, разводка проводами (...фото стыдно выкладывать - ваял на скорую руку, для одноразового применения...).
Как и положено при спешке, накосячил, но читая этот форум все ( вроде ) косяки устранил, но...
...у меня читается/пишется только часть памяти.
Для проверки использовал 93c46, br93lc56 и br93l46 ( из-за которой всё и затеял...) - все в корпусе DIP8.
Та часть 93c46 и br93lc56, что доступна - читается и пишется без проблем ( 93l46 пока корректировать не рискнул, тем более, что корректировать надо адреса 20-2F... ).
На компьютер и железку - не грешу, на этом компе ( и на этом же порту - у компа один COM ) и с этим софтом уже больше года работает усечённая версия пони ( только для 24хх ), собранная по такой же http://www.startcopy.ru/repair/c_x3450_d.htm схеме, и проблем не наблюдалось.
Понимаю, что что-то не так в настройках софта ( скорее всего - если бы была проблема с железом, то как я понимаю, вообще ничего не читалось бы...), но что именно, до меня никак не дойдёт...
Господа, кто сталкивался с подобным - пните меня в нужном направлении, уже пятый день ковыряюсь, практически весь этот раздел перечитал - ничего похожего не нашол, свои мысли закончились ...
...да, начитался тут ( и в других форумах ) про то, что с записью br93l46 могут быть проблемы, так вот ещё вопрос, если действительно с записью не выйдет, но данные прочитаются, то можно ли будет их залить в 93c46 и использовать её вместо l46? По даташитам я особой разницы между ними не углядел, может просто чего не понял... ...собственно, чем эти м/сх различаются?
Прикладываю скрины пони - сверху вниз 93c46 br93lc56 br93l46
(...пробовал читать в MicroWare 8 и MicroWare 16 - читает одинаково, писать пробовал только в MicroWare 16...)



|
|
|
Dmitry Dubrovenko
|
Попробуйте использовать IC-Prog.
Как-то была такая микросхемка, которая Поней не виделась, а IC-Prog'ой - нормально. Да и вообще, я Поню использую только в самых крайних случаях.
Кстати, с режимами 8/16-bit всё нормально? |
|
|
К А Т
|
| Dmitry Dubrovenko писал: | | Попробуйте использовать IC-Prog. |
... она чем-то особенным от пони отличется? и с тем же железом будет работать?
Попробую.
Правда, дело-то не в том, что поня не видит ОДНУ единственную микросхему ( как раз несколько микрух 93-й серии видятся ...), а то, что не вся информация читается с разных микросхем серии - насколько я понимаю, только первая страница.
Про режим 8/16 я уже сказал в первом посту. |
|
|
коляus
|
| Пробуй тогда считать данные с родной микрухи и вынуть ее, потом вставить другую , откорректировать данные и записать. Читать пробуй пару раз и смотри контрольную сумму , если всегда одинаковая , значит программатор работает нормально. Поставишь в аппарат, если правильно заработает , значит не накосячил . |
|
|
К А Т
|
...я не знаю, каким словом себя назвать... ...цензурные в голову не приходят...
Спасибо, коляus - прочитал ваш пост, и задумался, а с какого перепугу я посчитал, что данные читаются не полностью. И почему я вдруг решил, что при организации памяти 64*16 должно получиться 1024 байт, а не бит... ...всё у меня правильно читается - просто поверил человеку, что нужно менять адреса, которых на этой м/сх просто быть не может, и зациклился на том, что у меня эти адреса не читаются, вместо того, чтобы посчитать, какие реальные адреса на этой м/сх могут быть...
...стыдно признаваться в собственной глупости, но что есть, то есть... ...пойду посыплю голову пеплом и убьюсь об стену... ...столько времени зря потерял... |
|
|
antonickk
|
| Извиняюсь за поднятия старой темы, но увы, весь мозг себе сломал. Вообщем требуется прошить микруху BR93LC56, сделал все как написано на этом сайте http://e36club.ru/forum/showthread.php?t=191031 , но при считывыании везде стоят FF, такое чувство что ничего не считывается. В чем может быть ошибка? 10 раз проверил, вроде все правильно спаял. |
|
cybe
Фанат форума
Сообщения: 12800
|
| antonickk писал: | | требуется прошить микруху BR93LC56 | так она может чистая, с магазина? |
|
|
antonickk
|
| cybe писал: | | antonickk писал: | | требуется прошить микруху BR93LC56 | так она может чистая, с магазина? |
нет, она стоит в панели приборов, в ней должны быть данные. Может эта микросхема чем то принципиально отличается от 93с56? или com порт как то особенно надо настроить?
ДОБАВЛЕНО 16/07/2012 09:37
может схема не верная? Кто нибудь может дать схему простенького программатора, который точно рабюотает с BR93LC56 ? |
|
cybe
Фанат форума
Сообщения: 12800
|
| antonickk писал: | | Может эта микросхема чем то принципиально отличается от 93с56 | дык надо писать последние буковки, если имеются

|
|
|
antonickk
|
Вот фото. Букв нет вроде
ДОБАВЛЕНО 16/07/2012 12:10
А сам программатор делал по этой схеме.

siprog_base2.png 7.29 КБ Скачано: 957 раз(а)
|
|
cybe
Фанат форума
Сообщения: 12800
|
На фото и по схеме совпадают

|
|
|
antonickk
|
| ну так и вот. все сделал правильно, триста раз проверил. Нов итоге везде FF. Вот и думую, может быть все таки надо порт Com как то поособенному настроить или еще что. |
|
atmicandr
Мучитель микросхем
Сообщения: 5585
|
| antonickk, ты вбрось в микруху какую-нибудь прошиву! Просто в дампе после чтения прямо в проге пони прог измени несколько FF на 00 например, прошей, а потом прочитай что получилось... Если после чтения дамп будет с твоими изменениями, то всё прекрасно, ну а если ничего не поменяется значит проблема в прогере... Чо гадать то на кофейной гуще? |
|
|
antonickk
|
| самое страшное то, что в микрухе находятся колибровочные данные, настройки, пробег и т.д. Если я проэкспериментирую данным методом, то пипец свему наступит. Лучше уж попробовать поискать такую микруху в магазинам и попробовать прошить |
|
|
Dmitry Dubrovenko
|
| antonickk, а Вы чип из платы выпаивали, или прямо в ней программировать пытаетесь? |
|
|
antonickk
|
| Dmitry Dubrovenko писал: | | antonickk, а Вы чип из платы выпаивали, или прямо в ней программировать пытаетесь? |
прям в ней. плата же не подключена к питанию, так что думую ничего страшного. Или в этом может быть проблема? |
|
|
Dmitry Dubrovenko
|
| antonickk писал: | | плата же не подключена к питанию, так что думую ничего страшного | "Ничего страшного" если предусмотрены развязки для внутрисхемного программирования (касается всех линий, а не только Vcc). А судя по фото, "меня терзают смутные сомнения". |
|
|
antonickk
|
Вообщем я так понимаю, что надо выпаять микросхему и поробовать? ТО есть она может не читаться потому что я пытаюсь сделать все внутрисхемно так?
ДОБАВЛЕНО 17/07/2012 11:51
и схема указанная в файле siprog_base2.png точно верна так? |
|
|
Dmitry Dubrovenko
|
| antonickk писал: | | надо выпаять микросхему | Возможно, проще будет не микросхему выпаивать, а перемычки (их там у Вас "киллограмм"). Или просто проводники перерезать (потом восстановить).
| antonickk писал: | | схема указанная в файле siprog_base2.png точно верна так? | Не знаю, с JDM-мами не экспериментировал. Больно уж они непредсказуемы. |
|
|
antonickk
|
|