| Автор | Сообщение |
|
YX-360TR
|
нет напряжения питания памяти. (1.8 и все что с него формируются)
шим-контроллер isl6545, на мамке их два, поменял местами ничего не поменялось.. т.е. шим рабочий. Второй, который работает, формирует 1.2В. промерял напряжения, скачал даташит на шимку. Выяснил что на 7 выводе шимки. которая формирует 1,8, напряжение ниже 0,4, по ДШ, уровень высокий должен быть в районе 0,8В.. нашел транизстор (Q325) маркировки K1P, который коллектором сидит на 7й ноге шима, на его базу идёт резистор. с одной стороны - 5В, с другой - 0.4В.. выпаял - целый.. это же напряжение с базы, идёт на коллектор Q327 (на базе 0,66В), выпаял (целый тоже) - появилось 1,8 на выходе шима, но пост-карта кажет нули и ресет не снимается.
Прошил биос, потом глянул осцилом - обмена с мультом нет.. (ITE8718F-S), напряжения на мульте есть (+5, +3,3), на флешке тоже.
База Q327 на прямую с мультом не отзванивается.
Генерация на клокере есть, на юге есть.
Подскажите, в каком направлении дальше искать?
Мульт менять? Не могу отзвонить базу Q327 , куда она уходит.. кто рулит этим транзюком..
Спасибо. |
|
|
tureckiy
|
YX-360TR, Как все запутано, у вас и на проце питания нет? База скорее всего идет под юг, транзисторы эти ключи типа энейблов,
ДОБАВЛЕНО 01/06/2015 18:07
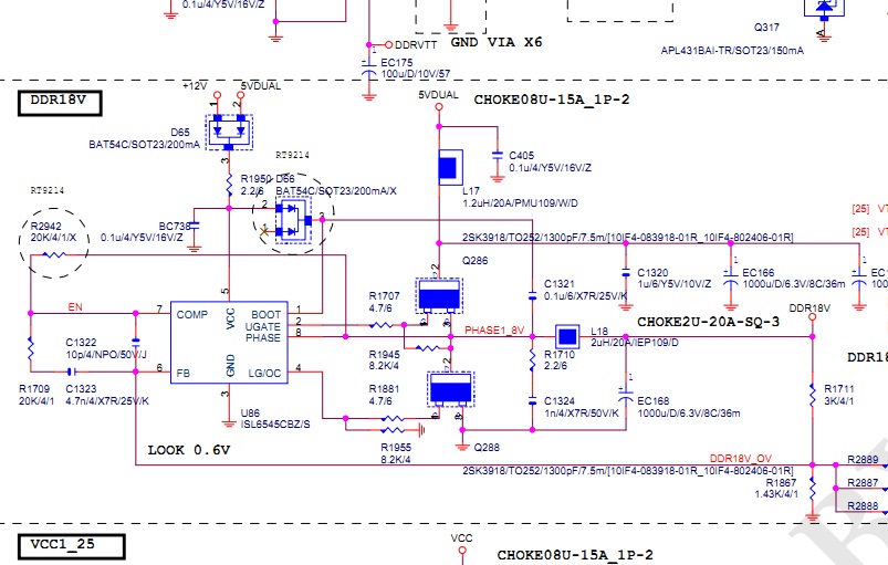
Кусочек похожей схемы, но тут чтот нет ключей
есть материнка ga-p35c-ds3r, вечером попробую вызвонить, куда идут транзюки, с нее и юг снять не жалко, но и не забывайте про дежурку 3.3 вольта, и есть еще там веселый сата контроллер, для проверки можно смело сдувать
1.8.jpg 132.43 КБ Скачано: 477 раз(а)
|
|
|
YX-360TR
|
tureckiy, на проце питания нет.
Попробую от руки схему накидать с транзюками.
upd
sata сдул, ничего не поменялось.. |
|
|
tureckiy
|
| Посмотрите на шим проца, если зажат EN, енейбл, смело уходите в сторону мульта и ю.м. |
|
|
YX-360TR
|
| шим проца - isl6312. Глянул документацию. Питание +5В (есть), уровень EN - должен быть выше +0,85В. По факту - 0. Сопротивление на массу в любой полярности измерений - 2,2кОм. На прямую с мультом и его обвязкой не отзванивается. Дежурных 3.3В на плате не нашёл.. только +5В |
|

|