| Автор | Сообщение |
|
vovan.feo
|
Доброго времени суток, имеется данный блок питания, со сгоревшей APFC. Выполнена на cm6800g, 2 полевиках 20n60c3. Были пробиты один из полевиков, и оба диода в одной из половинок блока. заменил все выгоревшее, блок запустился. При следующем запуске все снова сгорело. Оказался пробит тот же самый полевик, второй также не жив, но и не пробит, пробит диод. Второй диод остался цел.
хотелось бы найти причину почему такое происходит
могла ли слететь раскачка полевиков?
Может ли быть к этому причастен фильтрующий электролит?
Дроссель осмотрел, вроде целый, но в верхней части под клеем, которым он был к радиатору приклеен имеется повреждения лака (сверху), видимо с клеем оторвалось |
|
HardRom
Завсегдатай
Сообщения: 398
|
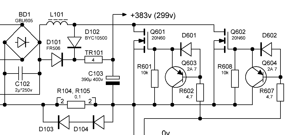
Необходимо проверить все элементы по схеме PFC. Начните с входной емкости, на схеме C103. Возможно сгорел выход PFC-OUT CM6800G 12 выв.
pfc.png 35.93 КБ Скачано: 2288 раз(а)
|
|
|
vovan.feo
|
спасибо за совет, шимку, транзисторы раскачки, кондер заменю.
Допустимо ли заменить используемый в схеме диод шотки 600в 10а на 1200в 10а, а кондер вместо 390 мкф 400в поставить 330 мкф? |
|
HardRom
Завсегдатай
Сообщения: 398
|
| Допустимо, проблема часто возникает из-за нулевой емкости C103. |
|
|
digger2013
|
| vovan.feo писал: | спасибо за совет, шимку, транзисторы раскачки, кондер заменю.
Допустимо ли заменить используемый в схеме диод шотки 600в 10а на 1200в 10а, а кондер вместо 390 мкф 400в поставить 330 мкф? |
ИМХО бустерный диод не нужно на 1200в заменять потому что он более медленный.
330мкф прокатит, но лучше побольше поставить.
Я бы погонял блок с небольшой нагрузкой включенный через утюг 1000вт и лампу для индикации перегрузки.
Надо еще проверить мелкие компоненты, высокоомные SMD резисторы особенно |
|
|
vovan.feo
|
побольше не влезет, кондеры таких габаритов (25х45 мм) емкостью 390-470на такие напряжения найти не получилось, с диодами тоже туговато.
и еще, есть у CM6800 функция soft start, реализуемая кондером на землю на 5й ножке (электролит 0.33 мкф). хотелось бы подробнее про нее узнать, а именно что будет при нулевой емкости этого кондера |
|
HardRom
Завсегдатай
Сообщения: 398
|
В Datasheet описано: Css
CM6800.rar 273.3 КБ Скачано: 767 раз(а)
|
|
|
digger2013
|
| vovan.feo писал: |
и еще, есть у CM6800 функция soft start, реализуемая кондером на землю на 5й ножке (электролит 0.33 мкф). хотелось бы подробнее про нее узнать, а именно что будет при нулевой емкости этого кондера |
Я думаю плохо будет. Там по 5 ноге и по 8 ноге стоят внутренние стабилитроны и если емкость 0,1мкф то может вылететь. Я во время ремонта заменил оба кондера на 1мкф, хоть как-то смягчает если что. Ноль быть быть не должно точно.
на ножке 5 должно быть 8в при запуске и работе.
Если там более 8в то микруха полетела.
Этот кондер плавно разгоняет PWM ШИМ, китайцы наверно очень торопятся и ставят 0,1мкф и микрухи дохнут.
На ножке 8 тоже стабилитрон на 8в внутри стоит, но он наверно ограничивающий, в раб режиме там будет менее 8в.
А что будет при нулевой емкости? Наверно можно пожечь выпрямители вторичные огромным зарядным током кондеров. |
|
|
vovan.feo
|
так оно походу и есть, диод пробило нафиг, транзисторы тоже.
детальки закупил все, засяду паять скоро. надеюсь получится.
кондер на 5 ноге деиствительно был нулевой емкости, поставил пленку на 0,33 мкф, на второй платке надо тоже помнять.
и еще, заместо диода шоттки ультрафаст ставить можно? |
|
|
Tzar64
|
vovan.feo, | Цитата: | | и еще, заместо диода шоттки ультрафаст ставить можно? | А "ультрафаст" по-твоему что, туннельные? Одно и то же  |
|
|
vovan.feo
|
| собрал все до кучи, включил, бабаха не последовало, но ремонтируемая половинка признаков жизни не подает. со второй все нормально. перепроверил все, вроде как живое. вариант битой микрухи не исключаю, но может она уходит в защиту скажем из за битого дросселя? |
|
HardRom
Завсегдатай
Сообщения: 398
|
| vovan.feo, опишите подробно, что сделано. Иначе, вряд ли вам помогут. |
|
|
vovan.feo
|
напряжение питания шима проверено, 15в, соответствует норме. мелкие элементы тоже проверены, сопротивления соответствуют номиналам, пробитых диодов нет.
поменяно: кондер фильтрующий, транзисторы раскачки полевиков, электролиты на плате шима (на 5 ногу soft start повесил 1 мкф в обеих половинах), сама микросхема, ну и сгоревшие полевики и диод шотки.
платы проверил, все ок. |
|
|
vovan.feo
|
еще заметил, что при включении в сеть слегка мигает свет, возможно термистор не вылоняет свои функции. это каким либо образом может повлиять на работу apfc?
проверил, странновато себя ведет, при нагреве сопротивление не падает, даже немного растет, потом если сжать его пальцами резко падает, при последующем нагреве нормально себя ведет, поменяю |
|
HardRom
Завсегдатай
Сообщения: 398
|
vovan.feo, Thermaltake ToughPower 1000, фактически содержит два канала питания по 500Вт. Две первичные и две вторичные одинаковые цепи питания объединенные контроллером в одном корпусе. Условно разделим их на A и B. Что не работает в каждом из каналов? Не могли два канала сгореть одновременно, если только не было перенапряжения по сети. Фактически, вы внесли больше неисправностей, чем было изначально. Не торопитесь менять детали, не убедившись в их неисправности. По максимуму сохраните оригинальные детали. PFC/PWM контроллер - CM6800, а supervisor - ? Что с дежурным напряжением и на какой микросхеме выполнена дежурка? Приведите схему одного канала или аналог. Укажите по ней сгоревшие и замененные элементы в каждом канале, напряжения на CM6800. В неработающем блоке, на CM6800 не должно быть питания.

|
|
|
Morlock
|
Боже... какая бредовая задумка... Два в одном.
В моём старом Чифе выхлоп 1200Вт, но... А хотя... Там тоже два транса, но один 6800, один APFC, одни драйвера.
Но тут надо отметить шарахание гражданина. Жаль я эту тему на зачаточной стадии не приметил.
Короче: углей нет, значит всё можно поправить.  |
|
|
vovan.feo
|
| вроде же все написано. в одной из половинок данного блока сгоревший APFC. послезамены пробитых полевиков, диодов блок вроде бы ожил, но при повторном запуске тот все повторилось также как и было. Помимо замены полевиков и диода, поменял раскачку этих самых полевиков, микруху, фильтрующий кондер. Неисправная половина при попытке включения признаков жизни не подала, вторя же, исправная выдала напряжение на выходе. |
|
|
Morlock
|
| Что там с напряжениями на входе неисправной половинки? |
|
Witewut
Завсегдатай
Сообщения: 310
|
| дроссель APFC из чего? плёнка на входе APFC цела? бочку вроде заменили? |
|
|
digger2013
|
| Сначала нужен отчет есть ли 385в на выходе APFC, если нет я бы проверил резисторы высокоомные по 750ком;1; 2Мгом, если APFC ушел в защиту то должно быть 295в на банке. Еще резисторы по минусовому полюсу моста выпрямителя сети проверить мелкоомные. |
|