| Автор | Сообщение |
Vik77
Завсегдатай
Сообщения: 517
|
Предыстория такова;Ошибка 5Е.До меня было аж 3 мастера,один забраковал модуль,другой двигло,типа надо менять щетки .
Третий совсем намудрил,но обетом позже.
Так вот сделал тахо,все нормально,стирка ok,реверс есть,но отжим не идет,(правда промежуточный отжим не наблюдал) отключается на 8 минутах и все,реверс пол оборота,в ошибку не идет.
Теперь о 3 мастере.Клиент подсказал куда он лазил,(тут я был в шоке),крутил пресс. Подкинул пресс с другой сма,реверс появился,но все равно разгона нет ,обрывается.
Кто встречался с такой ошибкой? |
|
cybe
Фанат форума
Сообщения: 12800
|
EE видел, но она к отжиму вроде как-то боком потому как сбой прошивки... Меняем на чистую EEPROM
ДОБАВЛЕНО 19/01/2010 23:11
То была не 5Е, а SE |
|
mehanic
Завсегдатай
Сообщения: 857
|
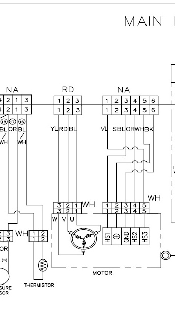
ЕЕ -Такой ошибки я не встречал.И умные книги её не знают.А вот SЕ (похожа на 5E)есть и говорит о неисправности мотора.Вернее сказать датчика на моторе.Вот в том направлении нужно искать.
| Цитата: | | другой двигло,типа надо менять щетки |
Какие щетки??? 
8050.jpg 50.41 КБ Скачано: 1711 раз(а)
|
|
|
Dimbosss
|
| Vik77 писал: | | Так вот сделал тахо,все нормально |
Vik77, вот здесь можно подробнее? Как именно ты этот "тахо" сделал? |
|
Рифат
Обыкновенный человек
Сообщения: 17778
|
| Vik77, какой там двигатель стоит,ты хоть смотрел? |
|
Vik77
Завсегдатай
Сообщения: 517
|
Рифат не надо,знаю я эти движки.Тахо я сделал,двигло запустил.
lex.ck, Надо внимательно читать пост.Я то знаю что двигло безколекторное,а вот некотырые ПУПКИНЫ нет,и чешут уши клиентам.
Dimbosss, в личке.
cybe, Буду пробовать.Кстати.
| Цитата: | | но она к отжиму вроде как-то боком потому как сбой прошивки... | Сам теперь не пойму.Но так себя ведет.Стирка проходит нормально,крутит,греет.На отжиме обрывается на 8 минутах и стоит. |
|
|
Dimbosss
|
Vik77, раз с датчика холла всё пошло, там, мне кажется, и нужно копать. Смотри его ещё, может недосмотрел...
| Vik77 писал: | | На отжиме обрывается на 8 минутах и стоит. |
А насос в это время работает? |
|
Vik77
Завсегдатай
Сообщения: 517
|
| Dimbosss писал: | Vik77, раз с датчика холла всё пошло, там, мне кажется, и нужно копать. Смотри его ещё, может недосмотрел...
| Vik77 писал: | | На отжиме обрывается на 8 минутах и стоит. |
А насос в это время работает? |
Забыл сказать при отжиме секунды на 2 открывается клапан.Помпа откачивает.Так заберу модуль,и ковырять.Что то проясница отпишусь. |
|
Рифат
Обыкновенный человек
Сообщения: 17778
|
Виктор я просто прочитал вот это
| Цитата: | | Так вот сделал тахо, |
и не могу понять--в трёхфазном движке датчики Холла никак не могу назвать тахо.хоть убей. поэтому и не пойму ,что у тебя за двигатель?
Зря ты модуль копать собираешься. Проблема скорее по датчику и она так и не решена. |
|
Vik77
Завсегдатай
Сообщения: 517
|
| grifat писал: | Виктор я просто прочитал вот это
| Цитата: | | Так вот сделал тахо, |
и не могу понять--в трёхфазном движке датчики Холла никак не могу назвать тахо.хоть убей. поэтому и не пойму ,что у тебя за двигатель?
Зря ты модуль копать собираешься. Проблема скорее по датчику и она так и не решена. | Рифат думаешь зря?А как же ошибка в тесте.Тест ведь не запускается.Датчик холла все норма. |
|
Рифат
Обыкновенный человек
Сообщения: 17778
|
Vik77, Виктор я не знаю ,что ты именно проделывал с датчиками, как я понимаю стандартные процедуры? Вода попадала? Видно следы? Твоя ошибка явно по мотору. что то мне сомнительно представляется ,что цепь по датчику тоже умерла.Но это неблагодарное дело не видя модуля и не зная ,какие были повреждения что то говорить.Я знаю только одно --если д. Холла даже один не будет " фунциклировать" нормально,аналогичное поведение СМА --обеспечено. |
|
Vik77
Завсегдатай
Сообщения: 517
|
grifat Респект
Замена движка+замена ппзу.СМА работает.
ДОБАВЛЕНО 19/02/2010 20:31
Что то не вьеду где кнопка решено? |
|
mas-ter
Фанат форума
Сообщения: 3987
|
Открывай свой первый пост, и изменяй название - т.е. допиши "решено" Ты менял прошиву или микруху?
ДОБАВЛЕНО 19/02/2010 21:03
Открывай свой первый пост, и изменяй название - т.е. допиши "решено" Ты менял прошиву или микруху? |
|
Vik77
Завсегдатай
Сообщения: 517
|
| mas-ter писал: | Ты менял прошиву или микруху?
|
Менял микруху,старая не чистится. |
|