| Автор | Сообщение |
|
Роман Романов
|
| newivan2 писал: | да нет у меня схемы этой ПММ была б схема вопросов бы не было. Я не знаю какой там геркон стоит, но писал же что осцилом вставал параллельно геркону и импульсы были при протоке воды через датчик и замедлитель. Возможно некорректная работа геркона, и он дествительно должен работать на замыкание.
В этой машине нет дисплея. |
А на похожую ПММ есть схема? Журналы там разные издавались в свое время.. Да и чем бы схема вам помогла? |
|
|
newivan2
|
К сожалению на похожие тоже нет мануалов и схем, схема или мануал помог бы разобраться с тем что за геркон и как должен работать датчики протока воды.
Такую конструкцию ПММ вижу впервые. |
|
|
Роман Романов
|
А на похожую ПММ есть схема? Журналы там разные издавались в свое время.. Да и чем бы схема вам помогла?
ДОБАВЛЕНО 24/12/2020 10:38
| newivan2 писал: | К сожалению на похожие тоже нет мануалов и схем, схема или мануал помог бы разобраться с тем что за геркон и как должен работать датчики протока воды.
Такую конструкцию ПММ вижу впервые. |
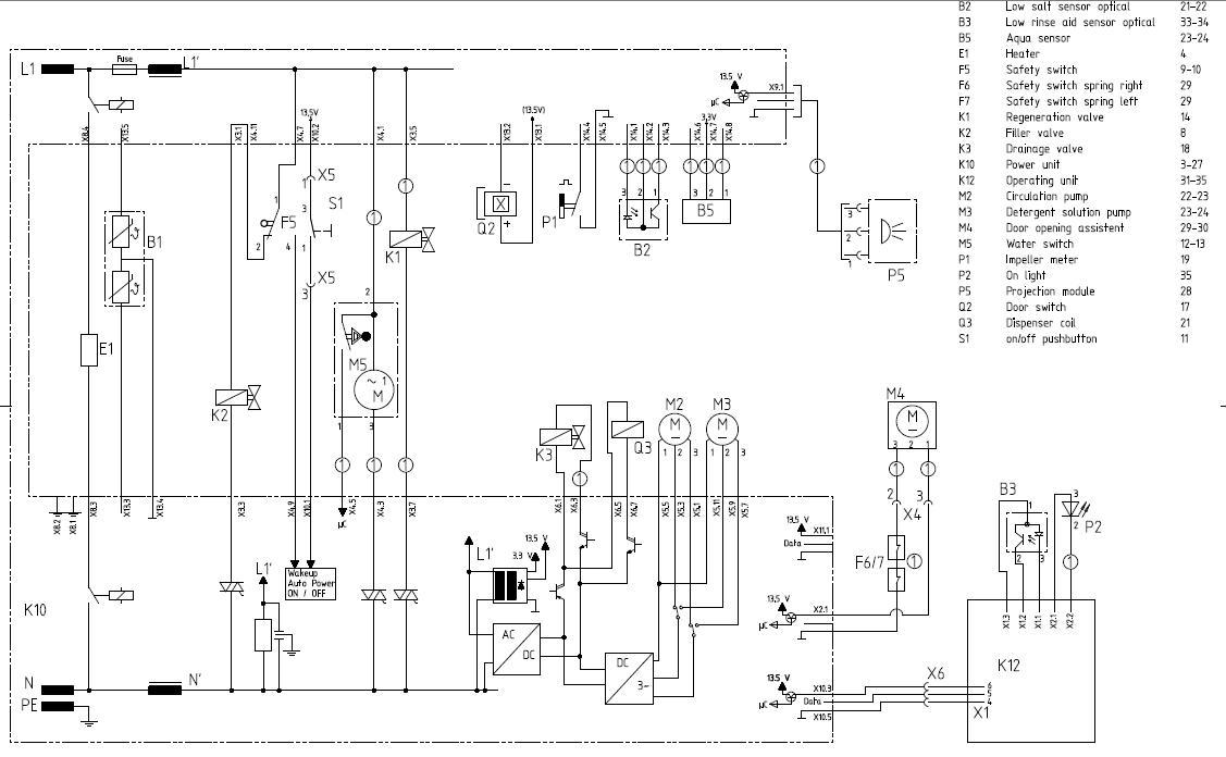
Вот схема:
Bosch.JPG 103.71 КБ Скачано: 241 раз(а)
|
|
|
newivan2
|
| Спасибо! Геркон буду менять, скажите а в сервис правильно входу <>+ кнопка включения ? |
|
аliеn
Передовик
Сообщения: 2644
|
| newivan2 писал: | | ...схема или мануал помог бы разобраться с тем что за геркон и как должен работать датчики протока воды. |
без поллитры здесь не разобраться.  |
|
тю
Фанат форума
Сообщения: 6078
|
|
Антонов007
Передовик
Сообщения: 1884
|
..поллитры зажигательной..  |
|
тю
Фанат форума
Сообщения: 6078
|
нет водички....  |
|