ESpec - мир электроники для профессионалов


Стиралка SAMET 900inox . Нет вращения двигателя.

  Список форумов » Стиральные и посудомоечные машины

Следующая тема · Предыдущая тема
АвторСообщение
GREEN 
Хочу Всё Знать
Сообщения: 42
GREEN
 
Сообщение #1 От 02/02/2007 20:56 цитата  

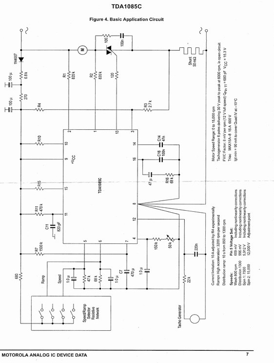
Стиралка SAMET 900inox. Больше опознавательных знаков нет. Нет вращения двигателя. Модуль procond elettronica 3 560 332 06. На TDA 1085с. Резистор R9 сгорел в уголек. Подскажите номинал. плиз .
Алесей 
Передовик
Сообщения: 2004
 
Сообщение #2 От 02/02/2007 21:22 цитата  

GREEN, Это у тебя кто? Минитрактор или снегоуборочный комбайн?
сервисЖеня 
Бывалый
Сообщения: 51
 
Сообщение #3 От 02/02/2007 22:54 цитата  

GREEN, даташит на 1085 искай и будет счастье.схема подключение типовая.А Самцов таких вряд ли кто видел...
serij80 
Заглянувший
Сообщения: 1
 
Сообщение #4 От 02/02/2007 23:54 цитата  

смотри тут

  att-4291a11dbb8cd085c.jpg  66.35 КБ  Скачано: 1373 раз(а)
GREEN 
Хочу Всё Знать
Сообщения: 42
GREEN
 
Сообщение #5 От 08/02/2007 23:58 цитата  

сервисЖеня, serij80, Спасибо, заработала. классно!

Перейти: 
Следующая тема · Предыдущая тема
Показать/скрыть Ваши права в разделе

Интересное от ESpec


Другие темы раздела Стиральные и посудомоечные машины



Rambler's Top100 Рейтинг@Mail.ru liveinternet.ru