| Автор | Сообщение |
A.T.Tappman
Завсегдатай
Сообщения: 320
|
Есть паяльник фирмы SOLOMON. Снял схему, всё просто, но т.к. микросхемы затёрты неизвестен тип DA2. На плате рядом надпись "101", рядом с LM324 было написано соответственно "324". Подскажите что за зверь. Снятая схема прилагается.
Добавлено 08-06-2004 13:37
P.S. Сам паяльник подключается к XS3
solomon.pdf 39.08 КБ Скачано: 1905 раз(а)
|
|
lee
Завсегдатай
Сообщения: 643
|
| Попозже раскручу свою, скажу. У меня были незатертые кажись. |
|
|
thedude
|
Похоже на транзисторную сборку  |
|
|
thedude
|
| В Weller EC-2002 стоит SL443A Тоже 8 ног |
|
A.T.Tappman
Завсегдатай
Сообщения: 320
|
Понятнее не стало... На SL443A никаких данных найти не удалось. Жёлтые узкоглазые сволочи  |
|
|
thedude
|
|
A.T.Tappman
Завсегдатай
Сообщения: 320
|
| Блин, несмешно!!! Куда тыркать, чтоб pdf скачать? Я по китайски не понимаю!!! |
|
|
thedude
|
| Думаю там у старшего брата надо зарегенится сначало |
|
A.T.Tappman
Завсегдатай
Сообщения: 320
|
| Я таки подумал и решил, что нафиг мне эти верные сыны Мао сдались (как я там регестрироваться буду?). Из обрывочных сведений на микруху вроде выходит, что это детектор нуля (типа симистор включается при переходе напряжения через ноль). Ну поставлю оптопару с обвеской, будет вместо одной микросхемы две или три, пофигу, в корпусе места много. |
|
|
max2002
|
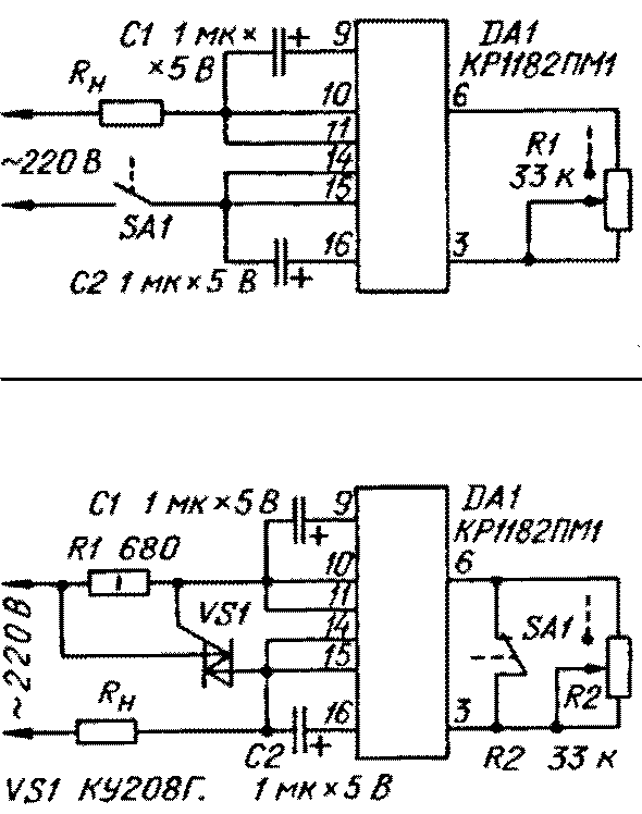
| Вашингтон Ирвинг писал: | | Я таки подумал и решил, что нафиг мне эти верные сыны Мао сдались (как я там регестрироваться буду?). Из обрывочных сведений на микруху вроде выходит, что это детектор нуля (типа симистор включается при переходе напряжения через ноль). Ну поставлю оптопару с обвеской, будет вместо одной микросхемы две или три, пофигу, в корпусе места много. |
Почему не пять?
Ты бы сразу сказал, чо те надо.
Вот две схемы, которые твою полностью заменят.
Источник: "Радио" №7, 1999, стр 44-46 (справ. листок).
По их же информации первая схема до 150 Вт, вторая - до 1 кВт.
Минимум мощности при минимальном сопротивлении регулятора R1(R2).
У нас эта микра на толпе стоит 25 руб. 
46_4.gif 14.58 КБ Скачано: 5524 раз(а)
|
|
|
thedude
|
| max2002, так у него низковольтный паяло |
|
|
max2002
|
| thedude писал: | | max2002, так у него низковольтный паяло |
Это как, бля? Он вообще-то о низковольтности ничего не пишет. Я вот просто смотрю на его схему и вижу, что если к тому что я вывесил добавить соплю на 10 Ом 2 Вт, то та же цепочка и получится. Сравни. У него вот чего:

|
|
|
thedude
|
Бл чёта я не посмотрел внимательно ,на weller свой глядел прошу прощения
О тоды грош цена такой штуки ,еще и на 220 |
|
|
max2002
|
| thedude писал: |
....О тоды грош цена такой штуки ,еще и на 220 |
Точно. С weller не сравнишь. Я вообще-то и сам Solomonom пользуюсь. Но у меня правильный: низковольтный, с развязкой и стабилизацией температуры. Не хуже wellera.
Вот изобразил, пока делать нефиг.

|
|
A.T.Tappman
Завсегдатай
Сообщения: 320
|
| Блин, народ! Паяльник с термостабилизацией (вернее стабилизируется ток через паяльник; у нихрома сопротивление меняется весьма нехило при изменении температуры) ! Обычный симисторный регулятор у меня и так работает, а хоцца с термостабилизацией. Просто есть хорошее паяло на 24В, вот и решил содрать схему с соломона и переделать на другое напряжение. |
|
|
thedude
|
Можа пригодится
Мах так она всё равно не развязана от сети
solderingstation1.pdf 112.57 КБ Скачано: 1572 раз(а)
|
|
KVI
Завсегдатай
Сообщения: 343
|
|
|
evgeniy256
|
|