ESpec - мир электроники для профессионалов


Инвертор Энергия УБП-0,2

  Список форумов » Другая аппаратура

Следующая тема · Предыдущая тема
АвторСообщение
antiboss 
Заглянувший
Сообщения: 4
 
Сообщение #1 От 22/05/2015 11:24 цитата  

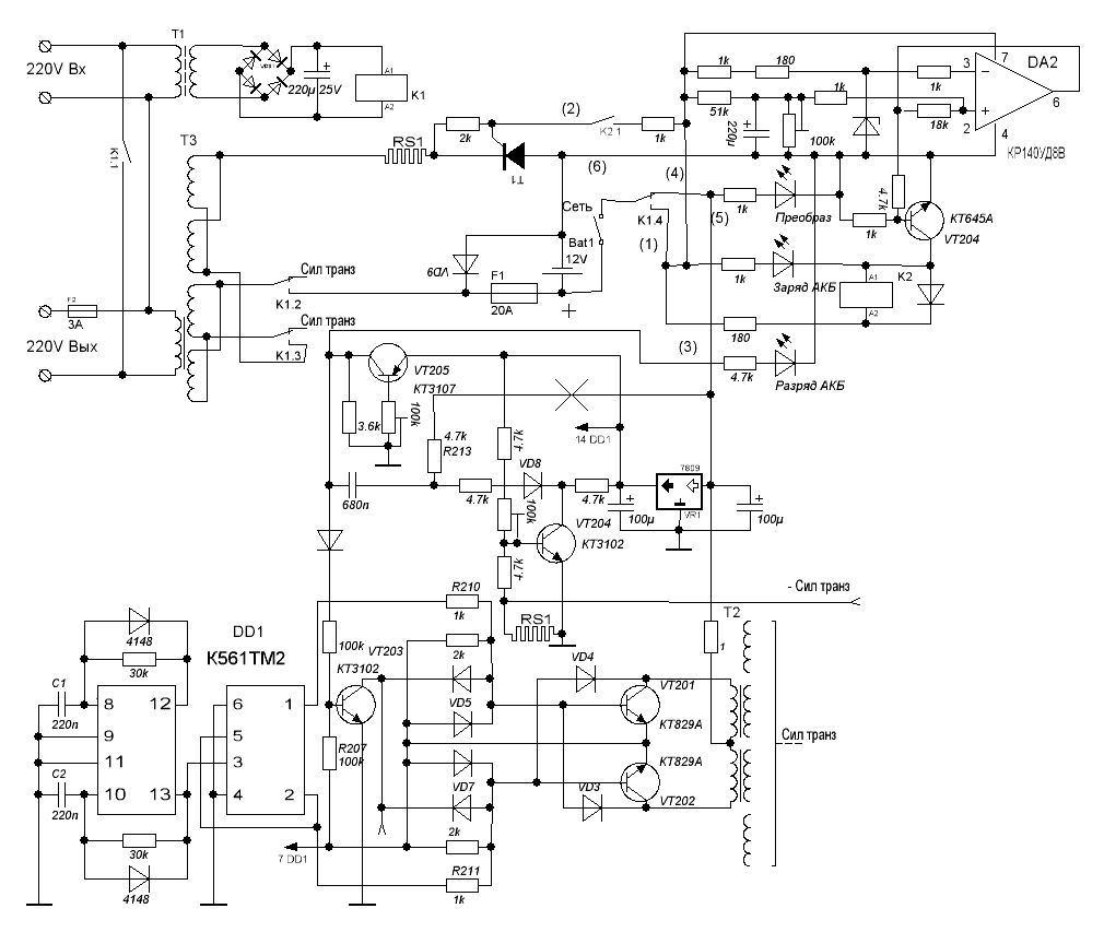
Спецы помогите разобраться с инвертором 12-220В. Он какой-то кооперативный еще 90-х годов. Схемы не нашел - срисовал сам, в ней есть какие то странности.

1. Непонятно откуда должен поступать минус на эмиттеры VT201, VT202 и 7 ногу DD1. Никаких дорожек с минусом туда не подходит. Странно недовольство, огорчение

2. Не пойму как работает защита на VT203, VT204, VT205. Может в схему уже лазили и что-то нахимичили.

Если кто-то может объяснить принцип работы защиты или что надо переделать, чтобы она заработала, пожалуйста помогите.
Инвертор не включал, пока не разберусь.

  Энергия УБП 2.0.GIF  30.96 КБ  Скачано: 335 раз(а)

Перейти: 
Следующая тема · Предыдущая тема
Показать/скрыть Ваши права в разделе

Интересное от ESpec


Другие темы раздела Другая аппаратура



Rambler's Top100 Рейтинг@Mail.ru liveinternet.ru