ESpec - мир электроники для профессионалов


Сварочный аппарат BRIMA ARC160 уходит в защиту

  Список форумов » Другая аппаратура

Следующая тема · Предыдущая тема
АвторСообщение
mega345 
Новичок
Сообщения: 26
 
Сообщение #1 От 12/10/2016 21:07 цитата  

Был заменен термостат и вентилятор так как лопасти были сломаны но защита срабатывает.Подскажите пожалуйста в чем дело
KRAB 
Распугиватель клиентов
Сообщения: 21704
KRAB
 
Сообщение #2 От 12/10/2016 22:47 цитата  

mega345 писал:
в чем дело
- ламерюга криворукий полез в ремонт Силовой Электроники!
mega345 
Новичок
Сообщения: 26
 
Сообщение #3 От 12/10/2016 23:45 цитата  

Вообще-то я спрашиваю совета а на счет ламера это надо посмотреть кто
mega345 
Новичок
Сообщения: 26
 
Сообщение #4 От 13/10/2016 22:34 цитата  

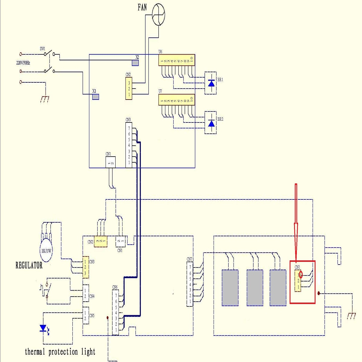
Проблема решена! проблема банальна.была сломана скрепка в разъеме на красном проводе

MMA 1.jpg
 Описание:
 Размер файла:  202.31 КБ
 Просмотрено:  419 раз(а)

MMA 1.jpg



Перейти: 
Следующая тема · Предыдущая тема
Показать/скрыть Ваши права в разделе

Интересное от ESpec


Другие темы раздела Другая аппаратура



Rambler's Top100 Рейтинг@Mail.ru liveinternet.ru