| Автор | Сообщение |
|
fortuna tambov
|
Добрый день, уважаемые коллеги!
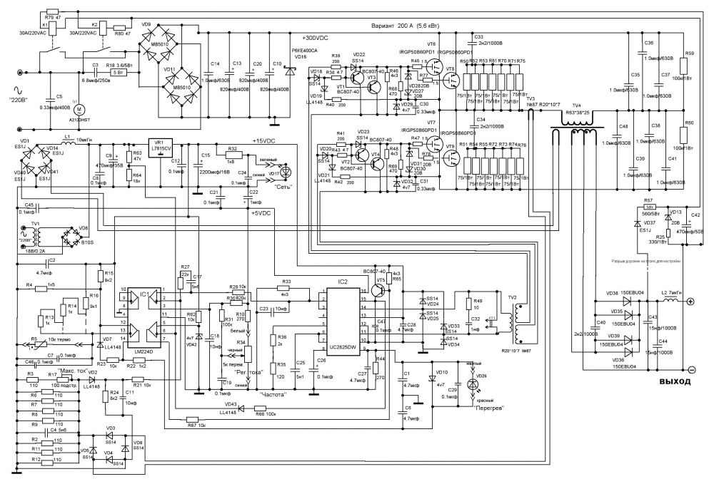
С недавних пор занимаюсь ремонтом инверторов. Очень нужна схема ELITECH ИС 220. Весь инет перерыл, не могу найти. На форуме поиск тоже не дал результатов. Вроде похожа на ресантовскую, но отличается. Реле стоит на 24 вольта, соответственно обвязка другая. Элементы выорели и наименование узнать не возможно. Даже похожую схему не могу найти с 24 вольтовым реле. В частности интересует напряжение стабилитрона D06 в базе транзистора Q01. А так же возможный аналог пробитых ключей GW60V60DF для замены (рассматриваю FGH60N60SMD
Вот сделал фото платы и скрин ресантовсой обвязки. Схема точь в точь совпадает, но реле и транзистор другие. Подозреваю, что и стабилитрон тоже будет не на 4,7 вольта.
Подскажите как быть?


.JPG 70.57 КБ Скачано: 4015 раз(а)
|
|
REKKA
Фанат форума
Сообщения: 3722
|
| Шим как правило тоже пошел за ключами в помойку . Подключай и делай пока от внешнего источника питания пока не убедишься в полной его, работоспособности. ШИМ как правило работает от 9 до 20в Я всегда так, их ремонтирую Вот тебе в помощь http://www.tele-servis.ru/analog.htm |
|
|
fortuna tambov
|
| Спасибо, попробую. В обвязке ШИМ все элементы исправны. Драйверы ключей и элементы схемы вокруг прозвонил, тоже исправны. |
|
REKKA
Фанат форума
Сообщения: 3722
|
ШИМ как называется? Выпиши весь состав в заголовке темы Проверяется он не на вых напряжения , а на генерацию Отключи транзистор и пробуй ШИМ . Проверяй генерацию вольтаж
ДОБАВЛЕНО 26/07/2016 19:34
Откуда:
Сайт:
Род занятий:
Интересы: Это то же заполнить желательно. |
|
|
fortuna tambov
|
ШИМ - uc3842bn. Буду считать условно исправной,т.к. обычно при выходе её из строя вместе с ней выгорают резисторы в затворе и истоке полевика и стабилитрон на 18 вольт. Там все детальки целы. Осциллографа нет сигналы проверить.
На сейчас стоит задача определить напряжение стабилитрона в базе транзистора для схемы с 24 вольтовым реле.
.JPG 70.57 КБ Скачано: 2615 раз(а)
|
|
REKKA
Фанат форума
Сообщения: 3722
|
ШИМ UC3842 прекрасно проверяется тестером От внешнего ИПТ подается на 7выв 12-18в и на 8 выв проверяться 5в Если есть, то она на 50% живая . Ну , а что бы полностью убедиться нужно ослик иметь.Что-бы, на 4 выв проверить пилу ,а на 6 выв проверить импульсы прямоугольной формы И она там не одна , там еще, должны ШИМ быть Тоже проверяются так же И здесь, условно исправным считать не пойдет
ДОБАВЛЕНО 28/07/2016 15:36
Делать так делать
ДОБАВЛЕНО 28/07/2016 15:43
Так на схеме этой, стоит стабилитрон на 4.7в |
|
|
fortuna tambov
|
| REKKA писал: |
Так на схеме этой, стоит стабилитрон на 4.7в |
Ну да, это схема "ресанты" с релюхой на 12 вольт. А в элитеке схема такая же, но на 24 вольта реле и транзистор KSP13. Поэтому не ясно напряжение стабилитрона. Сгорел и маркировки нет. И схемы элитека нет. |
|
Ирина Слава
Передовик
Сообщения: 1035
|
| fortuna tambov, роль стабилитрона ,обеспечить задержку включения реле, пока идёт заряд сетевых конденсаторов.Поэтому не стоит делать проблему,ставь 4V7. |
|
|
fortuna tambov
|
REKKA, Вы правы, ШИМка мёртвая. Даже странно, всё остальное вокруг цело.
Ирина Слава, буду пробовать |
|
|
fortuna tambov
|
Проанализировал с десяток схем инверторов где используется реле на 24 вольта. Оно везде подключается напрямую к обмотке трансформатора, (без транзисторного ключа) на которой появляется 24 вольта после того, как через токоограничивающий резистор 51ом 12 ватт зарядятся ёмкости после диодного моста.(На схеме выпрямителя видно) Это и есть задержка в 1-2 сек.
Поступил следующим образом:
отпаял диод D05, оставил защитный D07, транзистор и стабилитрон ставить не стал, поставил перемычку между эмиттером и коллектором, заменил ШИМ, впаял ключи. Аппарат работает. Всем спасибо за советы.
 |
|
Ирина Слава
Передовик
Сообщения: 1035
|
| fortuna tambov,нам доказывать ничего не надо.Ваш вопрос "В частности интересует напряжение стабилитрона D06 в базе транзистора Q01.",так если есть схема выкладывайте, нам то откуда известно о чём идёт речь.Все говорят что схема похожа на Ресанту,так давайте её брать за основу и по ней вести разговор.Иначе как в пословице "кто в лес,кто по дрова". |
|
|
fortuna tambov
|
| Ирина Слава, проблема решена, аппарат работает. Как поступил - написал выше. Транзисторный ключ в данном случае не нужен вовсе. Задержка происходит за счёт зарядки больших ёмкостей фильтра через резистор. Тему можно закрывать. |
|
Ирина Слава
Передовик
Сообщения: 1035
|
| fortuna tambov,при такой схеме задержка отсутствует.Но такие решения тоже есть.В том же, Торусе.Мала-мала больше искр при включении.Кнопка "решено",у вас. |
|
|
fortuna tambov
|
Ирина Слава, инвертор стартует и реле срабатывает через 1,5 секунды после подачи напряжения, как и положено.
Так сделано в инверторах "Hugong 160-200", "Fubag", "Prestige 164", Смоленский "Диолд", коим сам владею, во всём семействе инверторов АСИ 140 - 200 и многих других аппаратах. А в инверторе "Дон-200", к примеру, напряжение на два реле так и вообще подаётся с выхода, к которому сварочные кабели подключаются, вот схема:
Кнопку "решено" не моу найти.
200.jpg 123.06 КБ Скачано: 6364 раз(а)
|
|
|
Shockru
|
| Добрый вечер Fortuna Tambov . у меня вопрос : а какое напряжение у Вас на вентиляторах?, ремонтирую такой же Elitech, отключаю ёмкость с014 он работает правда сильно греется мосфит (к3878) напряжение на кулерах 27 вольт., с емкостью начинает перезапускаться, |
|
REKKA
Фанат форума
Сообщения: 3722
|
| надо искать дефект а не баловаться |
|
KRAB
Распугиватель клиентов
Сообщения: 21704
|
| Shockru писал: | | напряжение на кулерах 27 вольт | - а про 24 вольта на них ничего не написано?!  |
|
|
Shockru
|
| На вентиляторах написано 24, просто я думал что повышенное напряжение на выходе транса следствие какой то неисправности, из-за которой сильно греется мосфит и R03 (10kOm) которое стоит параллельно кондёру с014, без этого кодёра аппарат работает с ним моргает и не запускается, поменял всё в дежурке ( были сгоревшие r13, r04, d010) |
|
|
fortuna tambov
|
Shockru, Если ещё актуально, то был такой деффект, это цепь снаббера. Если сильно греются - только менять всю цепочку на новые детали. При проверке мультиметром эти элементы могут вести себя как исправные. Что менять указал стрелками.

|
|
|
svat83
|
| Подскажите а если на 7-ю ногу приходит 45 вольт. В чем причина? |
|