ESpec - мир электроники для профессионалов


Видеодомофон COMMAX DPV 4HPN Visit

  Список форумов » Другая аппаратура

Следующая тема · Предыдущая тема
АвторСообщение
riv2007 
Бывалый
Сообщения: 44
riv2007
 
Сообщение #1 От 14/04/2018 13:10 цитата  

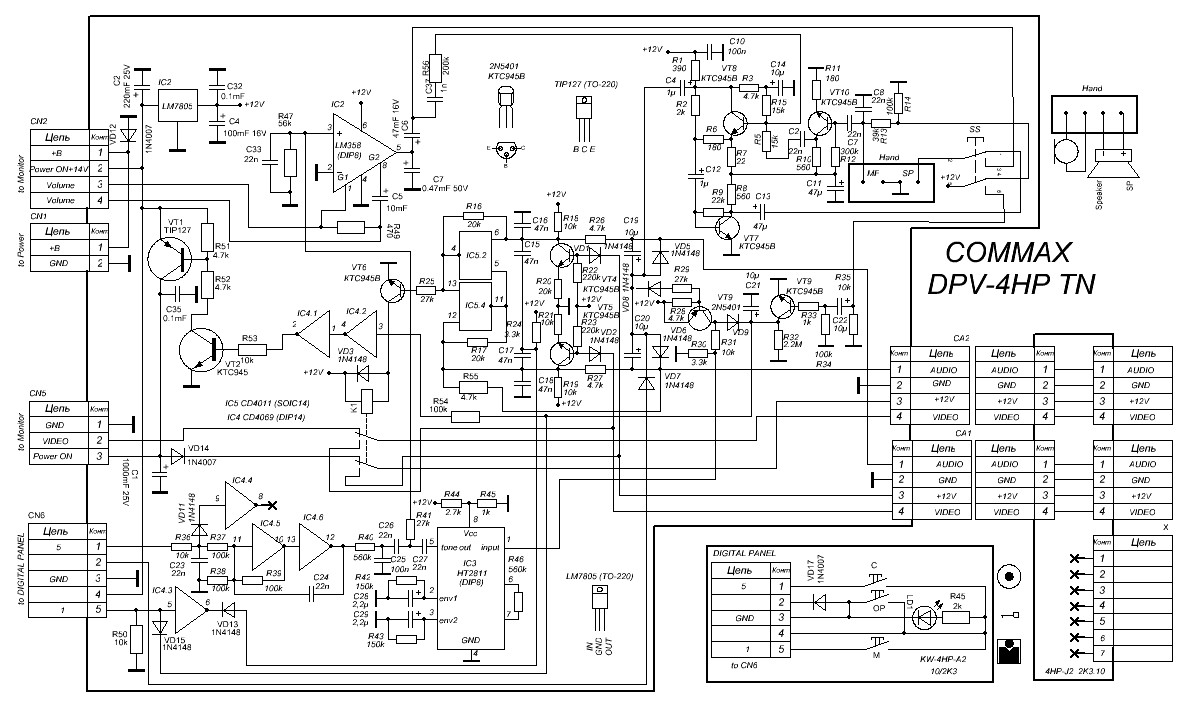
Добрый день. Требуется помощь специалистов. Данный видеодомофон отработал верой и правдой 3 года. Сейчас тоже работает, но временами. При нажатии на кнопку вызывной панели сразу включалось видео на экране монитора (домофона), а сейчас оно то совсем не включается, то через большую задержку секунд 40-50. Похоже какой то конденсатор высох? Я нашел схемы от похожего видеодомофона, прикрепил. Где искать неисправность, в низковольтной части схемы или высоковольтной? Может кто то уже ремонтировал такое?
На плате высоковольтной (JA-4005N1) стоит микросхема LA7806.
Низковольтная плата DPV-4HP2.

COMMAX DPV-4HP TN.JPG
 Описание:
 Размер файла:  232.52 КБ
 Просмотрено:  2420 раз(а)

COMMAX DPV-4HP TN.JPG


  pic14.jpg  155.47 КБ  Скачано: 942 раз(а)

Перейти: 
Следующая тема · Предыдущая тема
Показать/скрыть Ваши права в разделе

Интересное от ESpec


Другие темы раздела Другая аппаратура

PS2


Rambler's Top100 Рейтинг@Mail.ru liveinternet.ru