| Автор | Сообщение |
|
serhey1979
|
Прибор пролежал новым несколько лет. Теперь при включенни индикатор не показывает так понимаю нулевой температуры - несколько сек 000, потом 888. При выборе температуры мигает ALM. Пищалка как то не уверенно тихо работает. Еле слышно.
Выпаял симистор BTA12-600B - транзисторный тестер показывает как резистор.
Подкинул для пробы BTA8-600B - тестер правильно его определяет. Ничего не поменялось.
Есть еще подозрение на опрон EL3061.
Но основная проблема думаю в контроллере - что то с прошивкой. Микросхема без опознавательных знаков, 24 pin.
Подключал внешний БП 5 В. На входе L7805СV плавало напряжение. То же самое.
На плате надпись GW-850 Ver. 1.1[/img]
| payalo-1.jpg |
| Описание: |
|
| Размер файла: |
273.03 КБ |
| Просмотрено: |
205 раз(а) |

|
|
|
Ирина Слава
Передовик
Сообщения: 1041
|
| serhey1979, почему не начать с проверки датчиков,а сразу прошивка?Раз"...На входе L7805СV плавало напряжение...",и долго лежал и видно на "печке",почему бы не заменить электролиты(только без проверки ESR).Не надо пока "лезть в дерби". |
|
|
serhey1979
|
| Замена электролитов на новые результатов не дала. ALM сигнализирует как бы о перегреве но нагреватель не работает. Термодатик подключен к 5, 6 входу микросхемы напрямую. Сопротивление при нормальной температуре около 600 Ом. |
|
Ирина Слава
Передовик
Сообщения: 1041
|
| serhey1979, попробуйте подключить "переменник" на 10к вместо датчика и покрутить в разные стороны.Родной ведь не известен.Хуже не будет. |
|
|
serhey1979
|
Впихнул по быстрому на 5,1 ком не переменник правда. Включился!!!
От 2 кОм (мин температура 10 гр) до 8 кОм (300 градусов). Родной датчик сейчас показывает 960 Ом (комнатная температура) С меня могорыч ))
То ли датчик не тот, то ли микросхема неправильно замеряет. Последовательно поставить 1 кОм попробовать. |
|
Ирина Слава
Передовик
Сообщения: 1041
|
| serhey1979, что собой представляет ваш дачик? Было бы не лишним фото.А так можно в принципе подобрать из стандартного ряда и имеющихся в наличии . На 10к NTC,так вооще думаю не проблема,их во многие изделия "пихают" наши друзья из Поднебесной |
|
|
serhey1979
|
|
Ирина Слава
Передовик
Сообщения: 1041
|
| serhey1979, посмотрите видео ещё раз ,обратите внимание на делитель по схеме,сравните со своей схемой и будет вам понятно какой номинал датчика.У человека на видео,цепь:питание- датчик -10к-15к и на "землю".Ведь просто же,дальше некуда. |
|
|
serhey1979
|
| Завтра продолжу. Срисую часть с номиналами. Схема на видео в основном похожа. |
|
Valeriynew
Передовик
Сообщения: 1792
|
| serhey1979 писал: | | Подключал внешний БП 5 В. На входе L7805СV плавало напряжение. |
А почему бы ему и не плавать. Данная микросхема рассчитана на выход 5В, 1,5А. По даташиту на вход подается 10 В, 1А и расписаны номиналы.
Если подключать 5В, то не меньше 1,5-2А и тогда "плавать напряжение" не должно... |
|
|
serhey1979
|
| 2 А подключал без стабилизатора..Вернул стабилизатор. Скакало что то на входе -то 7,5 то 8,5. Поставил новые емкости обвязки - стабильно 8,4. |
|
tutu7
Завсегдатай
Сообщения: 721
|
| Про емкости во втором сообщении гутарили,а ты только "вьехал". |
|
|
serhey1979
|
Моя ошибка - в третьем сообщении не написал что скачки пропали после замены без проверки, хотя выходное во всех случаях 4,9.
Перед созданием темы я старые емкости проверил - емкость, ESR, утечка в порядке. Все равно по совету выше выкинул.
Симистор новый BTA12 с радиорынка тоже не проверяется тестером - наверное такая их особенность.
Резистор тоже вместо датчика подкидал , не угадал -1.5 кОма, раньше бы заметил что проблема скорее из-за датчика.
....
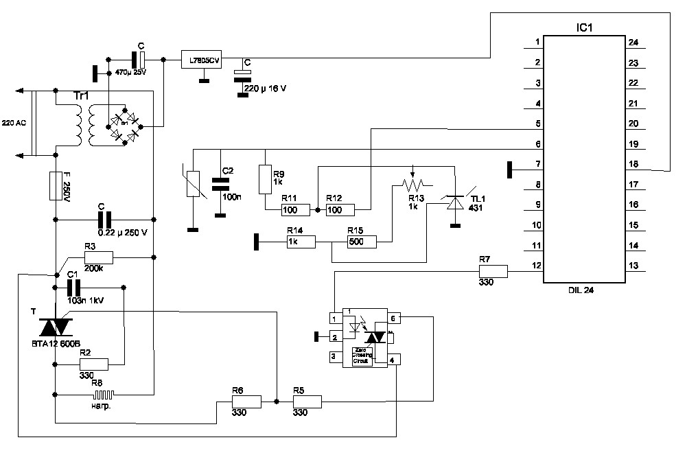
Срисовал (приблизительно) схему.
Решено. Крутнул переменник на TL431 и начал правильно мерять температуру. Может окислился переменник. Проверю точность измерений термопарой. Всем спасибо!
yt_cr.jpg 64.78 КБ Скачано: 178 раз(а)
|
|