| Автор | Сообщение |
|
Vishne-aleksandr
|
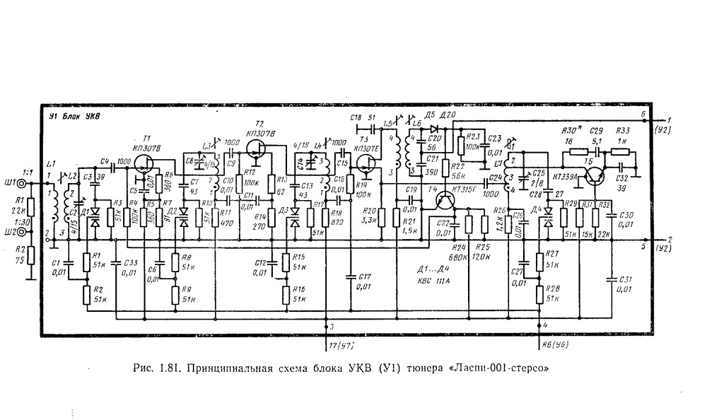
Добрый день. Не работал тюнер «Ласпи-001-стерео», не было никакого приёма. Вскрытие показало, что контура все в УПЧ раскручены. К сожалению, профессиональных приборов нет. С помощью генератора-пробника, опубликованного в журнале «Радио», удалось настроить контуры. Тюнер принимает очень с низкой чувствительностью, с генератора телевизионных испытательных сигналов на 2 канале есть слабый звук. Подозрение вызывает блок УКВ. Планирую в понедельник поменять все конденсаторы К10-7 (С4, С33, С1, С5 и другие подобные по назначению). Думаю, что в них какой-то дефект. Я хочу спросить совета. Какое постоянное напряжение на катоде диода Д5 при напряжении на входе блока ВЧ напряжения 10 милливольт? У меня там постоянное напряжение более 0,4 Вольт не поднимается. Спасибо за совет.
Конденсаторы поменял - чувствительность тюнера нормальная.
001 стерео УКВ.jpg 165.82 КБ Скачано: 484 раз(а)
|
|
II3II
Передовик
Сообщения: 1052
|
УКВ и FM – это два поддиапазона, которые, по сути, представляют собой одно и тоже. Единственное отличие, что УКВ (62-74 МГц) использовались в Советское время, когда вещание производилось в стандарте OIRT. Сейчас же по Европейским нормам действует FM-диапазон (76-108 МГц), который вещает в стандарте CCIR. Но так, как современные приемники способны раскодировать любой из этих диапазонов, то и используют их совместно.
вероятно «Ласпи-001-стерео» для FM приема не подходит.... устарел однако...
ДОБАВЛЕНО 04/06/2022 12:31
а с генератора вы сигнал не слышите скорее всего потому что он не модулированный . в стандарте OIRT. |
|
skolin
Передовик
Сообщения: 1208
|
| Приемник - Диапазон частот 65,8...73,0 МГц. Это уже о многом говорит, не ведутся передачи в этом диапазоне. Раньше было а сейчас, по крайней мере у нас, нет. Нужен конвертер или перестраивают контура. Но так как спрашивает про напругу на диоде, то ясно что не справиться. Отстань от него. Там скорее сдохнет первый полевик. |
|
|
Vishne-aleksandr
|
Тюнер используется в своём стандартном диапазоне 62МГц...74МГц. На его входе стоит кварцованный конвертер из FM диапазона в диапазон УКВ. Напряжение на диоде должно быть где-то больше 0,4 Вольт, иначе не откроется транзистор Т4. В первом сообщении я ошибся - напряжение на катоде этого диода не становится выше 0,04 Вольт. Генератор обычный телетест "Ласпи", со звуковой частотой 65,75МГц (второй канал аналогового телевидения).
"Отстань от него." - ответ, конечно, печальный. |
|
Tipelo
Передовик
Сообщения: 1030
|
| Если,контура крученые,значит хотели перестроить,на диапазон fm,может,где то,пикушки поменяли?Витки уменьшели? |
|
n max
Модератор
Сообщения: 17384
|
| Tipelo писал: | | Если,контура крученые,значит хотели перестроить,на диапазон fm,может,где то,пикушки поменяли?Витки уменьшели? |
Автор писал про катушки упч причём они к перестройке диапазона. их вроди при перестройке диапазонов обычно не трогают |
|
|
Vishne-aleksandr
|
| Конденсаторы К10-7В ("флажки") 0,01мкф в блоке УКВ поменял все 16 штук. Чувствительность тюнера поднялась, звук нормальный с конвертером FM диапазона. Напряжение на аноде диода Д5 поднимается до 0,1 Вольта при подаче сигнала с телетеста. Если верить паспорту телетеста - выходное ВЧ напряжение с него 10 милливольт. |
|

|