| Автор | Сообщение |
|
Александр Малышенко
|
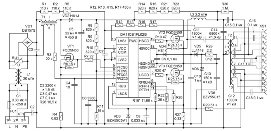
Здравствуйте. Имеется неисправный блок питания для освещения теплицы. Пытаюсь найти на него схему. Пока похоже даже не нашёл как он называется. По надписям на плате поиск выдаёт что то не то. Кто нибудь знает что это, где найти на него схему, и как ремонтировать? Вообще их очень много, но в тех двух экземплярах что у меня в руках, на одном точно сгорел один силовой транзистор (обозначен на плате М1), два SMD транзистора звонятся на плате накоротко (VP1 - 2), и подгорели мощные резисторы (их номера не вижу). На втором силовых транзистора сгорело 2 (М1 - 3), резисторы тоже подгорели, но на транзисторах VP1 - 2 только на VP1 звонится замыкание между двух ножек.
| 3.gif |
| Описание: |
| Внешний вид без радиатора. | |
| Размер файла: |
567.01 КБ |
| Просмотрено: |
200 раз(а) |

|
| 4.gif |
| Описание: |
|
| Размер файла: |
283.69 КБ |
| Просмотрено: |
173 раз(а) |

|
|
|
Ирина Слава
Передовик
Сообщения: 1040
|
| Александр Малышенко, схемы не будет.Рисовать самому,или ремонт по datasheet-ам.Если сам не.?Заполнить Профиль,может мы рядом,сделаю,я. |
|
Tipelo
Передовик
Сообщения: 1032
|
Александр Малышенко, Что канапля плохо растет? Да он просто собран,если имели дело с блоком питания от жк телевизора,принцип тот же.
ДОБАВЛЕНО 14/02/2022 14:44
Или блоки питания от майнинга,тот же принцип. |
|
|
Александр Малышенко
|
| Ирина Слава писал: | | Александр Малышенко, схемы не будет.Рисовать самому,или ремонт по datasheet-ам.Если сам не.?Заполнить Профиль,может мы рядом,сделаю,я. |
Здравствуйте. Я живу в Кранодарском Крае, в городе Тихорецк.У местного предпринимателя на этих блоках освещение теплицы. Они постоянно горят. В городе их никто ремонтировать не берётся. Скопилось десятки. С просьбой о помощи дошли даже до меня (поскольку знали что я когда то учился ремонтировать телевизоры). Ремонтом я не занимался уже лет 10, бросил ремонтировать телевизоры когда закончил институт, и стал работать на заводе. Не то чтоб я сильно уверен в своих силах, но для начала попытался хотя бы найти схему. Но если схемы нету - пообещали дать рабочий блок. На крайний случай буду тупо звонить всё подряд в аналог. Или пытаться что то нарисовать сам. |
|
ALEGA
Завсегдатай
Сообщения: 502
|
| Качественное фото с двух сторон. Схема нужна для опознания неизвестных элементов а их у вас нет , Два блока рядом(один рабочий) и вперед.Пока проблем не видно. |
|
БЕЗЫМЯННЫЙ
Бегущий по граблям
Сообщения: 7608
|
| ALEGA, проблема в перспективе маячит одна: нулевая надежность блоков. Автор же пишет что десятки трупиков скопились. Видимо без каких то и возможно серьезных доработок повысить ее не получится. |
|
Ирина Слава
Передовик
Сообщения: 1040
|
| Александр Малышенко,кроме качественных фото, надо перечислить состав микросхем :ШИМ ,переключатели ,процессоры.Также желательно описать режимы работы блока(паспорт или инструкция,можно сканы),да и место где они преобретались.Возможно через продавца получится выйти на производителя.А я вобщем-то рядом сейчас,Ростовская обл.,300км отКраснодара. |
|
|
sidim
|
Если жгут пачками. Теплица ( тепло ), как одна из причин поломки , перегрев. имеет ли блок активное охлаждение ( вентилятор ), не перегружен ли по подключаемой нагрузке. Это как бы для дальнейшей проверки после ремонта. Остальное для ремонта, как писали ранее. Набор элементов с высокой и низкой стороны. Остальное по даташитам.
И что на блоке ни одной наклеечки нет?
Выходное напряжение, ТОК, мощность?
Смотри маркировку шим управления высокой стороной, удалить дохлые ключи и как правило драйвера.
Начать с проверки Входного диодного моста, емкости, питания шим, условия ее запуска, далее целостность драйвера, и самих ключей.
Включать в сеть для ремонта через нагрузку, последовательно с лампой накаливания 100 Ватт. Что бы не стрелять. |
|
|
Snas
|
| транзистор (обозначен на плате М1), два SMD транзистора звонятся на плате накоротко (VP1 - 2),(поскольку знали что я когда то учился ремонтировать телевизоры. По ходу долго ремонтировать будем.В теплицах и влажность есть.Может быть расположение блоков не то. |
|
|
Александр Малышенко
|
Фото попытался выложить в разрешении 4К, но ограничение на размер картинки 1200 на 1200 пикселей. Пришлось делать снимок образа экрана и сохранять в худшем качестве. Как выложить качественней?
Активного охлаждения у блока нету (хотя я это уточню). Видимых следов перегрева не вижу. Каких то следов влажности - не вижу (потемневшего текстолита, налёта окисления, нету, теплопроводная паста под силовыми элементами - влажная, алюминий радиаторов - без следов окисления и грязи). Питает один и тот же тип ламп (по утверждению хозяина - 1000 ватт мощностью. Вроде газоразрядные). Лампу нужно взять и изучить. Почему и как выбрана именно эта лампа, поинтересуюсь. Откуда взят блок - поинтересуюсь и попытаюсь получить прилагающуюся документацию с инструкцией. Рабочий блок к выходным - добуду. Имея его на руках - попытаюсь всё сравнить и описать блок подробнее. Ещё они кажется трёхфазные (но это тоже уточню). Чтоб включить проверить - придётся тащить их в лабораторию электронщиков на заводе (те отказались что то советовать без схемы)
Хозяин выдвигает версию что они горят, когда начинает стареть лампа. Это тоже постараюсь прояснить. |
|
n max
Модератор
Сообщения: 17614
|
Залейте фото на 4к на сторонний файлообменник и ссылку сюда,видя девайс живьём проще рассуждать будет.
Не лишним будет указать марку микросхем которые там применены.мож максимально похожую схему удастся найти |
|
|
sidim
|
О, как так это ж ЭПРА. На сколько ламп? судя по количеству дросселей на 3. ищите схему не блока питания , А ЭПРА. ( Электроная Пуско-регулирующая Аппаратура ).
Собственно как и любой инвертор. преобразование 220 переменки в постоянку затем в ВЧ переменку.
ДОБАВЛЕНО 16/02/2022 09:59
мощный электронный баласт. для люминисцентных ламп.
ДОБАВЛЕНО 16/02/2022 10:09
как вариант для маломощных ламп.
Просто аналогия. Схема конечно не такая, от слова совсем, но принцип работы сопоставим.
Смотреть вашу начинку и делать выводы.
light52-1.gif 155.39 КБ Скачано: 169 раз(а)
light52-2.gif 74.22 КБ Скачано: 205 раз(а)
|
|
|
sidim
|
Если 3х фазник на 1000 Ватт. то наверное как то так.
ЭПРА Под ДНат ( натриевые лампы)
Разделим на блоки.
ДОБАВЛЕНО 16/02/2022 12:09
управление мостом IGBT, как вариант.

| 3_169.gif |
| Описание: |
|
| Размер файла: |
431.96 КБ |
| Просмотрено: |
171 раз(а) |

|
|
|
БЕЗЫМЯННЫЙ
Бегущий по граблям
Сообщения: 7608
|
Отборочный этап конкурса "угадай мелодию с одной ноты" завершен. Второй этап будет с указанием типа лампы, а может с приложением еще пары фоток. . |
|
|
Александр Малышенко
|
К выходным соберу всю инфу что смогу. Пока только смог добыть рабочий блок. Поставляются они в виде стойки с 20 блоками. Документов на всю стойку пока не смог добыть. Как покупаются блоки взамен сгоревших - пока тоже не ясно (прямой связи с хозяином пока не наладил). Благодарю за попытки помочь.  |
|
skolin
Передовик
Сообщения: 1216
|
| Помогите найти схему блока питания для теплицы. Интересная тема и привлекательная. Просто интересно стало чем это питается теплица. Никогда не знал что ее подкармливают. |
|
Ирина Слава
Передовик
Сообщения: 1040
|
| skolin, а вот троллить не красиво,когда сказать нечего.Были бы "ясны очи" увидел бы ,человек написал "...Имеется неисправный блок питания для освещения теплицы....! А вот кормят его,что бы КИПовцы знали,электричеством. |
|