| Автор | Сообщение |
|
andron1279493
|
| нужна схема зарядного устройства орион pw 265 или 325 |
|
|
NOVOSAD
|
| Закачал в раздел бытовой техники |
|
|
andron1279493
|
| Спасибо! но я не могу найти закачку? |
|
БУНЯ
Верный друг сайта
Сообщения: 6874
|
|
|
andron1279493
|
|
|
vavtdoc
|
| Помогите со схемой на орион PW-260 |
|
semvictor
Фанат форума
Сообщения: 3099
|
|
evg4682
Завсегдатай
Сообщения: 408
|
А в PDF, читаемая, нужны номиналы выгоревших SMD сопротивлений, нет ни у кого? Либо фотку с обратной стороны... Грозовой, однако... Орион PW325

|
|
semvictor
Фанат форума
Сообщения: 3099
|
|
evg4682
Завсегдатай
Сообщения: 408
|
| semvictor писал: | | evg4682, Ты о чем? | зачем изобретать схему, если есть родные номиналы (у кого-нибудь ). Зачем отходить от схемы разработчиков, которая тестировалась? Если нет, тогда будем смотреть и изучать двухтактники компьютерных БП... Он включается, только релакс...
Перегруз - нету... |
|
semvictor
Фанат форума
Сообщения: 3099
|
|
evg4682
Завсегдатай
Сообщения: 408
|
спасибо, но это есть... Прочтите номиналы...

|
|
semvictor
Фанат форума
Сообщения: 3099
|
|
|
machito
|
ЗУ PW265, почсле ремонта замены деталей напряжение падает (при подклучения любой нагрузки) не заряжается, термодатчик срабатывает, то есть получается плата работает.
Подскажите что это за стабилитрон или диод (закрашен был синей краской, по середине прозрачное стекло, не звоница, менял концами разницы нет, отпаиваю, блок не работает)
 |
|
evg4682
Завсегдатай
Сообщения: 408
|
| semvictor писал: | | evg4682, Сравни. |
Дико извиняюсь, забыл поблагодарить... Зарядное до сих пор работает. Спасибо за совет. Удачи! |
|
|
Dev
|
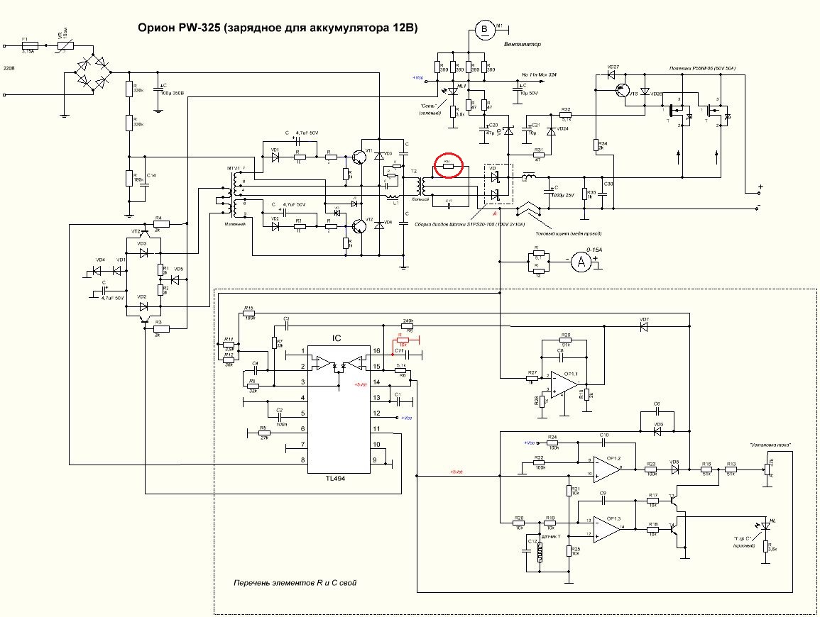
Уважаемые, здравствуйте!
Подскажите номинал резистора, обведенного кружком. Не читается. Сгорел...
PW325.JPG 183.48 КБ Скачано: 4507 раз(а)
|
|
|
kovan
|
| Dev, 47 Ом. А те, что спрашивал evg4682, 2шт по 1кОм. |
|
|
kovan
|
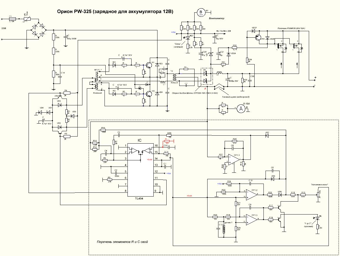
Очередной раз замутился с pw-265, схемы так нигде и нет. pw-325 отличается хоть и незначительно, но муторно - выводы микросхем не совпадают. Вот частично перерисовал известную схему. Номиналы сопротивлений многие отличаются (не перерисовывал).
Может мне так везёт, но второй (или третий) раз проблема с "глиной" у операционников.
PW265.jpg 186.25 КБ Скачано: 6553 раз(а)
|
|
|
Ararahis
|
Кто ищет информацию по "Вымпел-265" ООО "НПП Орион СПБ" с 7N60 в HOT - это не сюда. Чтоб производителям пусто было! Сделать редкостное дерьмо и засекретить информацию... Когда люди более-менее разберутся (как kovan)- изменить схему. В которой при ошибке пользователя будут выгорать ВСЕ мощные элементы TO-220 и куча smd резисторов. В таком количестве, что даже помощи просить в определении совестно.
PS Хотел помочь знакомому, но видно не судьба. |
|
|
georg77
|
|