| Автор | Сообщение |
|
A.T.
|
Без ОС скважность максимальная (насколько она велика не знаю, осцилл. остался дома), т.е. блок работает на пределе, а транзисторы открыты достаточно долго. БП китайский (на табличке указано всего 9А по 12V), так что всё может быть.
Раньше я включал по-опасному, без лампочки. В этот раз включил на даче через лампочку 220V 100W (поскольку патрон Е27 удалось найти только на даче), всё оказалось хорошо - лампа не горит, блок питания заработал. При касании рукой контактов переменника "шелест песка" меняется. Короче, нужно экранировать провод. Лампу и патрон я возьму с собой и продолжу эксперименты дома.
Добавлено ближе к вечеру:
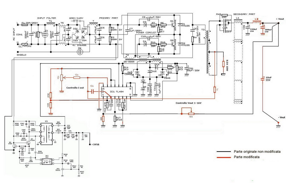
Приехал домой (у бабушки состоялся стол по поводу 8 марта). Укоротил провода до минимума, а также изменил схему (R34-резистор ОС по +12-вернул на место, а от 1 ноги 494 на массу поставил переменный резистор). Шелест изчез. Но только я подключил в нагрузку розетку прикуривателя (с разборки "Газели"), чтобы удобно подключить к ней вольтметр, как вдруг...лампа стала мигать с частотой 2Гц в полный накал. Вырубил блок, отключил прикуриватель. БП спокойно заработал - лампочка спасла инвертор. В прикуривателе я нашёл след ремонта "умельцем" - алюминивую шайбу. Она создавала КЗ. После удаления шайбы и сборки розетки прикуривателя как надо, я спокойно замерил диапазон напряжений на выходе БП. Он составил 7,5-22В. Норма! При нагрузке в виде лампы 12V ~30 свечей (ватт) напряжение падает всего на 0,1V, то есть стабилизация есть. Подобрал оптимальный номинал переменника (чтобы купить новый в магазине) - 33КОм. Появилась мысль насчёт защиты - обмануть её подачей +5VSB на "вход" защиты (R55, Q7). Получится?
Обновил состав блока в первом посте. Ищу схему!!! |
|
|
A.T.
|
| Нашел "вход" защиты по напряжению (стабилитрон там оказался обозначенным как диод, но включён по стабилитронному - минусом к выходу +5В) и отключил его. Супервизор (Киа393) впаял обратно. Блок запустился, всё ок. Восстановил подключение защиты к 4 ноге 494. БП запустился, но выходное напряжение регулируется от 7,5 до 10,7В. При этом издаётся звук жарки картошки, а, если выкрутить переменник на максимум (т.е. где было 22В), из БП слышен писк. Что-то я сделал не так. Голова болит от выслеживания схемы по дорожкам, нужна схема! Если её найти нереально - так и пишите. |
|
n max
Модератор
Сообщения: 17600
|
| ну так от нуля до 12 вольт вы регулировку не получите-это связанно со спецификой работы этого шима по 12 вольтам макимум,что мне удавалось получить регулировку от 8 до 16 вольт по 12вольтовому выходу есстественно без залёта шима в запредельные режимы с посторонними звуками из блока. |
|
|
Alex-N52
|
В прикуривателе стоит не алюминиевое кольцо, а кольцо из обычного припоя.
Это тепловая защита на случай если заклинит вставка во включённом положении.
От высокой температуры кольцо из припоя плавится и закорачивает плюс на корпус - предохранитель сгорает, машина - нет ...  |
|
n max
Модератор
Сообщения: 17600
|
В жигулях 3копейки(или 5 непомню) вместо предохранителей ставили  |
|
|
A.T.
|
"Умельцы" ставят вместо предохранителей не только 5 сов. копеек, но и гвозди и болты. Кольцо действительно было больше похоже на припойное, но я его выкинул. Да и ладно, той брошенной ~10 лет назад Газели уже года два как нет.
До восстановления защиты регулировка напряжения была от 7,5В до 22В, без звуков, с нормальной стабилизацией. Но это было с 4 ногой на массу, сейчас же я отключил подачу бывших +5в на KIA393P, а 4 ногу 494 вернул в схему. |
|
n max
Модератор
Сообщения: 17600
|
| лучше уже не сделаете оставляйте так |
|
|
A.T.
|
| Разве? А чего оно картошку (мясо, грибы, овощи) жарит тогда? Звуков из нормально работающего ИИП не должно быть. Да и 10,7В по каналу 12В далеко не норма. Со свежей головой попытаюсь поломать опять глаза, посмотреть, что я забыл отпаять. Диод, кстати, оказался не стабилитроном и включён правильно - это оказался не канал +5В, а -5В (согласно маркировке). |
|
|
Alex-N52
|
| Бывает, что шумит по разным причинам - слишком длинные и неэкранированные провода к регулирующим резисторам, "слабый" дроссель на выходе, маленькие ёмкости с цепи ООС (я обычно выбрасываю штатные и ставлю конденсатор 0,1-0,5 мкф) ... |
|
|
A.T.
|
| Да не, не о том речь! Блок питания нормально работал до того, как я начал восстанавливать защиту. |
|
|
Alex-N52
|
Значит "звенит" где-то по защите ...  |
|
|
A.T.
|
Срисовал схему защиты. Ничего не понимаю. То ли я слепой, то ли схема действительно отличается от общепринятой. Скорее всего первое - не могу найти перемычку, которую я отпаял в целях отключения защиты по напряжению.
Цоколёвка KIA393P: http://www.chipfind.ru/datasheet/pdf/kec/kia393p.pdf |
|
|
A.T.
|
Итак. Восстановил защиту 1:1 как было. БП, само сабой, при включении дёргает один раз вентилятором и уходит в защиту (слышен только писк дежурки). Независимо от положения переменника. По умному мне не удалось определить схему защиты (глаза не тянут), поэтому решил делать в лоб - сделать компаратор из куска провода и какой-то матери. Для начала приведу карту напряжений на KIA393P:
| Код: |
___
0,8V №2---|- \
| A )--- №1 4,0V
3,6V №3---|+__/
___
1,3V №5---|+ \
| Б )--- №7 0V
1,3V №6---|-__/
Питание чипа = 4,9V
|
При случайном замыкании щупом 1 и 2 ноги Киа393 блок питания неожиданно запустился. Правда, с писком. Это навело на мысль, что для запуска ШИМ нужно закрыть компаратор. Отключение 1 ноги от схемы действительно запустило БП. С замкнутыми 1-2 ногами или с отключённой 1 ногой БП пищит и плавно регулируется от 7,5 до 10,5В (3/4 от хода бегунка), далее сразу 20В и нет писка. Пробовал запустить БП подачей в разрыв +5В +5VSB, но бестолку.
Схему так и не нашёл (скорее всего плохо искал - бездарен в этом, увы) |
|
|
Alex-N52
|
393 лучше вообще выпаять.
Найти схему защиты по току и подстроить её под свои нужны или оставить так как есть.
Регулировку по току и напряжению сделать по той схеме, которая больше всего понравилась и понятна.
До всего остального придётся, практически, доходить самому методом проб и ошибок ...  |
|
|
A.T.
|
"Скачок" напаряжения с 10,5 сразу до 22В оказался вызван дефектом переменного резистора. Поставил другой 47кОм - и всё нормализовалось. регулировка, правда, нелинейная, в конце хода движка даже 0,5 градуса сильно меняют напряжение. Решил проблему вводом последовательно переменника 10кОм для точной регулировки. Защиты больше нет, четвёртую ногу 494 посадил на массу. Защищать от КЗ будет защита на выходе БП (еще не собрал):
Подборкой R3-R5 настрою защиту для работы на всем диапазоне 7,5...22В. Тиристор, вроде, где-то у себя я видел. |
|
|
Alex-N52
|
Эта схема для выпрямленного нефильторванного напряжения частотой 50 Гц и в вашей схеме она работать не будет ...  |
|
|
A.T.
|
Н-да?.. А можно её доработать для работы на стабилизированном питании (мультивибратор + ключ не вариант) ? Я смутно представляю принцип её работы (в моём понимании тиристор будет всегда закрыт, но ведь в зарядниках оно работало).
| Цитата: | | Тиристор VS1 отпирается коллекторным током транзистора VT1, когда мгновенное значение каждой полуволны выпрямленного напряжения превышает напряжение на аккумуляторе. Если же напряжение на выходных клеммах равно нулю, что может быть вызвано коротким замыканием, то транзистор VT1 закрыт и тиристор остается в непроводящем состоянии. |
Первое (про "мгновенное значение каждой полуволны выпрямленного напряжения превышает напряжение на аккумуляторе") не понял.
Защиту шунтом или трансформатором тока сделать не из чего - нет не феррита, не проволоки с известным удельным сопротивлением. |
|
n max
Модератор
Сообщения: 17600
|
| тиристор будет исполнять свои функции при питании этой схемы пульсирующим напряжением 50-100гц т.е. половинками синусоиды,если подать сигнал с выхода блока питания т.е. постоянку то тиристор откроеться,а закрыться уже не сможет-если вместо тиристора воткнуть полевик то есть шансы запустить это,только защищать блок от кз она не сможет т.к. напруга на выход без подключенного аккумулятора не пойдёт |
|
|
A.T.
|
| Действительно, схема без аккумулятора не работоспособна. Резистор 0,1Ом 10Вт я нашёл в продаже (поставлю параллельно 2), так что придётся собрать защиту по принципу падения напряжения на резисторе. |
|
|
Alex-N52
|
|