ESpec - мир электроники для профессионалов


sony dav-dz265k нужна схема

  Список форумов » Схемы и сервис-мануалы

Следующая тема · Предыдущая тема
АвторСообщение
krott0707 
Заглянувший
Сообщения: 3
 
Сообщение #1 От 22/07/2013 11:45 цитата  

Помогите найти схему sony dav-dz265k. Залит БП.

ДОБАВЛЕНО 22/07/2013 12:49

Смотрел по форуму, схемы нет. В мануале только руководство.
Никола-борода 
Передовик
Сообщения: 2944
Никола-борода
 
Сообщение #2 От 22/07/2013 18:49 цитата  

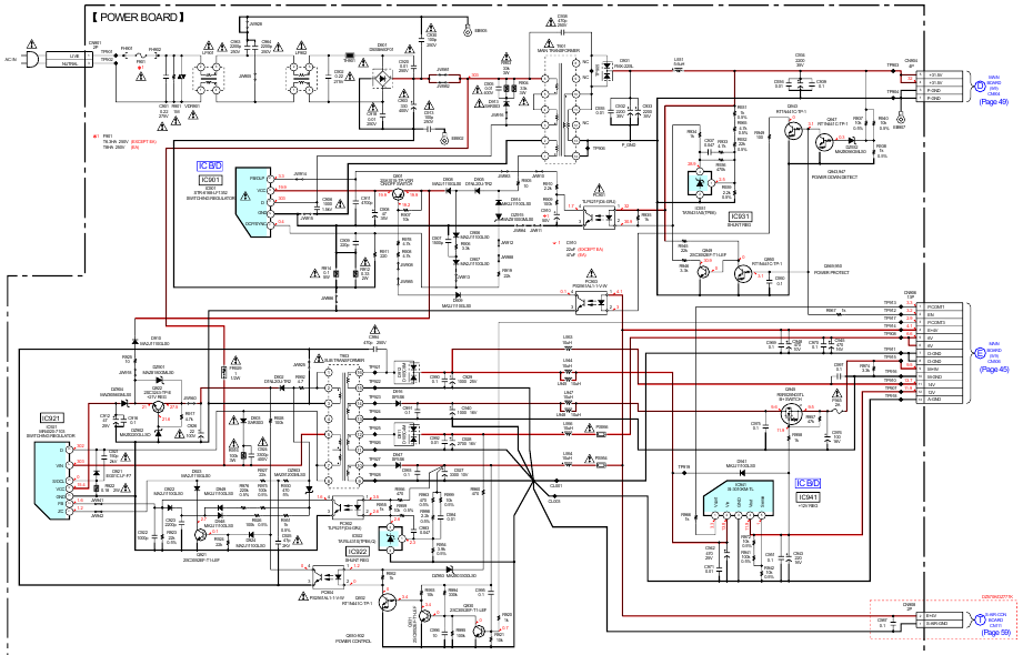
Это надо ?

  Снимок.PNG  126.29 КБ  Скачано: 821 раз(а)
krott0707 
Заглянувший
Сообщения: 3
 
Сообщение #3 От 26/07/2013 07:47 цитата  

Качество можно читаемое?

ДОБАВЛЕНО 26/07/2013 08:49

Никола-борода,
Качество можно читаемое? голливудская улыбка
Никола-борода 
Передовик
Сообщения: 2944
Никола-борода
 
Сообщение #4 От 26/07/2013 14:09 цитата  

Можно , смотри .

  HCD-DZ265K.pdf  4.47 МБ  Скачано: 11356 раз(а)
krott0707 
Заглянувший
Сообщения: 3
 
Сообщение #5 От 29/07/2013 08:05 цитата  

Большущие СПАСИБО!!!!! браво! классно!

Перейти: 
Следующая тема · Предыдущая тема
Показать/скрыть Ваши права в разделе

Интересное от ESpec


Другие темы раздела Схемы и сервис-мануалы



Rambler's Top100 Рейтинг@Mail.ru liveinternet.ru