| Автор | Сообщение |
STARMEX
Завсегдатай
Сообщения: 907
|
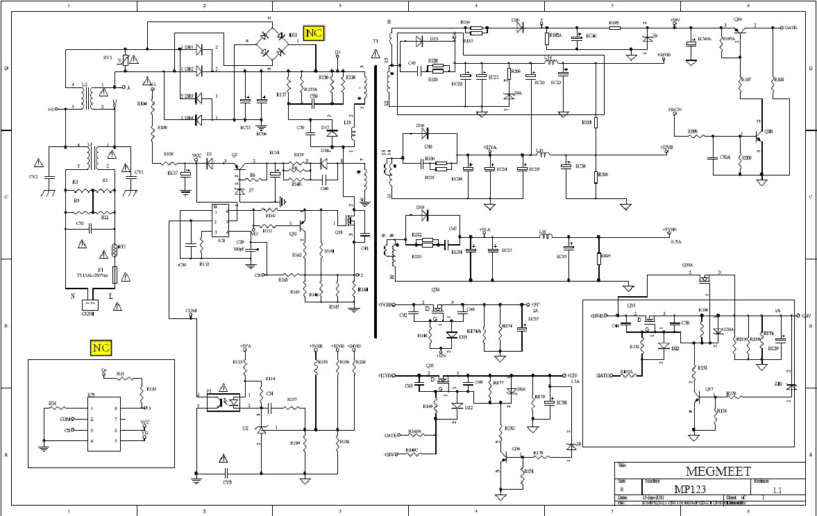
Похоже что название МР123
| Рабочая по TV 001.JPG |
| Описание: |
|
| Размер файла: |
682.78 КБ |
| Просмотрено: |
867 раз(а) |

|
|
|
RAMMER
Передовик
Сообщения: 1027
|
| STARMEX писал: | | Похоже что название МР123 | MP123-24 пиши название на языке оригинала !
STARMEX , дашь на дашь ...
Сделай качественный снимок или снимки блока питания со стороны SMD элементов , с читаемой маркировкой номиналов элементов . А я же в свою очередь поделюсь схемой , но на ней нет номиналов элементов , есть только позиционные номера . Вот и поможем друг другу .
P/S: в целом я и так знаю что и где там должно стоять , но всё таки давай поможем друг другу и не только 


MP123.jpg 173.92 КБ Скачано: 1245 раз(а)
|
|
STARMEX
Завсегдатай
Сообщения: 907
|

| Рабочая по TV 001.JPG |
| Описание: |
|
| Размер файла: |
924.42 КБ |
| Просмотрено: |
912 раз(а) |

|
|
|
STARMEX
Завсегдатай
Сообщения: 907
|
| Может маркировку IC8 подскажешь заодно? |
|
Nik
Завсегдатай
Сообщения: 421
|
| Да их там аналогов много уже будет. Неужели первый раз шестиногую шимку видишь? Тогда рассказывай какие на ней буковки и циферки. |
|
STARMEX
Завсегдатай
Сообщения: 907
|
| LPP 31 Мелочь китайскую первый раз меняю. |
|
Nik
Завсегдатай
Сообщения: 421
|
Примеряй по datashet какие понравятся.

|
|
RAMMER
Передовик
Сообщения: 1027
|
| STARMEX писал: | | LPP 31 Мелочь китайскую первый раз меняю. | STARMEX , с такой маркировкой - это LD7531P меняется на любую другую из списка выше ...
И ещё одна просьба : сделай фото заново , на этих плохо читается маркировка элементов , лучше по участкам сфотографируй плату .
И не сжимая фотографии размести на стороннем ресурсе например вот здесь , а сюда ссылку дай ...
Вот для примера как должна выглядеть фотография
ДОБАВЛЕНО Июль 28 2013
К стати у тебя на плате предусмотрено место под ШИМ в корпусе SO-8 IC5 , так что при отсутствии ШИМа в корпусе SOT23-6 можешь установить на место IC5 LD7750 в корпусе SO-8 ...


|
|
STARMEX
Завсегдатай
Сообщения: 907
|
ДОБАВЛЕНО 07.28.2013 16:45
C помощью программы " Zoner Photo Studio 14 " видно хорошо, а тут все размазано.
ДОБАВЛЕНО 07.28.2013 17:01
 |
|
|
YuryVE
|
Подскажите чем можно заменить пробитый на этом блоке Q29 D450 или хотя бы какой он проводимости, у меня он сильно поджарился. И что может в этом случае еще выйти из стоя?
Телевизор не включался. Только исходили еле слышимые щелчки. |
|
|
YuryVE
|
| Вопрос по Q29 отпал, это AOD450 - 200 вольтовый N-Channel MOSFET. |
|
eduard2
Модератор
Сообщения: 4783
|
YuryVE, cтранно как-то сам задал вопрос а потом на него-же и ответил  |
|
|
telemaster51
|
Там место под IRF630 даже есть!  |
|