| Автор | Сообщение |
sas5308
Фанат форума
Сообщения: 4915
|
Нужна схема .
| IMG_0665.JPG |
| Описание: |
|
| Размер файла: |
254.42 КБ |
| Просмотрено: |
437 раз(а) |

|
| IMG_0663.JPG |
| Описание: |
|
| Размер файла: |
276.99 КБ |
| Просмотрено: |
401 раз(а) |

|
| IMG_0664.JPG |
| Описание: |
|
| Размер файла: |
202.63 КБ |
| Просмотрено: |
511 раз(а) |

|
|
|
gsn
Фанат форума
Сообщения: 5650
|
|
sas5308
Фанат форума
Сообщения: 4915
|
| Доброго.Искал долго ,может не там . |
|
gsn
Фанат форума
Сообщения: 5650
|
| А какие проблемы с теликом? может и схема не нужна, в 90 прц. случаев можно и без схемы обойтись. |
|
sas5308
Фанат форума
Сообщения: 4915
|
| Доброго.Мыргает подсветка .заменил шим и транзистор . линейку диоды проверил. |
|
Nik_Al
Старый таёжник
Сообщения: 34281
|
Схему на такое добро не найдешь
Надо вычислять логически.
Напряжения надо было-бы промерить для начала... Мож просаживает где?. Защиту инвертора отключать пробовал?
Да и диоды часто текут в них. |
|
Nik
Завсегдатай
Сообщения: 421
|
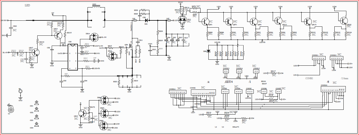
Примерь, вроде твоя.
Снимок.PNG 92.9 КБ Скачано: 895 раз(а)
|
|
sas5308
Фанат форума
Сообщения: 4915
|
Доброго.Чевой то похожа схемка,разберусь отпишусь.Данке шен.

|
|