| Автор | Сообщение |
|
Mishelien
|
Приветствую участников!
Имеется трубка KX-TCA154RUT, работавшая с базой KX-TCD540RUT
Внезапно перестали работать все кнопки. Выключать приходится отключением АКБ. При их подключении сразу включается как обычно.
Цепи по схеме до IC1 прозвонил, всё норм. Менять?
Схемку по пути кину
Panasonic KX-TCD540RUM_KX-TCA154RUT_KX-TCD540RUT_KX-TCA154RUT.pdf 306.61 КБ Скачано: 789 раз(а)
|
|
|
Sergey A Skokov
|
А поиск отменили?
Разбирается труба,резиновая клава моется с Фейри кисточкой,сушится и пятаки протираются ацетоном.Плата протирается х\б тряпочкой с ацетоном начисто.Для проверки,после мытья платы,кнопки пробовать замкнуть.Это простой вариант.Более сложный,если не помогло мытье резинки,но замыкание помогло-срезать пятаки и клеить новые.В противном случае,видимо,шить. |
|
|
Mishelien
|
| Sergey A Skokov писал: | А поиск отменили?
Разбирается труба,резиновая клава моется с Фейри кисточкой,сушится и пятаки протираются ацетоном.Плата протирается х\б тряпочкой с ацетоном начисто.Для проверки,после мытья платы,кнопки пробовать замкнуть.Это простой вариант.Более сложный,если не помогло мытье резинки,но замыкание помогло-срезать пятаки и клеить новые.В противном случае,видимо,шить. |
По вашему я такой идиот что стал писать не проделав...:
Разбирал, вымывал с таким волшебным средством, как ИЗОПРОПИЛОВЫЙ СПИРТ и резинки и плату, пытался замыкать прямо на плате, менял кнопкм с точно такой же трубки (две их у меня). Эффекта ноль.
Мне бы подсказку как можно ещё проверить процессор, чтобы его тупо не покупать за 1,5 рубля не убедившись в поломке старого...
А что шить та??? Ниток с иголкой нет.  |
|
murashko
Завсегдатай
Сообщения: 339
|
| отдайте тому у кого есть нитки с иголками или по крайней мере опыт устранения подобных неисправностей. |
|
BVJ
Передовик
Сообщения: 1803
|
| Проверь осциллом сигналы на клаве, при обнаружении отличий одного из них от одноименных других (строк или столбцов) можно думать дальше. Можно прозвонить каждый столбец/строку на землю тоже с целью поиска отличий, но в отличие от 1 способа не всегда можно заметить разницу. |
|
|
Mishelien
|
| murashko писал: | | отдайте тому у кого есть нитки с иголками или по крайней мере опыт устранения подобных неисправностей. |
А что-нибудь умнее этого? |
|
murashko
Завсегдатай
Сообщения: 339
|
| Mishelien писал: | | murashko писал: | | отдайте тому у кого есть нитки с иголками или по крайней мере опыт устранения подобных неисправностей. |
А что-нибудь умнее этого? |
Схему на стол,осциллограф и тестер в руки и попутного ветра.....
Если Вы мастер, то информации,любезно предоставленной BVJ,предостаточно для дефектации.
А ежели "клиенто sapiens"- то прямой путь в сервис.  |
|
|
evgeniy_51
|
| Mishelien писал: |
Внезапно перестали работать все кнопки. Выключать приходится отключением АКБ. При их подключении сразу включается как обычно.Цепи по схеме IC1 прозвонил,всё в норме |
По правилам Форума , задающий вопрос, должен описать все свои действия по выявлению причин появления деф.и их результаты.
Снимайте SW1,IC1 и проверяйте переходы и чистоту печ.площадок.
А уж потом,можно попробовать "шить" IC10 . И не дерзите старшим ,здесь это не приветствуется .  |
|
|
Mishelien
|
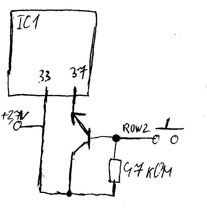
А как насчёт измерить напряжения на IC1 согласно схемы? Я это делал и некоторые значения не соответствуют указанным
по строкам столбцам. На ROW2 0 вольт, на ROW0,1,3 по 2,67 вольт. На всех COL(x) - 0 вольт |
|
vbonev10
Передовик
Сообщения: 1271
|
Mishelien,и года не прошло,а измерения тут как тут (теме без трёх месяцев год)(' ') |
|
BVJ
Передовик
Сообщения: 1803
|
Вот и разбирайся почему ROW2 0 вольт вместо 2,67, утечка ноги проца или внешние утечки (что вряд ли, почти наверняка в проце).
К слову, "прозвонить" - это измерить сопротивление. "прозвонить напряжения" - непероводимый набор слов. |
|
|
Mishelien
|
Появилось время, вот и продолжил...
прозвонил ножки IC1
На ROW2 970 Ом, остальные ROW не прозваниваются
Может и глупо, но я отпаивал именно ножки и на них мерил. |
|
BVJ
Передовик
Сообщения: 1803
|
Да нет, не глупо. Когда нужно точно выяснить, утечка внутри проца или снаружи, то единственный способ - это поднять подозрительную ногу. Ну можно конечно еще и откусить, но это более варварски.
ROW в этой серии - это входы, на них исходное состояние - лог. 1 (2,7V), при нажатии короткие положительные импульсы относительно 0. При таком сопротивлении утечки можно не менять проц, а поставить повторитель перед битым входом. Отрезаешь дорожку от вывода, ставишь npn-транзистор, эмиттер к процу, база к клаве, от базы резистор кОм на 47 к коллектору и коллектор на + питания проца 2,7V. Транзистор лучше взять с усилением побольше. Могут быть проблемы конечно - срабатывание кнопок не всегда или будет путать с другими кнопками, тогда или подбирать резистор в базе, ставить на меньшее сопротивление, или еще лучше поставить повторитель на к-моп микрухе (есть например 2 инвертора в микро корпусе, из серии Little Logic). |
|
|
Mishelien
|
| Так ведь кнопки вообще не работают. ни одна. Разве это поможет? |
|
|
Sergey A Skokov
|
| Ну если я правильно знаю,то из-за нерабочего столбца не работают остальные,залип типа.Его вылечишь и остальные оживут.Как-то так. |
|
|
Mishelien
|
попробую. Спасибо. Результат сообщу.
Пример.jpg 39.88 КБ Скачано: 459 раз(а)
|
|
sheva0000
Передовик
Сообщения: 1296
|
| 2 раза получалось отжигать внешними 5в. Но в наличии были процы новые, не жалко... |
|
|
Mishelien
|
| sheva0000 писал: | | 2 раза получалось отжигать внешними 5в. Но в наличии были процы новые, не жалко... |
Новые процы? Шикарно... Я слышал дефицит. И найти не мог. Наверно не там искал:-) |
|
sheva0000
Передовик
Сообщения: 1296
|
| пару плат трубок и щас должно быть, с битыми экранами |
|
BVJ
Передовик
Сообщения: 1803
|
При утечке в 970 Ом его ни пятью, ни 25 вольтами не выжгешь, выделяемой мощности хватит только слегка подогреть. А больше чем напряжение питания давать нельзя, сгорит совсем другое.
| Mishelien писал: | | Транзистор наверняка надо найти с Uбазы не более 3 вольт... | Что такое Uбазы? И почему "не более"? У транзисторов есть предельно допустимые обратные напряжения Uб-к и Uб-э, никакого Uбазы нет. Прямое Uб-э у всех примерно одинаковое - такое же как у диодов, около 0,6-0,7 В. По Uб-к подойдет любой, т.к. транзисторов с этим параметром меньше 2,7V не существует. По Uб-э обр. не имеет значения, т.к. переход б-э при таком включении в прямом направлении, а не обратном, и даже если бы был в обратном, то у подавляющего большинства транзисторов это напряжение 5 В. Требования к транзистору я уже написал - "лучше взять с усилением побольше", ничего другого не требуется.
Прежде чем ваять схему с транзистором, лучше сначала выполнить пару проверок:
- во включенном состоянии подключить между битым входом проца и питанием 2,7 амперметр и измерить ток утечки. Т.к. проводимость входа скорее всего нелинейная, то ток в таком режиме может в разы отличаться от того, какой он был бы при линейном сопротивлении 970 Ом. Измерение R было нужно только для поиска битого вывода, а для решения вопроса с доработкой нужен именно ток
- заодно при таком замыкании через амперметр нужно проверить, начнут ли работать другие кнопки, которые не на этом входе, а на других. Правда с подключенным прибором нажимать кнопки неудобно, поэтому вместо него можно временно припаять проводок или низкоомный резистор. |
|