| Автор | Сообщение |
|
www
|
БП Sony KV-25X3D шасси AE-4 кот залез на него и нассал. Промыл его(ТВ , в БП сдохли вых. 2SC4834 и 2SC2500. Заменил их и рядом. Сейчас запускается, но выдаёт вместо 150 - 100в .
На лампочку - 70в и все другие напруги также занижены.
Схемы нет (- ), куда идёт от первой ноги оптопары сигнал Proteck?

|
|
|
aleksr
|
| Случай такой былбимею в виду кота,Промыть Б/П спиртом предварительна разредив конденсатор фильтра.Так поимаю то срочная не пытается запустится.Потом если алез и написал,то плату кина промыть и проверить на наличие битоти р/а.Обратить внимаие на панельку кина-разрядники.Тщательно исследовать цепь 150В.,ну если на лампу включаем и напряженияве занижены,тогда смотрим и проверям возможные мест попадания кошачей шалости.Может придется что-выпать,для того чтобы смыть остатки похождений кота.Речь конеч пока идет о первичной цепи б/п. |
|
|
www
|
Всё от кота я удалил... Что там могло ещё вылететь когда сдохли выходные тр-ры ?
 |
|
|
www
|
| Скажите , этот БП на лампу должен 130в давать? и как проверить БП без оптопары ? |
|
|
max2002
|
"...куда идёт от первой ноги оптопары сигнал Proteck?"
Скорее не 'куда', а 'откуда'. Это собирательный сигнал. Формируется ключами на плате D. Туда входит и защита по превышению тока питания строки, и защита динамиков от постоянки и мож ещё чего (объединены по "или").
"Всё от кота я удалил... Что там могло ещё вылететь когда сдохли выходные тр-ры ?"
Да ничо больше не летит. Три транзистора и керамика. Остальное живёт себе дальше.
Сомнение вызывает вот это: "Всё от кота я удалил..." . Кошкина ссака такая въедливая, что уверенность какую-то можно иметь только если снять детали с платы и фрезернуть её сантиметра на полтора вглубь. Тогда ещё можно надеяться, что "Всё от кота я удалил...".
"Скажите , этот БП на лампу должен 130в давать? и как проверить БП без оптопары ?"
С конца: Без оптопары - считай - без защиты. Проверяй, но осторожно. (а что мешает поставить заведомо исправный?)
Насчёт лампы: Да, он стабилизирует именно 130В. Только померь у лампочки холодное сопротивление, чтобы при запуске перегрузка не случилась. У него хоть и есть защита по току, но спасает она через раз. Тем более, при включении без оптрона, эта защита отключена.
Удачи |
|
БЕЗЫМЯННЫЙ
Бегущий по граблям
Сообщения: 7608
|
| Чем "от кота" удалял? Как правило попытки использовать для этой цели растворители результата не дают. Помогает тока средство для мытья посуды в комплекте с кисточкой горячей водой и сушкой феном. У меня в аналогичном аппарате после кота сдох ТПИ. |
|
Lens
Завсегдатай
Сообщения: 396
|
|
kulek
Передовик
Сообщения: 1250
|
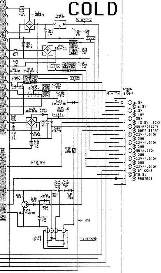
У тебя скорее всего мягкий запуск от отключается - обрати внимание на цепи "soft start".
POWER.jpg 75.19 КБ Скачано: 2229 раз(а)
|
|
|
www
|
В моем БП в отличии от схемы выше ещё 5доп. транзисторов (Q1600-Q1604,c114 ...). Заменил все - заработал.  |
|