| Автор | Сообщение |
Rostyk.07
Передовик
Сообщения: 2302
|
|
|
Эмиль Александр
|
| как уже писали в последних моделях с этим шасси стоят стабилитроны на 33v. |
|
|
B.B.
|
| Rostyk.07 писал: | | Заменил 5Q0765RT (дефект тотже). |
Неисправность появилась в результате замыкания стабилитрона
DZ803 и очевидно сама мс - исправна.
Попробуй вернуть ее на место. Стабилитрон этот стоит для защиты
мс по питанию и по любому должен стоять только 1вт.
Если замеры показывают 32в, то это нормально.
DZ805 - замени тоже на аналогичный. |
|
zarah
Не фанат форума
Сообщения: 9825
|
| Rostyk.07 писал: | | Питание 32В так и должно быть???? | Ты схему видел? Че спрашиваешь? |
|
Rostyk.07
Передовик
Сообщения: 2302
|
Zarah у меня пишет по схеме питания мс должно быть 27В??Сразу не заметил кто то поставил вместо R805 и R850 перемычку, поставил резюки сейчас стаб около 40-50 градусов.ТВ пока работает всё ОК.Стаб поставил на 1вт, 33в и МС на термопасту.Спасибо всем !!!Извините если затупил!!!!  |
|
zarah
Не фанат форума
Сообщения: 9825
|
| Rostyk.07, А "решать" кто будет? |
|
|
B.B.
|
Rostyk.07, резисторы должны быть, а иначе нет логики того стабилитрона.
Напряжение свыше 33в будет падать на тех резисторах. |
|
zarah
Не фанат форума
Сообщения: 9825
|
| В.В. писал: | | резисторы должны быть | А он шо их мерял может какой и поплыл. |
|
|
B.B.
|
| Rostyk.07 писал: | | кто то поставил вместо R805 и R850 перемычку, поставил резюки | Да вродебы поставил резисторы.
Вот почему он попал быстренько в ремонт.
Супермайстер ремонтировал  |
|
Rostyk.07
Передовик
Сообщения: 2302
|
B.B. его вроде по гарантии ремонтировали .Резисторы я поставил,ТВ на прогоне всё работает ОК!!! |
|
|
Ан-162
|
| B.B. писал: | Rostyk.07, резисторы должны быть, а иначе нет логики того стабилитрона.
Напряжение свыше 33в будет падать на тех резисторах. |
Извините, что поднимаю старую тему, но хотелось-бы дополнить информацию.
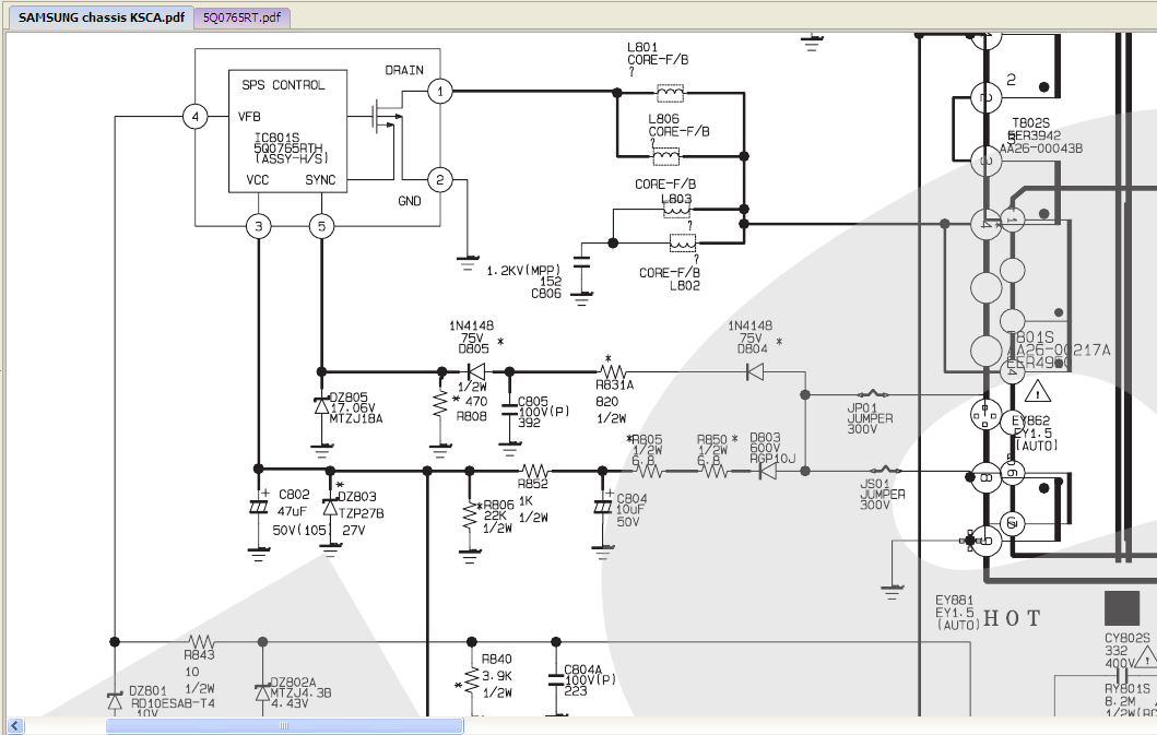
Сегодня менял 5Q0765RT в шасси KSCA - на плате с завода не установлены (но место есть) С804 и R806, а вместо R852, R805 и R850 запаяны перемычки. DZ803 на 27в.
После замены, на прогоне, измерил напряжение на С802 (VCC) - 20 вольт.
То есть завод изменил схему, и сервисники при ремонте по гарантии очевидно исправили по последним его рекомендациям.
Интересная кстати была неисправность: 5Q0765RT тихо умерла, перед этим, со слов владельца, после 10 минут прогрева ТВ стал отключаться. Остынет, опять работает минут 7-10 и отруб. А потом вообще перестал включаться.
Стабилитрону и диоду (D803) ноги поднимал - пофиг. Электролит в отличном состоянии, и емкость и esr и утечки нет.
При подаче питания от отдельного БП на выпаянную м/сх, при достижении 15в VCC ток потребления скачком увеличивается с 0,15 мА до 10 мА, то есть она запускается, а выходной ключ - молчок.
Screen2.png 104.34 КБ Скачано: 694 раз(а)
|
|
|
Rest Trop
|
Тоже добавлю, может кому пригодится:
После установки вместо перемычек резисторов R805 и R850 суммарное их сопротивление не должно превышать 10 Ом.
Иначе напряжения будут "гулять" и блок не запустится.
зы. стабилитроны на 27В (1Вт) можно выпаять из блоков питания ресиверов. |
|