| Автор | Сообщение |
goric
Завсегдатай
Сообщения: 653
|
| Samsung CS-29Z40ZQQ Ch. KS7C. состав процессор VCT49Х3F pyf 1 000на бирке, IME COP 1700..STR 6757, TDA6109J, LA78045, Телевизор включается, есть звук, есть служебная информация, есть телетекст. Нет изображения. С видео-выхода сигнал есть,каналынастраиваются через меню ,с видео входа тоже темный экран,добовляю ускоряющее появляется ЛОХ, и экран по очереди засвечивается, то красным , то синим цветом, на пушках 183в.,питание в норме, видеусилитея 210в ,менял прошивку, подкидывал рабочий кинескоп, увеличивал накал |
|
viktor_ramb
Сам себе начальник
Сообщения: 23835
|
| goric, остальные питания, на проце конкретно? |
|
answer
Передовик
Сообщения: 1884
|
| goric, ...с видео-входа..., вот и думай еще раз,(а прошивка то причем?) неисправность аппаратная. |
|
KRAB
Распугиватель клиентов
Сообщения: 21704
|
| goric писал: | | экран по очереди засвечивается, то красным , то синим цветом | - проц .... |
|
goric
Завсегдатай
Сообщения: 653
|
нашел точно такую проблему, но не решенную http://rc5.ru/forum/viewtopic.php?p=82781&sid=34fab2d9b58c4c7faecf0b7a09dedb27, смущает на 5н TDA6109 2.8в., когда убираю Q501 поднимается до 6.5в., транзистор менял, резисторы в норме , напряжение на нем странное Э-2.5В.,б-1.9в..к-0, питание 18в., есть, подскажите , что на нем должно быть


|
|
makeym
Фанат форума
Сообщения: 9737
|
Я так понимаю этот транзюк подвязан на 62 ногу проца Вход защиты, гашение выходных сигналов R.G.B |
|
goric
Завсегдатай
Сообщения: 653
|
| нет, сигнал с кол транзистора идет на 7,8,9, ноги проца, через резисторы , схема http://archive.espec.ws/section328/file13076.html, если ссылка не работает, копируйте , и вверхнее окно, тему поднимали на соседнем форуме, пару лет назад, заменил с донара все, что можно, но так и не решил проблему... |
|
makeym
Фанат форума
Сообщения: 9737
|
Странно причём здесь аудиовхода и пятая нога видео!

|
|
goric
Завсегдатай
Сообщения: 653
|
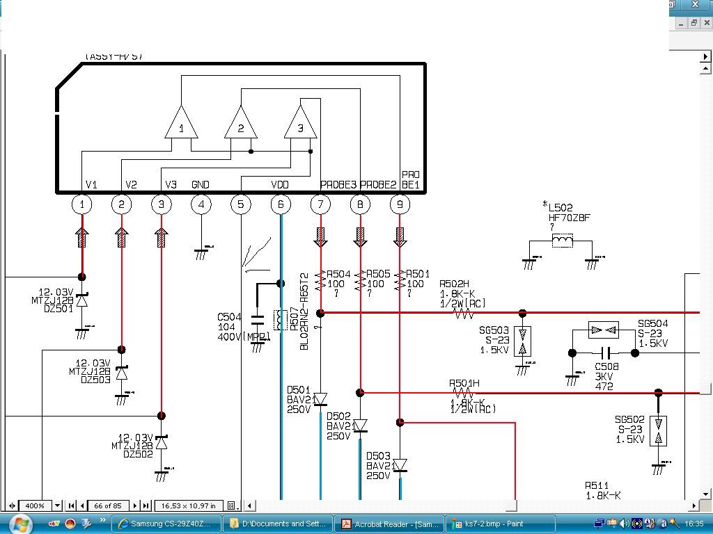
но по схеме так и выходит, 5н TDA6109 эм Q501, кол на 5к разъема ПК, и через R 222,223,224 на 7,8.9н проца
-3.jpg 107.2 КБ Скачано: 722 раз(а)
4.jpg 123.68 КБ Скачано: 647 раз(а)
ks7.jpg 120.22 КБ Скачано: 673 раз(а)
ks7-2.jpg 117.91 КБ Скачано: 646 раз(а)
|
|
makeym
Фанат форума
Сообщения: 9737
|
|
makeym
Фанат форума
Сообщения: 9737
|
Щас глянул шась лыжный MC-49B - там в принципе схема включения та-же, тока микра в другом корпусе (зеркальное расположение ног )

|
|
goric
Завсегдатай
Сообщения: 653
|
| я уже понял, что схема включения в корне отличается, от той что в справочном материале, так , что может блокировать видео,- на выходах R, G, B сигналов, 14-17н, по 4.5.в.,, и какое напряжение должно быть по Вашему рисунку на 80-82нн, у меня почти 0 на них(7-9нн) |
|
makeym
Фанат форума
Сообщения: 9737
|
|
goric
Завсегдатай
Сообщения: 653
|
| поменял проц, таже петрушка, на MC-049, такая проблема есть, когда по АВL, рвется резистор, или кондер течет, но как в этом шасси АВL организовано |
|
KRAB
Распугиватель клиентов
Сообщения: 21704
|
| Подобное есть в аппаратах из-за ЕЕПРОМ ... проверь ка шины и подтяжки внимательно. |
|