| Автор | Сообщение |
mileshca
Передовик
Сообщения: 2513
|
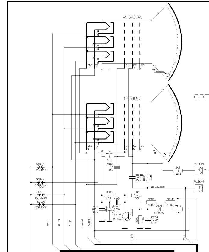
Шасси 11AK37-11 состав ST92195C3B1/0BC -проц, STV2248C -видео , STV9306 -кадры ,TDA7269A -УНЧ.Проблема в следующем, собрал его до кучи , теперь есть 2 вопроса, 1-й по корекции , диод d662 , должен стоять или нет? место под него имеется но есть следы его выпаивания, но цепь после него отсутствует, 2-й именно по ПК , есть разьем PL908на схеме его нет) далее идет D914 и С912 (в схеме нет) у меня есть, к нему идет провод в общем жгуте(на разьем PL908 один провод на PL902 . На шасси я не вижу одиночного разьема , понимаю что шасси могли быть разной компановки, у кого есть на столе данное тело помогите с решением, попал после гения ремонта, вместо кдров стояла SТV5112(видео усилитель) вместо FBT 1342.0049В стоял 1342.0006В( разница в питании кадровой по напруге)
ДОБАВЛЕНО 18/04/2013 12:05
схему брал сдесь же на сайте, вот тут http://monitor.espec.ws/section1/printview153169.html
2013-04-18_110344.png 35.29 КБ Скачано: 441 раз(а)
2013-04-18_110326.png 33.71 КБ Скачано: 425 раз(а)
|
|
JYRIJJ
Спец-агент
Сообщения: 4741
|
mileshca,| Цитата: | | есто под него имеется но есть следы его выпаивания, но цепь после него отсутствует, | Какая цепь отсутствует?
ДОБАВЛЕНО 18/04/2013 11:41
| Цитата: | | На шасси я не вижу одиночного разьема | Возле тюнера смотрел? |
|
KRAB
Распугиватель клиентов
Сообщения: 21704
|
http://remont-aud.net/forum/22-29019-1
| mileshca писал: | | диод d662 , должен стоять или нет? | - а ты дай схемы фрагмент.
Мне вот интересно - на ПК и 10-ка проводо не наберертся ... такой аХтуальный вопрос получается ... Ты фото дай и схемы - я посмотрю, хоть посмеюсь с утра.  |
|
JYRIJJ
Спец-агент
Сообщения: 4741
|
|
mileshca
Передовик
Сообщения: 2513
|
KRAB, Б-Я да разобрался я с проводами разьем PL908 там 1 провод и идет на диод D914 (1т4007) и емкость c912 25в 220 мкр, на самом шасси нет разьема под провод(штырька)
ДОБАВЛЕНО 18/04/2013 14:56
я юзаю схему скаченну на этом сайте, ну нет там этих элементов, блин Руся я ламер ,но не такой блин, я все востановил ВАНО прислал запчасти, вышло в 40 баксов, блин что за провод хер его знает, попробую батарейки зарядить и сфоткать
ДОБАВЛЕНО 18/04/2013 15:07
все нашел, на шасси разьем PL804 в схеме тоже не указан а подает 8в на ПК |
|
KRAB
Распугиватель клиентов
Сообщения: 21704
|
| mileshca писал: | | вышло в 40 баксов | - что же ты там на эту сумму наменял? |
|
KRAB
Распугиватель клиентов
Сообщения: 21704
|
| mileshca писал: | | есть разьем PL908на схеме его нет | + | mileshca писал: | | с проводами разьем PL908 там 1 провод и идет на диод D914 (1т4007) и емкость c912 25в 220 мкр, на самом шасси нет разьема под провод(штырька) | === ты звонил - просил на спор - "кушайте с аппетитом" ... слюнявчик дать?
ЗЫ: сколько мне потребовалось времени?! 

|
|
mileshca
Передовик
Сообщения: 2513
|
| KRAB, дай ссылку на схему, у меня как видиш его нет, да , но нет там 8в обозначения, ну просто нет, на моей схеме ваще разьема такого нет |
|
JYRIJJ
Спец-агент
Сообщения: 4741
|
|
mileshca
Передовик
Сообщения: 2513
|
JYRIJJ, подними глаза, я даже ссылку дал, там и схема и мануал есть, просто в моей схеме не было данных деталей вот и все, завтра займусь графикой и сервисом, и на этом думаю закончу, , если помните то!! в шасси 11AK30 к примеру, то что описано на м-ре, так там вообще в строке указаны транзисторы как НОТ так и пред выходной не составные, так что вот так примерно,
ДОБАВЛЕНО 19/04/2013 00:07
так что случаи разные и ошибки в схеме могут быть, и если прошу помощь это не значит что надо унижать и осколрблять человека |
|
KRAB
Распугиватель клиентов
Сообщения: 21704
|
| mileshca писал: | | на этом думаю закончу | - или только начнешь?  |
|
mileshca
Передовик
Сообщения: 2513
|
| KRAB, все! яд закончился? или тока во смак вошел? |
|
aze1959
Распугиватель "гениев"
Сообщения: 6574
|
mileshca, шасси 11AK... выпускается под разными брэндами. и есть некоторые изменения как на принципиальной схеме так и на плате. я в таких случаях не ленюсь и скачиваю несколько схем.
у тебя брэнд какой? Rainford
а ты скачивал? Vestel и Horizont. Ну и? |
|
mileshca
Передовик
Сообщения: 2513
|
aze1959, да я не ленился, я востанавливал шаси полностью фактически, сменил ВБТ кадровую снятые детали в питателе и нот тоже, счас нет графики , вот буду разбираться, я в курсе изменений в схеме, а если и спросил, так нет чтобы помочь так надо вообще поиздеваться, достал армейский режим, нет лучше в-ща чем очко товарища, настроения напрочь нет
ДОБАВЛЕНО 19/04/2013 00:35
aze1959, какая разница в бренде? шасси все одно вестел!!! даже в тех же 3 УСТЦ , разница между березкой и электроном была в СВП к примеру, в березе свп в электроне УСУ -1-15-1, |
|
JYRIJJ
Спец-агент
Сообщения: 4741
|
mileshca,| Цитата: | | JYRIJJ, подними глаза, я даже ссылку дал, там и схема и мануал есть, просто в моей схеме не было данных деталей вот и все | Это ты подними глаза Я тебе дал то что ты просил у КРАБА ( НЕДОСТАЮЩИХ ДЕТАЛЕЙ)  |
|
aze1959
Распугиватель "гениев"
Сообщения: 6574
|
| Цитата: | | aze1959, какая разница в бренде? шасси все одно вестел!!! |
mileshca, ошибаешься. Есть разница. Ты просто этого не замечал потому что не занимался этим. Я вот допустим собрал базу на своём форуме по CRT JVC около тысячи схем(!). И многие шасси вроде как дублируются. Вроде как... потому что даже состав может быть другим, не говоря уж о мелких изменениях в схеме. в следующий раз учитывай это. |
|
KRAB
Распугиватель клиентов
Сообщения: 21704
|
| mileshca писал: | | во смак вошел? | ----- я если "войду" - то ремонт сразу закончишь ... очень быстро я знания "вправляю"
| aze1959 писал: | | не замечал потому что не занимался этим | ------ вот тут ты прав ...
| mileshca писал: | | разница между березкой и электроном | - если бы бабушка была дедушкой ...  |
|
eduard2
Модератор
Сообщения: 4783
|
KRAB, | KRAB писал: | | если бы бабушка была дедушкой ... | так та и была в городах где их клепали -шоу довгоносиков продолжается | aze1959 писал: | у тебя брэнд какой? Rainford
а ты скачивал? Vestel и Horizont. Ну и? |
вот и разница Rainford - клепают а Днепропетровке а ,что туда засунут какое шасси китаёзное или турков без разницы- как до ЗАДницы- ксате тоже разница между ног бывает  |
|