| Автор | Сообщение |
|
z.q.
|
состав:
CPU - IX1629BM (SAB-C161K-L16Q)
EPROM - M27C2001
Memory - 24C08
Video - TDA8844
Sound - TDA7480
Tuner - RTUNH0123BM (CTT 5020N
HOT - BUH515
RGB Amp tda6107q
power K2605
попался сгоревшии тв шарп(пошёл в разнос) сгорели : транзистори-q701 K2605.строчник-BUH515. маломошние-Q702 Q703 Q706 Q707 -C337.
микросхемы-TDA6107Q и звуковые-TDA7480.
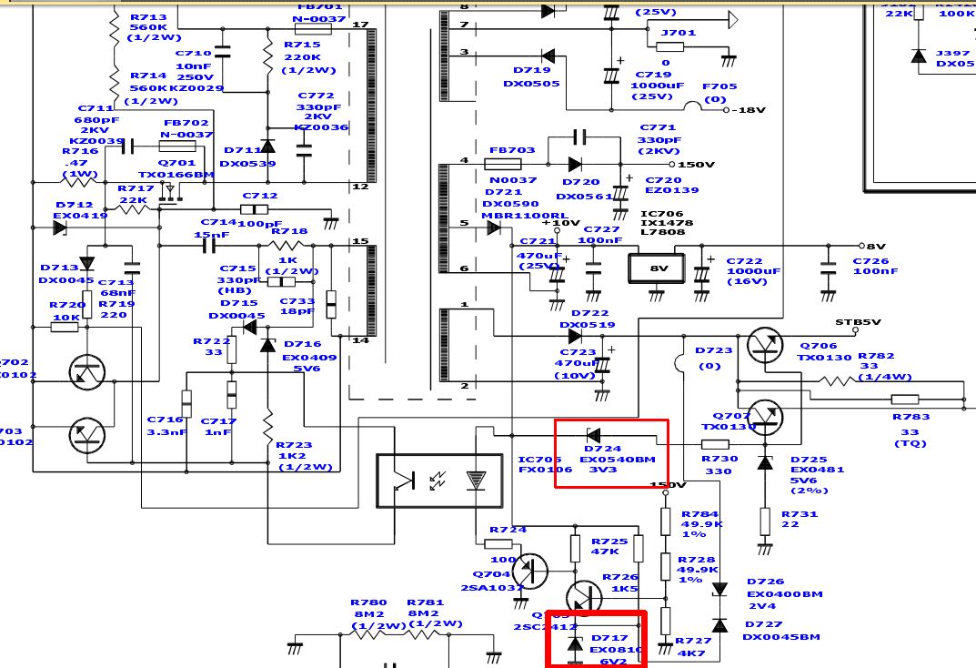
резистори-R617-180. R722-33. R782,R783-33. и диоди-д712 стабилитрон 15в(наверное).д715 DX0045.всё ето я заменил. вместо д715 я поставыл обикновенний диод(не смог разобратся). при вкл сразу дымитR724-100.напруги не могу проверит. я грешу на д715. прошу подскажите номинал етого диодаDX0045 по схеме.
70ES--03_04S.pdf 197 КБ Скачано: 1108 раз(а)
|
|
ut3eo
Завсегдатай
Сообщения: 928
|
| z.q., R724 при 10в(по схеме) дыметь не должен. Проверяй , что выдаёт БП и исправность цепей питания оптрона. Диод непричём. Это шасси надо начинать ремонтировать с проверки ESR-ом. |
|
|
z.q.
|
| да я оптрон тоже заменил MOC 8105 на CNX82A, |
|
JYRIJJ
Спец-агент
Сообщения: 4741
|
z.q.,
Зря!
| Цитата: | | прошу подскажите номинал етого диодаDX0045 по схеме. | Ставь 1N4148
Стабилитроны проверь
ДОБАВЛЕНО 01/04/2013 20:19
z.q., БП сколько выдаёт?
Буфер обмена01.jpg 143.43 КБ Скачано: 500 раз(а)
|
|
|
z.q.
|
не могу проверит напруги, боюсь опять всё сгорит. завтра придумаю чтонибудь.
ДОБАВЛЕНО 01/04/2013 23:13
стабилитрони проверял. звонятся нормально. попробую заменить. |
|
ut3eo
Завсегдатай
Сообщения: 928
|
| z.q. писал: | | не могу проверит напруги, боюсь опять всё сгорит. |
Отключи строчку и ремонтируй БП, скорей всего он идёт "в разнос". |
|
|
JEMALVIDEO
|
| диод не причиом потому что ето информация о нагрузке. в таких цепиах не бивает стабилитрон. 214 ое сопротивление в обвиазке оптрона, ето какраз регулировка напряжения тут по осторожнее. сначало оптрон меняи. |
|
Юрий 72
Передовик
Сообщения: 1397
|
| Параллельно фототранзистору в оптроне подпаяй резистор 10kOm и повышай постепенно. Меряй напряжения на выходе БП на кондерах. |
|
moroz-1963
Завсегдатай
Сообщения: 642
|
z.q.,А резистор в цепи стока ключа БП 047ома, заменил ? Твоя проблема решаеться за 10минут? Нужно при помощи ГЕНЕРОТТОРА разделить ИБП на проблему "Горячей" или "Холодной" части?
Tы меня конечно извени, но про эти SHARP 70ES-03S уже мемуары написано? Воспользуйся поиском и ты свою проблему решишь. Давай не падай духом удачи |
|
|
z.q.
|
| moroz-1963, да резистор 0.47 я менял, но етот ящик у меня пока всторону стойт. когда сделаю обезательно напишу в чём было проблема. |
|
|
z.q.
|
| ut3eo, да вместо 150в на выходе было 450в. заменил q702-q703. bc337 на bc548. бп заработаль. но нет запуска строки. тоест он пытается запустится(слишен маленький шелчок) и опять в дежурку. напряжения 150в в норме(при шелчке он уменьшается до135 на секунду) думаю bc548 неудачная замена. попробую найти родние bc337. |
|
|
andrea63
|
| б.питания остав-ищи по вторичке что снесло(кадр.звук..пров трафо) |
|
ut3eo
Завсегдатай
Сообщения: 928
|
| z.q. писал: | | напряжения 150в в норме |
А остальные? 8в., 5в.? Если эти стабилизаторы не выдержали троекратного перенапряжения, то дела твои плохи  |
|
|
z.q.
|
| ut3eo писал: | | z.q. писал: | | напряжения 150в в норме |
А остальные? 8в., 5в.? Если эти стабилизаторы не выдержали троекратного перенапряжения, то дела твои плохи  | остальние тоже.
ДОБАВЛЕНО 08/04/2013 07:04
andrea63, tda6107q. tda 7480. с кадром всё в порядке. |
|
JYRIJJ
Спец-агент
Сообщения: 4741
|
z.q., | Цитата: | | думаю bc548 неудачная замена. попробую найти родние bc337. | Правильно думаешь
И ещё - старайся в испанцах ставить родные детали! SHARP заменителей не любит  |
|
|
z.q.
|
поставил BC337 всё также  |
|
moroz-1963
Завсегдатай
Сообщения: 642
|
z.q., Так та не ответи на вопросut3eo, А остальные? 8в., 5в.? На входе 7808 какое присутствует напяжение?
И не мешало бы проверить емкость С713 на 68 нан которая стоит в измерительной цепи стока полевика и связана с оптопарой, |
|
|
z.q.
|
| moroz-1963, 7.6 и 4.6 вместо 8и5. на входе 7808 9.3в |
|
moroz-1963
Завсегдатай
Сообщения: 642
|
| z.q., мало должно быть 13в |
|
|
z.q.
|
| поменял кондёр с713 поставыл 68 нан. как по схеме. теперь вместо 150в на выходе 95в и все остальние напруги тоже занижени. наверное там дольжно быть 6.8нан а не68. родной кондёр без надписи и при проверке тестером показывает около 7 нан. |
|