| Автор | Сообщение |
|
Сергей Блинов
|
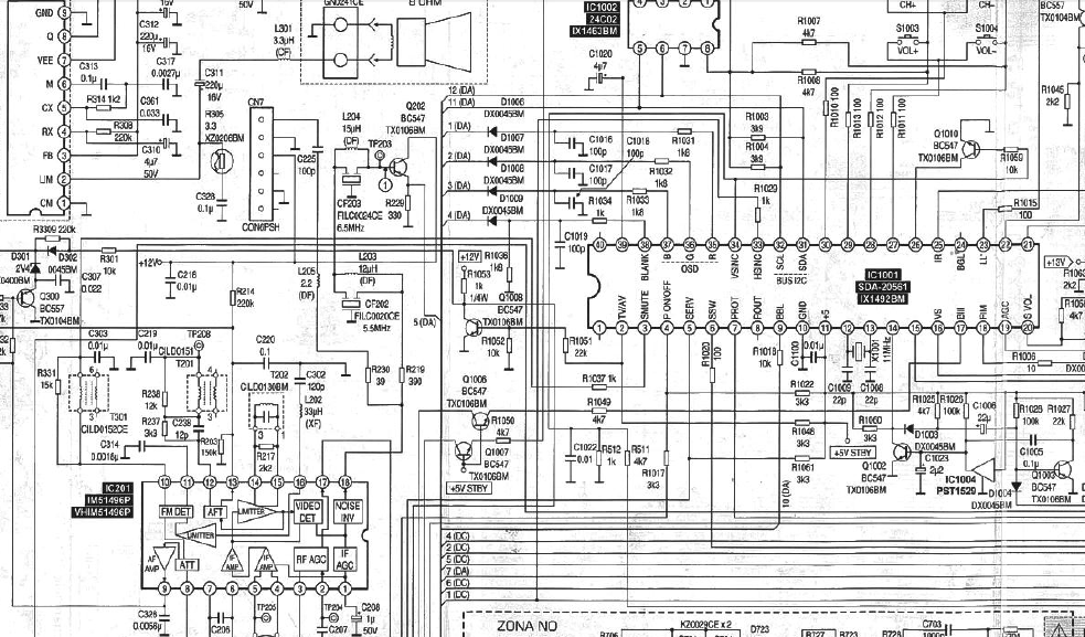
Шипит звук по ВЧ, по видео всё ОК. Перепаивал фильтры на 6.5 Всё также. Можно было б допаять недостающие элементы, как в 5450, но что такое CN2 в схеме??? Вообще дайте наводку. В 72DS-18,знаю, прилеплена схемка с фильтром 6.5 на вроде 59 ногу проца. А тут я не пойму, чё сделать... На фото ещё какойт фильтр 4 ногий... Возможно есть отличия меж T6.5A и T6.5B
| 2014-06-25_171938.png |
| Описание: |
|
| Размер файла: |
481.65 КБ |
| Просмотрено: |
556 раз(а) |

|
S3B Ch_DV-5450SC_sch_.pdf 2.25 МБ Скачано: 565 раз(а)
2014-06-25_1720372.png 82.4 КБ Скачано: 400 раз(а)
|
|
STIPLER
Халтурщик
Сообщения: 5865
|
Фильтр ПАВ (после тюнера) тоже менять надо.А что,конвертор не проще воткнуть?
CN2 судя по всему есть место под разъём как раз конвертора. |
|
валентин-сибиряк
Фанат форума
Сообщения: 9057
|
А УПЧЗ- -никак?  |
|
viktor_ramb
Сам себе начальник
Сообщения: 23835
|
Сергей Блинов, | Цитата: | | Возможно есть отличия меж T6.5A и T6.5B |
"Т" - это фильтр-пробка, полосовой фильтр это "SFE" ! ПЧ 38.9 или 38 МГц ? |
|
STIPLER
Халтурщик
Сообщения: 5865
|
Исправил, херню перед этим написал. С 18 ноги микросхемы IC201идёт видео или ПЧ звука? Похоже,что видео.Таким образом,CF202 иCF203 фильтры надо поставить обратно,а CF301 поставить рыжий SFE6,5.
 |
|
VOLOCHA
Завсегдатай
Сообщения: 772
|
| Сергей Блинов писал: | | С 18 ноги микросхемы IC201идёт видео или ПЧ звука? Похоже,что видео.Таким образом,202 и203 фильтры надо поставить обратно |
Да,видео........верно...
| Сергей Блинов писал: | | а 301 поставить рыжий SFE6,5. |
Не пойдет,будет звук тихий и с шумами.....
Вернуть все назад родное.........
В таких случаях всегда ставил конвертер (лучше 4-х контурник).......  |
|
валентин-сибиряк
Фанат форума
Сообщения: 9057
|
| Сергей Блинов писал: | | но что такое CN2 в схеме??? |
Наверно это,
смотри ниже основной схемы,там качество получше.

|
|
STIPLER
Халтурщик
Сообщения: 5865
|
| VOLOCHA писал: | Вернуть все назад родное.........
В таких случаях всегда ставил конвертер (лучше 4-х контурник).......  |
Если ставить такой конвертор,звуковой фильтр лучше удалять,так как чистый сигнал с конвертора мешается с помехой от "родной" схемы. И исправь ник "цитируемого"  |
|
|
Сергей Блинов
|
Про УПЗЧ я ранее читал, - но тут ж в схеме нет проца звукового...
Вот про конвертор, - есть ли готовые??? Или сборку делать??? Поясните. Но с рыжым фильтром попробую для эксперемента. |
|
STIPLER
Халтурщик
Сообщения: 5865
|
|
БЕЗЫМЯННЫЙ
Бегущий по граблям
Сообщения: 7608
|
Чегой-то смотрю я в схему и про фильтры и конвертеры не совсем понимаю: у M51496 вход ПЧ звука 16 нога и фильтра по ней я на схеме не вижу, 10 нога - контур детектора звука (LC а не ПАВ). CF202 и CF203 заградительные фильтры по видео, от них звук вроде не зависит. И из начала темы непонятно было изначально в этом ящике 6.5 или нет.
http://pdf1.alldatasheet.com/datasheet-pdf/view/875/MITSUBISHI/M51496.html |
|
|
Койково
|
T6.5A и есть SFE фильтр, хотя и буква T - это CF301.
Сергей Блинов, тебя за SF201 спрашивают какой стоит?
Оптимальный вариант поменять после тюнера ПАВ и конвертер простенький на кварце или 1 контуре.Можно и УПЧЗ впихнуть благо УНЧ регулируемый и естественно четырёх контурный конвертер.БЕЗЫМЯННЫЙ, тоже не чего не понимаю,что -то схема совсем не совподат. |
|
STIPLER
Халтурщик
Сообщения: 5865
|
| БЕЗЫМЯННЫЙ, А ты не в схему, а на третье фото посмотри. А по схеме 16 - явно не вход,так как через L202 и C302 сидит на корпусе. |
|
БЕЗЫМЯННЫЙ
Бегущий по граблям
Сообщения: 7608
|
| STIPLER, ну посмотрел, не полегчало, микросхемы то не видно. То что на схеме "16-явно не вход", так это имхо оставьте при себе. На другой схеме конкретно видно что на 16 ногу идет SFE, а детектор все равно LC. Так что либо один стандарт с перестройкой контура и скорее всего с заменой фильтра, либо конвертор и скорее всего тоже с заменой фильтра. |
|
STIPLER
Халтурщик
Сообщения: 5865
|
| БЕЗЫМЯННЫЙ писал: | | один стандарт с перестройкой контура и скорее всего с заменой фильтра |
Наоборот: с заменой фильтра, и скорее всего перестройкой контура. И нах там B/G нужен будет?! |
|
БЕЗЫМЯННЫЙ
Бегущий по граблям
Сообщения: 7608
|
| STIPLER, я имел в виду с заменой sf201, про замену SFE вменяемому мастеру объяснять не надо. |
|
STIPLER
Халтурщик
Сообщения: 5865
|
| STIPLER писал: | Фильтр ПАВ (после тюнера) тоже менять надо.А что,конвертор не проще воткнуть?
CN2 судя по всему есть место под разъём как раз конвертора. |
БЕЗЫМЯННЫЙ,я об этом сразу писал,см. выше
А при установке конвертора его вход лучше подключать к ноге IF тюнера,чем к выходу фильтра,таким образом при установке конвертора замена входного фильтра не требуется. |
|
viktor_ramb
Сам себе начальник
Сообщения: 23835
|
STIPLER, | Цитата: | | А при установке конвертора его вход лучше подключать к ноге IF тюнера,чем к выходу фильтра,таким образом при установке конвертора замена входного фильтра не требуется. |
Не конвертера, а параллельного канала звука, и ясный пень что у него свой фильтр на входе, который должен соответствовать частоте ПЧ. |
|
БЕЗЫМЯННЫЙ
Бегущий по граблям
Сообщения: 7608
|
viktor_ramb, о терминах параллельный и квазипараллельный спроить не будем?  |
|
|
Сергей Блинов
|
Изначально стояли 5.5 сёдня откопал вроде похож на конвертор, пробовал и с рыжим 6.5 и с синим звук шипит. В схеме шарп54 с таким шасси нет ваще CF301 С конвертором отсоед CF301, добавил по схеме от54 телека недостающие детали. Пока слеп, как котёнок. CF203 6.5 202 - 5.5 в конверторе 5.5 Фотки не могу уже добавить.
ДОБАВЛЕНО 27/06/2014 00:18
АААААААААААААА. понял завтра посморю SF201 - уже сегодня
ДОБАВЛЕНО 27/06/2014 00:21
Ещё раз поясните на IF тюнера тыкать конвертор иль на 1 контакт CN2 ??? |
|