| Автор | Сообщение |
RV6FT
радиолюбитель
Сообщения: 804
|
http://monitor.espec.ws/section1/topic126710.html вот этот динозавр
Toshiba 218D7S1 - нет запуска,питание +В 113в 12в и 5 вольт есть
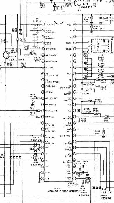
на 6 ноге M50436-589SP ноль ,принудительно подав туда 5 в телек включается,есть растр только с шумами,нет ни OSD нет переключения каналов,кварц 4 мгц и его обвязку менял.
5в на 52 ноге есть M50436-589SP
Что еще проверить ?
M50436-589SP.jpg 51.44 КБ Скачано: 628 раз(а)
|
|
Joiner
Фанат форума
Сообщения: 3612
|
| RV6FT писал: | ...
Что еще проверить ? | Со слов клиента ящик ни с того, ни с сего... или тут вдруг пропало лектричество и т.д. Как аппарат загнулся? |
|
RV6FT
радиолюбитель
Сообщения: 804
|
| Joiner, со слов клиента иногда был такой знак на экране как буд то его кто то переключал на AV |
|
Joiner
Фанат форума
Сообщения: 3612
|
| RV6FT писал: | | Joiner, со слов клиента иногда был такой знак на экране как буд то его кто то переключал на AV |
Ну на клаву похоже. Загаженную тараканами. Промой на всякий случай всю шаську. |
|
RV6FT
радиолюбитель
Сообщения: 804
|
Поднял я все диоды которые связаны с кнопками,не включается,запаял все как было,и он включился,дефект пропал,ни на сутук,ни на что не влияет,дефект не найден
включаю выключаю,работает,гоняю |
|
RV6FT
радиолюбитель
Сообщения: 804
|
Снова у меня на столе такой же Toshiba 218D7S1 , не реагирует ни на кнопки ,ни на пульт ,включается,как он стоял на первом канале так и стоит,звук,изображение,все в цвете все в норме,ни какие кнопки не действуют,но иногда все работает.и пульта слушается,все переключается, пропаял проц M50436-589SP и его обвязку,не помогает.
Такой дефект был уже, http://monitor.espec.ws/section1/topic93031.html
но решения нет,не не думаю что проц так может себя вести,кнопки отключал,проверял на замкнутость
да кварц менял |
|
Yuritsh
Фанат форума
Сообщения: 18498
|
|
RV6FT
радиолюбитель
Сообщения: 804
|
| Yuritsh, нет такой памяти,не менял |
|
igorasrex
Завсегдатай
Сообщения: 635
|
| RV6FT писал: | | кнопки отключал,проверял на замкнутость |
Очень часто когда текут, эта проверка ничего не показывает. Надо измерять напряжение на них.
На шине кнопок у проца. |
|
RV6FT
радиолюбитель
Сообщения: 804
|
| igorasrex, согласен с тобой,но в моём случае вот он стоит включеный на первой программе ,и все ни куда не преключить,и не добавить громкости, диоды по кнопкам отпаял,поднял, импульсы на 5 ногу с фотоприемника приходят |
|
валентин-сибиряк
Фанат форума
Сообщения: 9056
|
Yuritsh тебе уже сказал про память.Тебе попалось 2 таких тела,наверняка попадётся ещё один  |
|
VStar47
Завсегдатай
Сообщения: 829
|
Просто заменить С832 и С835,СА24 и СА03 - на новые ? Проверить уровень пульсаций напряжения на шине +5V.
Если не работают кнопки на клаве и цепи с кнопками - исправны, еще раз заменить кварц и потом микроконтроллер ? |
|
RV6FT
радиолюбитель
Сообщения: 804
|
валентин-сибиряк, в наличии нет такой IX0715CE ,она питается +4.7в это первавая нога и -30в вторая нога, я отключал эти питания , телек совсем не включаеттся.
VStar47, литы поменял,результата нет , да без кварца включал , включается через секунды две,и нет ни звука не изображения,просто шумы, получается кварц работает,генерит... |
|
VStar47
Завсегдатай
Сообщения: 829
|
datasheet M58655P
- рекомендованные значения напряжений, min:
1н .......... +4,75V
2н ......... - 32,2V |
|
VStar47
Завсегдатай
Сообщения: 829
|
Проверяй стабилизаторы:
- на эмитторе Q834 д.б. не меньше -32,2V;
- на эмитторе Q835 д.б. не меньше +5V.
По очереди отключи 1н ICA03 и 52н ICA01,- узнаешь какая МС перегружает стаб. +5V и какую МС нужно менять.
На шинах +12V и +112V напряжения тоже занижены ? Сколько на коллекторе Q830, L832(на правом выводе) и на выводах Q835?.
Может сопротивления R845 - R847 больше указанного номинала? Сделай замеры, может что-то прояснится и обойдется без замены IC. |
|
RV6FT
радиолюбитель
Сообщения: 804
|
VStar47, да на базе Q834 там стоит стабилитрон ,было -31, а на эмитере -30.5в .
я даже пятивольтовую кренку подпаивал в место родного стабилизатора, дело не в этом,
VStar47, спасибо за советы! его можно перевести в режим AV закоротив 37 ногу на массу ,а так клиент смотрит первую программу на нем ,кухоный телевизор
Yuritsh, отдал я его без ремонта,прошу тему переместить в корзину,или удалить. |
|