| Автор | Сообщение |
|
AngryGnoM
|
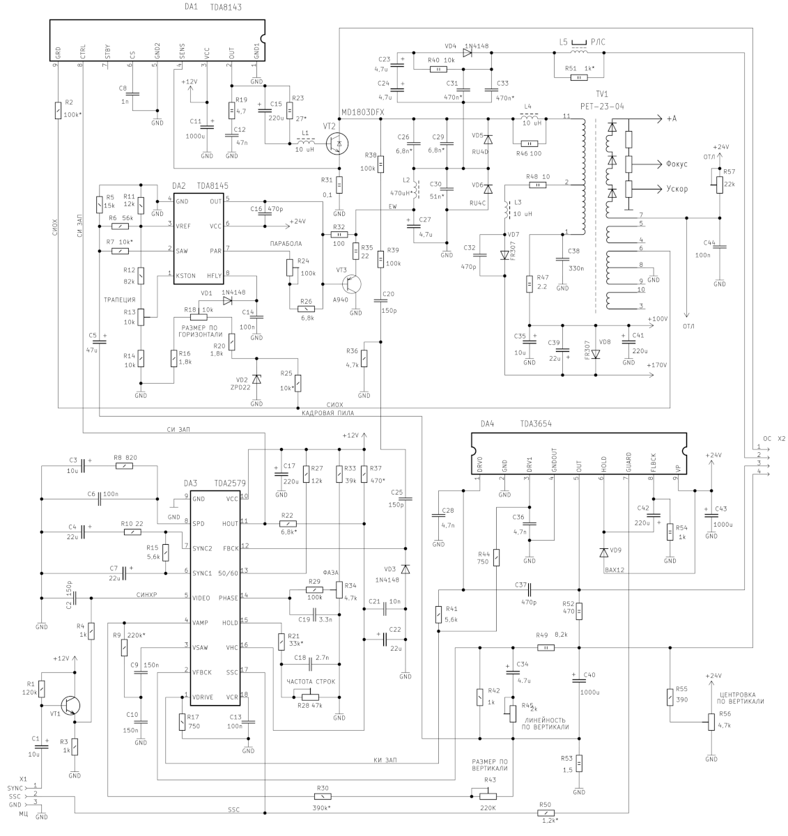
Имеем кинескопный игровой автомат, развёртка в котором построена с нуля взамен отсутствующей. Схема прилагается. Путём раскуривания даташитов всё более-менее работает хорошо. Есть вопрос с ограничением тока лучей. Хотелось бы сделать коррекцию геометрии при перепадах яркости. Это можно сделать для вертикали изменением тока на 4 ноге TDA2579, для горизонтали как-то через управление TDA8145.
Насколько я понимаю, напряжение пропорциональное току лучей снимается с конца анодной обмотки ТДКС, который смотрит конденсатором на землю. А подтяжка напряжения сверху определяет порог срабатывания. Замеряя напряжение в этой точке я вижу его изменение при изменении яркости на милливольты. Помнится в 3УСЦТ уровень ОТЛ был более ощутимым, но там оно снималось с умножителя - я в этом плане с ТДКС менее опытен. Не уверен, кстати, насчёт аквадага кинескопа: его надо подключать к земле или к концу анодной обмотки? Посоветуйте, пожалуйста, как лучше организовать коррекцию по току лучей.
| fly1.png |
| Описание: |
|
| Размер файла: |
255.86 КБ |
| Просмотрено: |
191 раз(а) |

|
|
|
БЕЗЫМЯННЫЙ
Бегущий по граблям
Сообщения: 7608
|
| AngryGnoM, что то не совсем понятно чего добиться пытаетесь. Если пляшет размер и меняется геометрия при изменении средней яркости, то бороться с этим надо не корректируя геометрию, а добиваясь стабильного напряжения на присоске. Если по какой то причине оно проседает при скачках яркости то размеры увеличиваются. |
|
|
AngryGnoM
|
| БЕЗЫМЯННЫЙ писал: | | AngryGnoM, что то не совсем понятно чего добиться пытаетесь. Если пляшет размер и меняется геометрия при изменении средней яркости, то бороться с этим надо не корректируя геометрию, а добиваясь стабильного напряжения на присоске. Если по какой то причине оно проседает при скачках яркости то размеры увеличиваются. |
При чём тут напряжение на присоске? Я же чётко сформулировал вопрос про корректную работу ОТЛ при использовании ТДКС. Размер не пляшет - он незначительно меняется с изменением яркости - просто при статических картинках с текстом это бросается в глаза. Вспомните схему 3УСЦТ - там уровень с умножителся шёл в EW-корректор и кадровую развёртку для стабилизации размеров. |
|
|
Vishne-aleksandr
|
Нужно добавить диод параллельно конденсатору C44 анодом на корпус, как, например, на схеме телевизора JVC. Схему прилагаю.
56055sch.pdf 258.96 КБ Скачано: 150 раз(а)
|
|
|
AngryGnoM
|
| Vishne-aleksandr писал: | | Нужно добавить диод параллельно конденсатору C44 анодом на корпус, как, например, на схеме телевизора JVC. Схему прилагаю. |
О, спасибо, товарищ! Действительно: просмотрев некоторое другие схемы, обнаружил там диод. Какую роль он играет? И правильно ли я понимаю, что сигнал, снимаемый таким образом с ТДКС в десятки раз ниже того, что идёт с умножителя в привычной схеме от 3УСЦТ? |
|

|