| Автор | Сообщение |
MIG
Завсегдатай
Сообщения: 679
|
Шасси PW1676-1
Проц.: PCA84C440P/401
БП : SDH209B + 2SC4237
Мужики, долго я его мучил, но вижу без помощи, похоже, не обойтись.
Пришел с сгоревшим диодным мостом и силового тр-ра в БП. Заменил, на всякий случай подкинул и кондер 100,0/50в( по схеме 470,0/16в, ставил и такой); БП запускается но как-то странно: не сразу после вкл.(кнопкой), а через неск. секунд, может пару минут простоять (о чем-то думать). После вкл. БП запускается, но +В, при этом не превышает +20в.
Детали все проверил в БП, монтаж пропаял, заменил м/сх, но изменений нет. Когда хочет – тогда и включается. На простукивание не реагирует.
Подскажите, что может быть причиной такой работы БП.
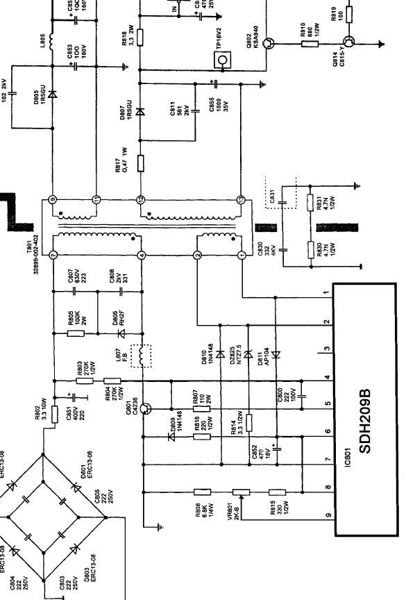
Родной схемы не нашел, но вот эта подходит.(обозначения только не соответствуют)
БП на SDH209B.jpg 67.32 КБ Скачано: 4055 раз(а)
|
|
Oлег
Модератор
Сообщения: 3983
|
C853 заменой пробовал, и сам диод тоже заменой проверь.
Попробуй всё-же вместо 100 мкф (С852) Поставить 470. |
|
БУНЯ
Верный друг сайта
Сообщения: 6874
|
| С852 -это стоит в цепи питания SDH209B, чем больше ёмкость, тем лучше. А вот элементы обратной связи, не помешало бы заменить, D810, DZ 825, R 814, так же проверить ТПИ на короткозамкнутые витки. |
|
MIG
Завсегдатай
Сообщения: 679
|
| Да, забыл написать, что последующие запуски, после первого – безпроблемные. Но стоит ему постоять часа три-четыре выключенным (кнопкой) – как проблема повторяется. |
|
Валов Юра
Завсегдатай
Сообщения: 449
|
| Подкидывай все литы в БП. И по вторичке тоже. |
|
Руслан
Передовик
Сообщения: 2089
|
| Алхимик, Так тоже может вести себя сетевая банка ,менял???? |
|
|
Vladyk
|
Ну и наконец может сама SDH209B. Может ключ фуфло. Два резистора R803 и 804, или L807 если он есть, и D805, C807, C808. VR801 и его цепь. Все больше там ничего нет.  |
|
MIG
Завсегдатай
Сообщения: 679
|
| Замена R803 и R804 (на один 380к) похоже дала результат. Утвердительно можно будет сказать после ночи простоя. |
|
MIG
Завсегдатай
Сообщения: 679
|
При прозвонке R803 и R804 показывали свои номиналы, но после их замены дефект пропал.
Спасибо всем, тема зекрыта. |
|
Руслан
Передовик
Сообщения: 2089
|
| Алхимик, недумаю!!!!!Жди возврата. |
|
MIG
Завсегдатай
Сообщения: 679
|
При их установке обратно, дефект возвращался  |
|
БУНЯ
Верный друг сайта
Сообщения: 6874
|
| Алхимик, а ты не пробовал их мерить и греть паяльником? |
|
MIG
Завсегдатай
Сообщения: 679
|
| Попробую, конечно. Но смысл теперь?! |
|
БУНЯ
Верный друг сайта
Сообщения: 6874
|
| Для спортивного интереса. |
|