| Автор | Сообщение |
|
alex_R1
|
входной сигнал слишком слаб нужен какой нибудь
предворительный, двух полярный с хорошими показателями
что посоветуете? |
|
|
Andrew
|
| посоветуем операционный усилитель например быстродействующий LM358 |
|
|
alex_R1
|
| спасибо но хотелось бы чтонибудь двуполярное для удобства |
|
|
Andrew
|
| какая разница операционнику, включите его как двуполярный, у него по даташиту до 30В питание. |
|
maxsimus (AMV)
Завсегдатай
Сообщения: 438
|
alex_R1, | Цитата: | | спасибо но хотелось бы чтонибудь двуполярное для удобства | а чем тебе обычный не нравится? Даташиты полистай, в них есть схемки на транзисторах. |
|
Nobody
Завсегдатай
Сообщения: 614
|
|
|
alex_R1
|
мужики спасибо за участие, но я расчитывал на какой нибудь аналог 157уд или ун
транзисторами я сверавно хороших гормоник не добьюсь
"Nobody" LM3886 надо покупать а TDA уже есть и собрана  |
|
maxsimus (AMV)
Завсегдатай
Сообщения: 438
|
| alex_R1, если еще актуально, то собири на uPC4570. Опрер двуполярный то что надо! (недавно собрал на нем предварительный каскад, звук отличный). Для ТДА подключай их последовательно (опернационники). |
|
|
ZVUKOVIK
|
|
|
Ramm
|
Люди, подскажите пожалуйста, куда подключать соединенные вместе выводы обоих ИМС, STBY/MUTE в мостовом усилке на 2-х ИМС TDA 7294 (при двупол. пит.), к "+" или "общему" ?
Если можете, то пришлите ответ на E-M A I L "duhast37@mail.ru"
Буду очень признателен. Заранее спасибо! |
|
LG-savikdvd
Завсегдатай
Сообщения: 724
|
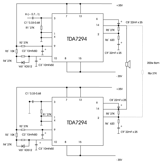
Ramm, вот тебе схемка.С 10 и 9 выводам вопросав не должно быть 
amp24-1.gif 16.75 КБ Скачано: 3509 раз(а)
|
|
|
Ramm
|
| Очень Вам благодарен, большое человеческое спасибо за схемку. |
|