| Автор | Сообщение |
Ignashkino
Завсегдатай
Сообщения: 860
|
Состав:
UOC - 8897CPBNG6PN9
Memory - 24C16WP
SMPS - C4460
Vertical - STV9378
Sound - TDA7263
FBT - BSC25-N1089D
HOT - D2499
Проблема:
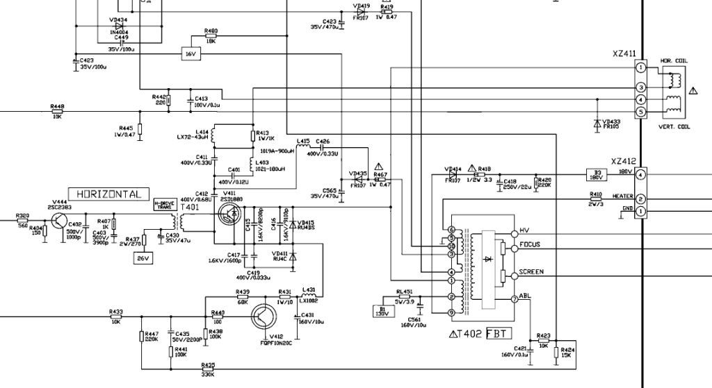
1. Привезли с выгоревшим текстолитом вокруг ножки разьема ОС, идущей от коллектора НОТ-а, сгоревшими V411(HOT), R413, C411. Все вышеперчисленное восстановил - телевизор запоказал, но!..
2. Ужасные геометрические искажения растра. Вдобавок начал накаляться L415.
Понимаю, тему не нова. Прочитал на нашем сайте, и не только, все связанные с подобной проблемой темы - везде все заканчивается необходимостью замены примененных в этом шасси полярных индуктивностей.
Всю обвязку проверил - работает.
Попутно подметил небезинтересную вешь: согласно схеме С411 - 0,3мкф, но на плате стоял 0,27мкф.; так вот: с увеличением этой емкости размер вытягивается по вертикали и суживается по горизонтали, общее свечение растра уменьшается, будто не хватает ускоряющего напряжения. С уменьшением емкости С411, соответственно, все происходит наоборот.
Замкнул L415 - подушка еще больше выросла. Убрал L415 - геометрические искажения почти, можно сказать, исчезли!))). Вот уже пол часа без него телевизор работает - пока все нормально.
Вопрос. Но все же хотелось бы полностью восстановить размеры растра. Мэтры наверняка с этой проблемой неоднократно сталкивались, перематывали эти катушки, вот я и хочу у них спросить о диаметрах проводов каждой из катушек, где можно взять эти провода, в каких трансформаторах или дросселях каких телевизоров (мне нечем измерить диаметры проводов)? |
|
JYRIJJ
Спец-агент
Сообщения: 4741
|
| Ignashkino,Когда ты научишся правильно оформлять тему, ЗАМЕРЫ ГДЕ!!! |
|
Ignashkino
Завсегдатай
Сообщения: 860
|
Сейчас!
ДОБАВЛЕНО 06/10/2013 12:15
VD552 - 23V.
VD553 - 13V.
VD554 - 27V.
VD556 - 120V.
VD453 - 16V.
Точки "5V-1" и "5V-2" - 5V.
V412-C - 11V.
V412-B - 3,5V. |
|
LordLostr
Модератор
Сообщения: 8673
|
| Ignashkino писал: | | Замкнул L415 - подушка еще больше выросла. Убрал L415 - геометрические искажения почти, можно сказать, исчезли!))). |
Эксперементатор,оставь эту цепь пока в покое.Проверяй:C431,L431,C419,V412.
ДОБАВЛЕНО 06/10/2013 12:24
Читай здесь:http://monitor.espec.ws/section1/topic6264.html |
|
Ignashkino
Завсегдатай
Сообщения: 860
|
Прошел час. Телевизор работает хорошо. Немного греются L414 и L403; если сильно прижать на них пальцем, то потихоньку начинает жечь, но не настолко, чтобы инстинктивно отдернуть палец.
Хотя бы чуток уменьшить размеры по горизонтали - и тогда можно было бы отдавать телевизор, без L415, хозяину.
Можно бы уменьшить емкость конденсатора на коллекторе НОТ-а, но напряжение накала и так чуть-чуть больше 6,3В.
Ускоряющее напряжение убавил с 500В до 460В, так как яркость была чуть больше положенного, и при переключении каналов экран оставался чуть освещенным, не темнел.
ДОБАВЛЕНО 06/10/2013 12:39
А вот С419, LordLostr, действительно, я не проверял. Минуточку!.. |
|
Ignashkino
Завсегдатай
Сообщения: 860
|
С419, LordLostr, увы, цел. Когда поставил другой, так же поставил L415, - с ним размеры тотчас увеличиваются, он не на шутку греется, - но зато с ним экран темнеет, напряжение накала восстанавливается в сторону уменьшения до 6,3В.
Что остается делать? Выкинуть L415, а ограничительное сопротивление накала увеличить?.. |
|
iv-9
Фанат форума
Сообщения: 6352
|
| LordLostr писал: | | Ignashkino писал: | | Замкнул L415 - подушка еще больше выросла. Убрал L415 - геометрические искажения почти, можно сказать, исчезли!))). |
Эксперементатор,оставь эту цепь пока в покое.Проверяй:C431,L431,C419,V412.
|
Еще R431- практически всегда рвется при выгорании разъема ОС в этом шасси. Регулировка коррекции вообще работает? A С431 - типовуха.
ДОБАВЛЕНО 06/10/2013 14:03
| Ignashkino писал: | | ...перематывали эти катушки, вот я и хочу у них спросить о диаметрах проводов каждой из катушек, где можно взять эти провода, в каких трансформаторах или дросселях каких телевизоров (мне нечем измерить диаметры проводов)? |
Извини, но это вопрос от юного радиолюбителя . На будущее - диаметр провода навскидку можно измерить, намотав вплотную на карандаш 10-30 витков (чем больше - тем точнее), измерив линейкой и поделив на кол-во витков.  |
|
Ignashkino
Завсегдатай
Сообщения: 860
|
iv-9, R431 сразу проверял - рабочий. Но говоря про регулировку корркции, Вы имеете в виду зайти в сервисное меню и там подрегулировать?
ДОБАВЛЕНО 06/10/2013 14:14
Одним словом, увеличил сопротивление R410 до 4,7 Ома, так что пришлось даже увеличить ускоряющее напряжение до 480В.
Можно, конечно, уменьшать и уменьшать коллекторную емкость НОТ-а, у ограничительное сопротивление накала увеличивать и увеличивать, пока не подойдешь до оптимального варианта, но ведь при этом высоковольтное напряжение будет расти и расти, пока не начнет излучать?
ДОБАВЛЕНО 06/10/2013 14:16
iv-9! Первый ответ на мой изначальный вопрос!
ДОБАВЛЕНО 06/10/2013 14:20
Линии же, что вертикальные, что горизонтальные, - без L415 их кривизна почти не видна; если кому не скажешь о них, так и не заметят. |
|
Ignashkino
Завсегдатай
Сообщения: 860
|
| На глаз диаметр провода около 0,2 мм. Ну ладно, даже если точно пределим диаметр провода этой катушки - где взять другой такой провод, чтобы наматать по новой? Не рабирать же все подряд с более-менее схожими проводами, чтобы, для начала, хотя бы определить диаметр этих проводов? |
|
LordLostr
Модератор
Сообщения: 8673
|
| Ignashkino писал: | | Вы имеете в виду зайти в сервисное меню и там подрегулировать? |
Ignashkino, Ты читал ссылку? Ты чё здесь совсем ........ прикидываешься.Как проверяется работа регул.коррекции? У тебя пинцет имеется? |
|
Бакум
Рождённый в СССР
Сообщения: 12725
|
| Цитата: | | Вы имеете в виду зайти в сервисное меню и там подрегулировать? |  |
|
Ignashkino
Завсегдатай
Сообщения: 860
|
Ну не знаю я, LordLostr, хотя у меня и имеется пинцет, как проверяется работа регулировки коррекции!!! Что теперь, распять меня за это?
Бакум, Вас смущает, что я убрал L415?.. Однако это так, и телевизор без него проработал шесть часов, и без каких либо казусов... Впрочем, меня самого немного смущает отсутствие L415, несмотря на работу телевизора и без него. Как я уже выше писал, яркость чуть преувеличена, как и размер по горизонтали. Возможно, через данный L415 осуществляется какая-то обратная связь, потому что ставя его, нерабочего, размеры по горизонтали увеличиваются, но яркость уменьшается; а когда его замыкаешь - размер растра вообще во все стороны расползается, но и яркость очень затемняется. Может быть, вместо него резистор подобрать, с таким сопротивлением, чтобы яркость, а вместе с ней и накал уменьшились, а размеры более-менее сохранились настоящие?..
А телевизор все работает и работает без L415!  |
|
semvictor
Фанат форума
Сообщения: 3098
|
Ignashkino, Ты как всегда в ударе!Зайди хоть на соседний форум и почитай по этому шасси в энциклопедии,если здесь не сумел найти. |
|
Ignashkino
Завсегдатай
Сообщения: 860
|
| Но, semvictor, разве вся проблема не в L415?.. |
|
semvictor
Фанат форума
Сообщения: 3098
|
| Ignashkino, Схему-то хоть посмотри...а то элементы коррекции наугад выкидываешь не думая(а ведь они там не зря поставлены).Подобная проблема не так давно решалась на одном известном форуме-что тебе мешает посмотреть решение? |
|
gilan
Модератор
Сообщения: 1748
|
| Ignashkino писал: | | Но, semvictor, разве вся проблема не в L415?.. |
думаю, что нет. Ты ничего не напутал с катушками и их фазировкой? |
|
semvictor
Фанат форума
Сообщения: 3098
|
|
KRAB
Распугиватель клиентов
Сообщения: 21704
|
| Опять про E/W ... Ни о чем тема ... пионЭры ОБЯЗАНЫ ходить в.............. ПОИСК! |
|
LordLostr
Модератор
Сообщения: 8673
|
Ignashkino, Необучаемый. Ты зачем тему открывал? Поделиться своими способами ремонта,так это ни кому не нужно.| iv-9 писал: | | Регулировка коррекции вообще работает? | Четвёртый пост ссылка: "Методика проверки:
- Проверить емкости выделенные красным особенно емкость в точке B.
- Проводом подключенным на корпус коснутся точек A,B,C. растр должен расшириться за пределы экрана кинескопа. Если нет, то ремонтировать цепи от коллектора до диодов.
- Замкнуть базу (точка D) на корпус растр должен сузиться.
- Транзисторы усилителя формирователя параболы, на работоспособность, проверяються не выпаивая - замыканием выводов Б / Э и Э / К пинцетом, это безопасно.
- Вариант EW на полевом транзисторе (схема от SERGE, ): "
Казалось бы, что проще. | Ignashkino писал: | | Ну не знаю я, LordLostr, хотя у меня и имеется пинцет, как проверяется работа регулировки коррекции!!! Что теперь, распять меня за это? |
|
|
LordLostr
Модератор
Сообщения: 8673
|
Переношу в "Электроника от А до Я".  |
|

|