| Автор | Сообщение |
|
men
|
Добрый день . Имеется блок питания LCD телевизора ( модель непринципиальна ) . собран на контроллере L6599D (даташит прилагаеться) . Управляет полевиками 4N60C3 . полевики коротыш , сам контроллер коротыш по питанию . Сам вопрос -- при установке нового контроллера ( пока без полевиков) на 15 выводе (HVG) импульсы запуска полевика присутствуют . А вот на 11 выводе (LVG)
импульсов не наблюдаю . Подозрение на бракованный контроллер отпало при установке 2го. тоже самое . Так контроллер реагирует на отсутствие полевиков ?
при замере постоянной состовляющей на 15 выводе прибор показывает 8 вольт и падает до 0 . на 11 выводе изначально 0. (вывод на короткое не звониться )
Кто сталкивалься с таким контроллером ? в чем фишка ?
жалко тупо спалить полевики.
L6599D L6599TR L6599N.pdf 635.89 КБ Скачано: 11367 раз(а)
схема включения L6599.png 43.56 КБ Скачано: 12418 раз(а)
|
|
Nik_Al
Старый таёжник
Сообщения: 34320
|
| men писал: | Сам вопрос -- при установке нового контроллера ( пока без полевиков) на 15 выводе (HVG) импульсы запуска полевика присутствуют . А вот на 11 выводе (LVG)
импульсов не наблюдаю . Подозрение на бракованный контроллер отпало при установке 2го. тоже самое .[b] Так контроллер реагирует на отсутствие полевиков. |
Скорей всего ДА! Подобное явление - попытка запуска (пульсирование напряжения на верхнем плече, при полном его отсутствии на нижнем) наблюдалось на аналогичном ШИМе инвертора, когда он не мог запустится из-за КЗ в выходных цепях.
Если боишься сжечь полевики... включи их через балласт. |
|
|
men
|
что интересно , тоже решил связать по аналогии с инверторами . но на тех инверторах которые попадались , оба плеча имели ипульсы запуска без транзисторных сборок .
лампочки вместо предохранителя ватт на 200 сумарно рассматриваються как баласт ? |
|
|
men
|
| просьба модераторам - Можно тему подержать в разделе по ремонту LCD телевизоров до завтрашнего вечера , а затем можно будет вообще ее снести . Просто там проходимость по конкретному вопросу больше . |
|
RAMMER
Передовик
Сообщения: 1027
|
men , сними микросхему L6599D с платы и сделай фото посадочного места под ней крупным планом , чтобы хорошо были видны дорожки и дай в тему . Поделюсь своим наблюдением ...
P/S: вот как на этом фото , только крупным планом с хорошо видимыми дорожками .

|
|
|
men
|
вот фото .

|
|
RAMMER
Передовик
Сообщения: 1027
|
men , надо бы в лучшем качестве , впрочем можешь сам рассмотреть под большим увеличанием состояние гетинакса между 11 и 12 ножек L6599D (в других БП между проводниками идущими к ножкам 12 и 15 микросхемы L6599D ) . Обычно между ними имеется еле заметный прогар . Не зачистив который тихо и без шума умирает новая микросхема .
Так же обращай внимание на работу прекодея , на сетевой банке в рабочем режиме должно быть +380---400V , для конкретной модели БП , можешь более точно определить посчитав по сопротивлениям делителя .
P/S: фотографии участка платы БП FSP205-5E01 под микросхемой L6599D


|
|
|
men
|
потемнение есть , но не прогар .на Мом темные учаски не прозваниваються .сначала отнес к перегреву феном при выпаивании - запаивании . прекодей работает - напругу подкидывает до 380 вольт . Так все таки на 11 выводе импульсы изначально должны быть как на 15 ? без установки полевиков .
|
|
RAMMER
Передовик
Сообщения: 1027
|
| men писал: | Так все таки на 11 выводе импульсы изначально должны быть как на 15 ? без установки полевиков .
| Вот ответ |
|
|
men
|
Я ее маму трубу шатал поставил 3 шимку , зараза сразу на коротыш встала. Питание стабильное -14.5 . Полевики сняты. С прекондеем связи не имеет . Прекондей напругу подкидывает . Осцилограф по питанию криминального ничего не показывает
попробую заказывать из другой ямы шимки.
Блок питания от LCD 32LG5000 . б/п - LGP32-08H |
|
RAMMER
Передовик
Сообщения: 1027
|
| men писал: | поставил 3 шимку , зараза сразу на коротыш встала. Питание стабильное -14.5 . Полевики сняты. С прекондеем связи не имеет . Прекондей напругу подкидывает . Осцилограф по питанию криминального ничего не показывает
Блок питания от LCD 32LG5000 . б/п - LGP32-08H | men , ШИМ вылетает без полевиков или всё таки с ними ? |
|
|
men
|
в том и дело что без полевиков . Полевики пока в заказе (04N60C3)
прекондей по расчетам работает правильно - 380 вольт . питание шимки 14.5 в. подозрительные потемнения на гетинаксе вычищены.
даже уже закралась мысль , что может шимка установлена неродная ( ящик пришел после сервисного центра ) схема включения немного смущает .сейчас буду рисовать схему . выкладу с замерами по ногам ( одна шимка осталась некороткая по питанию) |
|
RAMMER
Передовик
Сообщения: 1027
|
| men писал: | | Блок питания от LCD 32LG5000 . б/п - LGP32-08H |
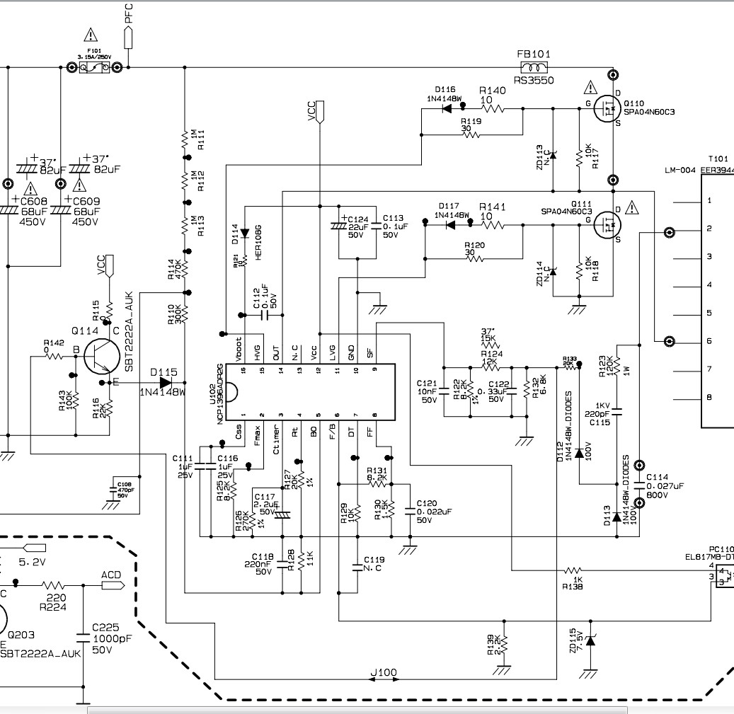
| men писал: | | схема включения немного смущает .сейчас буду рисовать схему . выкладу с замерами по ногам ( одна шимка осталась некороткая по питанию) | U102 NCP1396A сравни L6598D 
NCP1396A.jpg 177.3 КБ Скачано: 8040 раз(а)
L6598(9).jpg 138.44 КБ Скачано: 7242 раз(а)
|
|
|
men
|
срисовал схему . один в один с NCP1396A (спасибо RAMMER )
получаеться в долбанном сервисном центре влупили то , что по количеству ног совпадало .
потерял месяц на заказ и доставку 6599 + спущенные в унитаз бабки .
L6599A vs NCP1396A.zip 5.41 МБ Скачано: 6934 раз(а)
|
|
|
mgd
|
| Извините, что влезаю в чужую тему. Какое напряжение должно быть на PFC_STOP при нормальной работе L6599D. |
|
|
$
|
Привет всем! я новичек на форуме похожая проблема с бл пит LGP32-08H ОЧЕНЬ НУЖНА СХЕМА 32LG5010-ZD
ДОБАВЛЕНО 24/10/2013 23:36
ОПЫТ РЕМОНТА LCD СКУДНЫЙ ПЫТАЮСЬ ПОСТИЧЬ |
|
viktor_ramb
Сам себе начальник
Сообщения: 23835
|
$, | Цитата: | | ОПЫТ РЕМОНТА LCD СКУДНЫЙ ПЫТАЮСЬ ПОСТИЧЬ |
Собстна ИБП, он и в Африке ИБП, и общие принципы его работы одинаковы что бы он не питал, ЖК либо кинескопник, или другой девайс ! А вот ШИМы новые клепают на эти ИБП почти каждый день, но даже при отсутствии схемы, зная принципы работы ИБП и имея какой-никакой опыт можно разобраться с проблемами. Самые заковыристые заморочки, это левые ШИМ и подгуляные ТПИ - их можно выявить методом так называемого генеротора. В общем по завету Ильича "Учиться ..." с намёком на диалектический закон перехода количества в качество. |
|
|
$
|
| бп запустил поменял сгоревшие резисторы в цепи полевиков полевики диоды на коротко шим ncp1396 на лампочках заработал. пришлось подать дежурку +5v на клему on off. поставил на место подключил стрельнули сразу полевики по 24v в инверторе коротыш мосфеты там AO4614 8 ШТ ПОМЕНЯТЬ ТО НЕ ВОПРОС ВОПРОС В ТОМ КАК ПРОВЕРИТЬ ТРАНСЫ? |
|
|
samson61007
|
У моего знакомого автослесаря, что ремонтировал мне авто, полетел телик..LG42LV3551. С его слов, безперебойник пошел " в разнос"(?) и спалил телик..Я попросил его принести его, мол. посмотрю..в итоге получилось следующее, вылетела шимка (fan 7930) напряжение питания поднялось за 600 вольт и последствия конечно ужасные. Почему не сгорел предохраниетль как "закипела" 1 из банок емкости, мне не понятно, Он сгорел позже, когда я его вкл....Все удалось восстановить, кроме как инвертор подсветки (L6599D)/ дело в том что мало того что ее разорвало на шматье, так под ней был прогар величиной после зачистки с советский железный рубль..схему частичную я нашел на него,(прикладываю) , собрал все на "навесной" плате и посадил ее на "паук", но не стартует подсветка ни как и соответственно не вкл. весь телик..все дело в том что по схеме не ясны номиналы емкостей.. некоторые резюки не отмечены..так же не понятен номинал транзистора Q103/. напряжения питания..прекондей 385v. 12 нога L6599-13v 7нога 1.66 +_.Читал что с прекондея через делитель должно быть порядка 1.6 вольт. иначе микруха уходит в "сон". при питании прекондея 320 вольт на 7 ноге всего 1.2 вольта, это я к тому что тут на форуме писали про 320 вольт прекондея.. в общем не судите строго, но мне помощь нужна в большей части номиналы емкостей.. осцем пока не работал,
LGP32-11SPC1-EAX62865601.pdf 48.26 КБ Скачано: 3625 раз(а)
|
|