ESpec - мир электроники для профессионалов


регулировка напряжения в БП IP-P350AJ2-0

  Список форумов » Нарушения правил

Следующая тема · Предыдущая тема
АвторСообщение
tosha89 
Заглянувший
Сообщения: 8
 
Сообщение #1 От 10/01/2009 12:36 цитата  

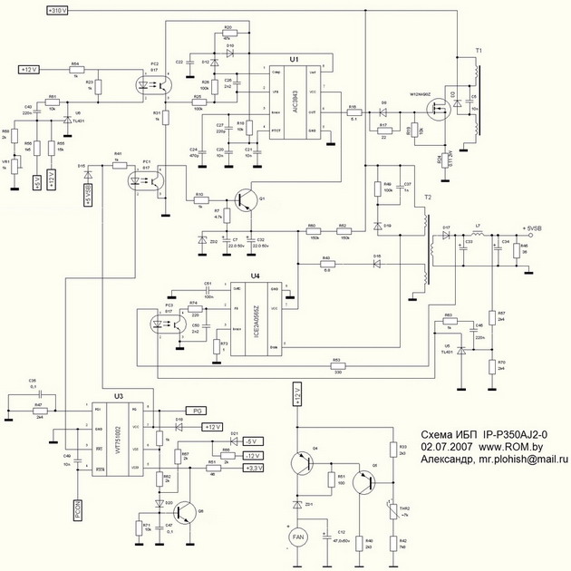
подскажите как регулировать напряжение по линии +12 в IP-P350AJ2-0, вот схемка:

  IP-P350AJ2-0.jpg  70.6 КБ  Скачано: 753 раз(а)
m.ix 
Master Mixa
Сообщения: 1972+
m.ix
 
Сообщение #2 От 10/01/2009 13:33 цитата  

tosha89, К прочтению и исполнению обязательно! Нажми ->

Перейти: 
Следующая тема · Предыдущая тема
Показать/скрыть Ваши права в разделе

Интересное от ESpec


Другие темы раздела Нарушения правил

-
1
13
13
13
2
2
555
999


Rambler's Top100 Рейтинг@Mail.ru liveinternet.ru