ESpec - мир электроники для профессионалов


9999

  Список форумов » Нарушения правил

Следующая тема · Предыдущая тема
АвторСообщение
tosha89 
Заглянувший
Сообщения: 8
 
Сообщение #1 От 10/01/2009 20:28 цитата  

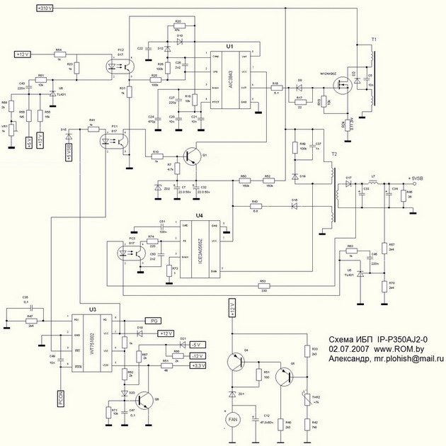
подскажите пожалста на схемке как регулировать выходное напряжение в БП от компьютера Power Man IP-P350AJ2-0, заранее благодарен, вот схемка:

  IP-P350AJ2-0.jpg  70.6 КБ  Скачано: 687 раз(а)

Перейти: 
Следующая тема · Предыдущая тема
Показать/скрыть Ваши права в разделе

Интересное от ESpec


Другие темы раздела Нарушения правил

13
13
13
2
777


Rambler's Top100 Рейтинг@Mail.ru liveinternet.ru