| Автор | Сообщение |
|
mixa71
|
Electron 54TK-728 (ETA1) волнистый уменьшенный кадр
Доброго времени суток Ув. форум. В шасси ETA1 уменьшенный и волнистый кадр, без снега. Кадровая и литы с обвязкой - в норме. Все напряжения в норме. Осталось ослом посм. пилу на входе МКР, но нет оного под рукой. Похоже еще на прош. ПЗУшки.... Может кто поправит..... |
|
iv-9
Фанат форума
Сообщения: 6359
|
| Пока еще не в корзине - половинки КОК смотри на обрыв. |
|
Влад-Сумы
Завсегдатай
Сообщения: 997
|
| mixa71, замеры питания выложи в студию и фото картинки. |
|
JYRIJJ
Спец-агент
Сообщения: 4741
|
|
JYRIJJ
Спец-агент
Сообщения: 4741
|
| mixa71, Надумаешь исправить, стучи в личку! |
|
|
норис
|
нужна схема ТВ
шасси неизвестно
проц. 8891СSBNG6KF8
БП STR G5653
Видео LA78040B |
|
Сергей66
Завсегдатай
Сообщения: 407
|
| Повнимательней посмотри возле строчного транса,который не указал с HOT, или по периметру платы.Кстати LA78040B кадровая. |
|
|
норис
|
| на шасси надписи не нашел скорее всего шасси ETA1 |
|
Yuritsh
Фанат форума
Сообщения: 18498
|
| норис писал: | | на шасси надписи не нашел | Вот только сказок не надо.
| норис писал: | | скорее всего шасси ETA1 | Мда... Сложно будет найти.
норис, ты идиот? Девять лет База Данных на видном месте висит. |
|
|
maximpavlov1
|
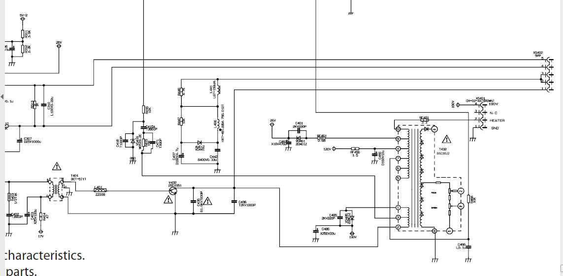
Erisson 1435. шасси ETA-1 - выгорает HOT
Erisson 1435. шасси ETA-1
Memory - 24C16
SMPS - STR-G5653
SAW - LBN38V10
Vertical - LA78040
Sound - TFA9842AJ
Tuner - TAF5-C4I23
HOT - 2SD5023
RGB Amp - 2SC2588-L
Подскажите, пожалуйста, откуда на коллектор HOT приходит +В? По схеме с нижней обмотки транса (3 вывода), которая есть нагрузка для этого транзистора - выходит +190В для видеоусилителей (вывод 1), а вывод 3 подключен через резисторы к МК, т.е. это типа обратной связи что-то.
В учебниках же рисуют, что средняя точка этой обмотки заводится на +В.
При выпаянном выходном транзисторе 2SD5023 на его базе сигнал вот какой формы: Цена деления 1В.
Запирающих импульсов, о которых все пишут, не увидал тут(

hot1..jpg 87.85 КБ Скачано: 285 раз(а)
|
|
|
maximpavlov1
|
| Да, электролита в цепи базы предоконечного каскада, в этой схеме нету( |
|
victorx
Передовик
Сообщения: 2116
|
|
force-13
Завсегдатай
Сообщения: 473
|
В+ 2 нога.По дорожкам можно посмотреть.
ДОБАВЛЕНО 01/07/2017 10:50
| maximpavlov1 писал: | | Да, электролита в цепи базы предоконечного каскада, в этой схеме нету( |
А он должен быть ? |
|
валентин-сибиряк
Фанат форума
Сообщения: 9056
|
maximpavlov1, а что тебя волнует?
Подробней опиши. |
|
виктор-теледоктор
Фанат форума
Сообщения: 13900
|
maximpavlov1, телевизор перед тобой,не можешь проследить по плате как В+ заводится на строчную развертку?  |
|
victorx
Передовик
Сообщения: 2116
|
| виктор-теледоктор писал: | maximpavlov1, телевизор перед тобой,не можешь проследить по плате как В+ заводится на строчную развертку?  | а за чем ему это нужно если горит НОТ,значит доходит  |
|
Yuritsh
Фанат форума
Сообщения: 18498
|
| maximpavlov1 писал: | | откуда на коллектор HOT приходит +В? | Ребята. Неужели вы не понимаете, что такими вопросами позорите форум?
maximpavlov1, на твоей схеме внесена умышленная элементарная ошибка, чтобы вводить в заблуждение лиц, далёких от ремонта ТВ.
Идея не нова. Еще в древности, Леонардо да Винчи умышленно вносил ошибки в свои чертежи. |
|
|
maximpavlov1
|
Конечно, я понимаю, что мой вопрос далёк от профессионального, но всё же надеюсь на понимание здесь отвечающих гуру.
Сколько ни ремонтировал телеки, чтоб в сервис мануалах была умышленная опечатка в схеме, ни разу не встречал
Смущает то, что правильная ли форма импульса у меня на базе оконечного? Хочу понять, почему он выгорает, даже не нагревшись.
ДОБАВЛЕНО 01/07/2017 18:00
Вместо 120В у меня 130 приходит, но ведь только из-за этого сгорания не должно быть. |
|
|
maximpavlov1
|
За что мою тему снесли в мусорку?
даже не написали. |
|
Yuritsh
Фанат форума
Сообщения: 18498
|
| maximpavlov1 писал: | За что мою тему снесли в мусорку?  | А какую ценность она представляет для форума? |
|