| Автор | Сообщение |
|
Viktor KD
|
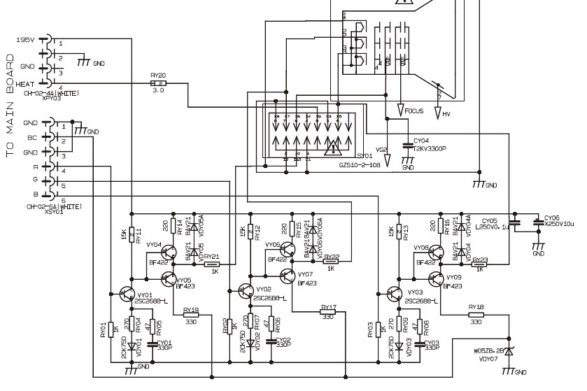
| телевизор Ролсен C21R21 экран светится розовым. Изображения нет. Скинул разъём цветных сигналов с платы кинескопа - экран торит точно так же. Что может быть |
|
валентин-сибиряк
Фанат форума
Сообщения: 9054
|
Viktor KD, как-то непонятно написал. И ни одного замера.  |
|
|
Viktor KD
|
Если управление цветами отсутствует- снят разъём, а экран светит , не меня ни тональности, ни интенсивности, каким-то противным розовым цветом, в котором проглядываются полоски белого цвета, не пробой ли внутри кинескопа виноват?
Упустил существенную деталь- транзисторы 422 (VY04) и 423 (VY05) в красном канале цветности сильно грелись. До дыма. Отпаял, вроде ещё целые, когда разъём был пристыкован, цвет экрана не изменился. Отстыковал разъём- всё то же.
. Плата кинескопа..jpg 106.34 КБ Скачано: 191 раз(а)
|
|
ALEGA
Завсегдатай
Сообщения: 502
|
| Viktor KD, Что может быть ? И кинескоп , и транзистор видеоусилителя , и резистор , и обрыв дорожки.В профиле город пропиши , дадим мастера. Добавлено : тестером на мегаомы и между электродом R и остальными смерять, может все станет ясно ,если будет замыкание то мастер может попробовать устранить КЗ. |
|
|
Viktor KD
|
Добавлено : тестером на мегаомы и между электродом R и остальными смерять, может все станет ясно ,если будет замыкание то мастер может попробовать устранить КЗ.
Благодарю. Попробую. |
|
STIPLER
Халтурщик
Сообщения: 5865
|
| Перепутал разъёмы. В сервисный, который должен быть свободен, что то воткнул. |
|
|
Viktor KD
|
| STIPLER писал: | | Перепутал разъёмы. В сервисный, который должен быть свободен, что то воткнул. |
Нет, такого я не допускаю. Они у меня были подписаны давно, папа- мама, номерки. Да и количество контактов у всех разное, перепутать невозможно. Есть один свободный разъём на плате, видимо, он и является сервисным.
Как тогда объяснить, что на кинескопе есть только питание- накал, ускоряющее на сетках, анодное, а сигнальный разъём откинут. И, тем не менее, розовый кинескоп, без толкового изображения? Он же запертым должен быть в таком случае- то есть- чёрным.
И совсем последнее- было всё нормально. И вдруг- на тебе . Я ведь не лазил туда и розовый экран появился сам, а не в результате моей ошибки. |
|
SASHATOD
Фанат форума
Сообщения: 9885
|
| Viktor KD, Или кину пипЕц или панелька на ПК замкнула. |
|
|
Viktor KD
|
| SASHATOD писал: | | Viktor KD, Или кину пипЕц или панелька на ПК замкнула. |
Вот я тоже так думаю.
Опыта в ремонте у меня кот наплакал, хотел послушать опытных. Сейчас замена кинескопа будет, пожалуй, половину нового LCD телевизора. Небольшого. Пенсия у меня хорошая, но маленькая. Там, ведь и не только гаечным ключом махать придётся, видимо, ещё что-то менять. Прожиг, если треки образовались в стекле- это на 80%- уничтожение того, что есть. Я давненько менял кинескоп на Садко. Постепенно становился зелёным, я накручивал красный цвет. После замены, конечно, всё было как на первомайской демонстрации. Поскольку нет генератора цветных полос, так и не удалось сделать нормальное изображение. Так что, это ждёт и сейчас, если отчаюсь в ремонт отдать. (если возьмут, конечно). |
|
SASHATOD
Фанат форума
Сообщения: 9885
|
Viktor KD, Послушал и добре,пора  |
|
Yuritsh
Фанат форума
Сообщения: 18498
|
| SASHATOD писал: | | и добре,пора | Пора...
| Viktor KD писал: | | треки образовались в стекле | Требуется занести в анналлы.
| Viktor KD писал: | | было всё нормально. И вдруг- на тебе | Прям, как у Черномырдина: "сроду такого не было - и вот опять".  |
|

|