| Автор | Сообщение |
Yuritsh
Фанат форума
Сообщения: 18498
|
| andrei111 писал: | | телевизор выключился навсегда. | Похоже на приговор.
| andrei111 писал: | | Схемы тоже нет, во всемирной паутине. |  |
|
|
andranik.g
|
samsung CK-2139VR sxemi tyunera
ДОБАВЛЕНО 17/09/2011 11:10
pomagite naiti sxemi tyunera samsung CK-2139VR |
|
киев
Прислонившийся
Сообщения: 6953
|
| U tyunera est svoyo nazvanie. |
|
Yuritsh
Фанат форума
Сообщения: 18498
|
| киев писал: | | U tyunera est svoyo nazvanie. |
A na forume est
I na xera woobshe nu>|<na cxema tunera? |
|
|
romin1952
|
Samsung CK 501 EVR шасси_S15A-полосы вертикальные
блок питания IC801 KA3S0680RF
TDKS-FSV-20A001/FS053R
TDA 8842 S1
тюнер TU01 TELE4-108 (TELE4-125A)
SZM-173ER3
что еще указать?
проблема состоит в том что на экране появились полосы как при плохом сигнале, но только в режиме TV т.е. в режиме VIDEO все отлично!!
такая неисправность появилась после выпаивания из него дешефратора, у на с в Ташкенте он ставился для разблокировки закодированных сигналов типа НТВ+...
я только пропоял всю плату на предмет "холодной пайки" , что мне можно сделать?

|
|
мастер-ломастер
Модератор
Сообщения: 9972
|
|
MASTER+
Фанат форума
Сообщения: 3299
|
| romin1952 писал: | | что мне можно сделать? |
Взять ближе в руки схему и найти элемент в цепи Видео. |
|
|
romin1952
|
ВНИМАНИЕ!!!!!!!!!! Оформи тему по ПРАВИЛАМ http//monitor.espec.ws/section1/topic133974.html
а что не так я оформил? тут не все мастера! есть и начинающие, подсказывать надо а не тупо отправлять по ссылкам!
был я на этой ссылке..вот и оформил так как есть и видел
что за элемент?может где напряжение замерить?

|
|
мастер-ломастер
Модератор
Сообщения: 9972
|
romin1952, в ПРАВИЛАХ есть пример оформления темы, просто надо внимательно читать, вот так можно оформить----
Принесли телек LG 29FU3RNX шасси CW71A.
Состав аппарата.
Проц: LGE537-LF (ver. 3.10V/4C35)
Память: 24C08,
Флешь: 25X40
Тюнер: TAEA-Q022D
НОТ: С5966
БП: STRX6756
УНЧ: TDA7297
ТДКС: BSC30-N2581
Кадровая: STV9326 |
|
|
romin1952
|
Извеняюсь и что смог исправил.
Телек мой! знаю все что с ним было и не было.
перечислил все что знаю и в чем разбираюсь.
Я начинал с самого начала на конденсаторе после диодного моста 280 вольт, на первой(21) ноге ic KA3S06 больше_1000Вольт(шкалы не хватает) ,на третьей_18+-2 ,на пятой(18)_7Вольт
куда копать вообще?

|
|
мастер-ломастер
Модератор
Сообщения: 9972
|
| romin1952, надо писать точно, сколько вольт , на 1 ноге микросхемы должно быть практически столько сколько и на электролите после диодного моста-310в. Я считаю что БП тут не при чём. Наверно когда выпаивал дешифратор . СОПЛЮ повесил. |
|
|
romin1952
|
| мастер-ломастер писал: | | romin1952, надо писать точно, сколько вольт , на 1 ноге микросхемы должно быть практически столько сколько и на электролите после диодного моста-310в. Я считаю что БП тут не при чём. Наверно когда выпаивал дешифратор . СОПЛЮ повесил. |
я переправил прошлый пост.Дешефратор выпаивал не Я.к дешефратору 6 проводов: 2 питания , SIF , V , и два IF, не знаю что такое последние
такие полосы на разных каналах разные где-то толще и больше, где-то еле видны_ по разному!
плату всю проверил!!я же написал, никаких соплей нету! |
|
KRAB
Распугиватель клиентов
Сообщения: 21704
|
Ну идиотизм .... Синхронная помеха и искать ее в ИБП .... Лучше сразу к Мастеру!
ДОБАВЛЕНО Ноябрь 19 2011
| romin1952 писал: | | дефефратор | - это просто "писец на питяровом масле" ... пЕши иСЧо!  |
|
|
romin1952
|
| KRAB писал: | Ну идиотизм .... Синхронная помеха и искать ее в ИБП .... Лучше сразу к Мастеру!
ДОБАВЛЕНО Ноябрь 19 2011
| romin1952 писал: | | дефефратор | - это просто "писец на питяровом масле" ... пЕши иСЧо!  |
может ты написать хотел пиши (от проверочного слова писать) ещё(просто запомни)
кабан не дожаренный!
ты советы даешь?будь серьезнее, к тебе человек обращается!  |
|
мастер-ломастер
Модератор
Сообщения: 9972
|
romin1952, ты понял что написал--- "больше 1000вольт" полное не знание принципа работы БП . |
|
|
romin1952
|
| мастер-ломастер писал: | romin1952, ты понял что написал--- "больше 1000вольт" полное не знание принципа работы БП . |
а может мне тогда выкинуть?? свой DT830B
который прекрасно показывает 230 вольт 440 вольт.....ну приедь проверь!!
на выходе этой обмотке к IC801 KA3S0680RFподходит больше 1000 вольт! а на кондере в норме! |
|
|
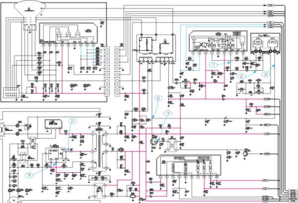
romin1952
|
эта ли схема?? в ней разбираться?
| питание.PNG |
| Описание: |
|
| Размер файла: |
108.06 КБ |
| Просмотрено: |
551 раз(а) |

|
|
|
zarah
Не фанат форума
Сообщения: 9825
|
| Цитата: | | на выходе этой обмотке к IC801 KA3S0680RFподходит больше 1000 вольт! а на кондере в норме! | Все ясно. Телик к мастеру, тему в мусор. |
|
|
romin1952
|
| ну спасибо,считаете дураком..а что за синхронная помеха? |
|
KRAB
Распугиватель клиентов
Сообщения: 21704
|
| romin1952 писал: | | ты советы даешь?будь серьезнее, к тебе человек обращается! | - пока я увидел не Коллегу, а ЧМО с "бантами-понтами" ... Попустит - "спили мушку" - поговорим ... если поумнеешь!
ДОБАВЛЕНО Ноябрь 19 2011
| romin1952 писал: | | считаете дураком | - да нет - ты просто ДАУНОКЛИЕНТОИНТЕРНЕТНОВТЫЧНОРЕМОНТЕР!  |
|