| Автор | Сообщение |
|
Ефимов Михаил
|
бп - STK5434
процессор управления режимами работы МВ88501
управление серво МВ88301 , МВ88305
процессор управления МВ8841
схемы нет . Неисправность возникла в ходе восстановления работоспособности БП . Были небольшие пульсации на выходе питания 5 В и я подпаял доп емкость 500мкФ прямо на разъем P136 (pin4) платы управления серво V1030A5380. Возможно емкость была не разряжена . В результате видик не вышел из режима standby . При включении где-то через час аппарат включился , но левая бобышка непрерывно вращалась , режимы работы переключались , индикация работала . При повторном включении индикация перестала работать , но на драйвере Ва6229 двигателя подмотки (у аппарата стоит отдельный подмоточный движок с айдлером) было управляющее напряжение . После того , как я выставил программную шестерню по меткам , вращение прекратилось . Напряжение на БП соответствует даташиту , Данные по шине D на МВ88305 pin 8-11 , 7 поступают . При включении вилки в сеть индикация на передней панели (светодиоды) засвечиваются в штатном режиме и аппарат переходит в standby т.е. как и должно быть но не включается . Видимо процессор в ходе включения где-то видит неисправность . В настоящий момент аппарат включается только после приема кассеты и после загрузки работает перемотка вправо и частично режим play (БВГне вращается видик становится в режим standbay) . Иногда наоборот , при включении вилки в сеть , сразу включается и не выключается . reset , при подключении к сети , проходит по соответствующим шинам . Не пойму , где искать . Может быть у кого-то есть схема этого или похожего аппарата с этими процессорами или опыт работы с ними . Помогите , пожалуйста .)
MB88301.pdf 766.86 КБ Скачано: 423 раз(а)
MB88305.pdf 728.63 КБ Скачано: 409 раз(а)
MB88501..pdf 2.04 МБ Скачано: 548 раз(а)
STK5434.pdf 178.43 КБ Скачано: 408 раз(а)
MB8841.pdf 1.04 МБ Скачано: 373 раз(а)
|
|
igor.phoenix
Юный радиолюбитель
Сообщения: 1416
|
| Ефимов Михаил писал: | | Были небольшие пульсации на выходе питания 5 В и я подпаял доп емкость 500мкФ прямо на разъем P136 (pin4) платы управления серво V1030A5380. Возможно емкость была не разряжена. |
А заменить по человечески нельзя было? Это что, клуб ЮТ?
| Ефимов Михаил писал: | | схемы нет. |
| Ефимов Михаил писал: | | Напряжение на БП соответствует даташиту |
Интересно.
| Ефимов Михаил писал: | | Помогите , пожалуйста .) |
Помогаю. Удачи. |
|
|
Ефимов Михаил
|
Подозрение на процессор 88501 потому что при нажатии кнопки Power ни на одной из шин процессора ничего не меняется (в смысле импульсы , либо уровни) , за исключением ножки , к которой подключена кнопка . Вообще экранное меню работает , счетчик горит . все кнопки , кроме сетевой работают . То есть в зависимости от положения программного диска , он то не включается , то не выключается . Схема нужна . Все кнопки опрашиваются , кварц работает . Бп , я имел ввиду STK5434 , все напряжения соответствуют рекомендуемым в даташите , а по управляющим цепям нужно смотреть . Как пробило проц , я даже не понимаю , т.к. аппарат был выключен , может статика , но точно паял 5в . К сожалению по вашим ссылкам ничего нет , третий день перелопачиваю все подряд . Был такой "диск AKAI 1" , но его лет пять как не продают . В штатах есть мануал , но с пересылкой он стоит дороже видика , да и не высылают сюда .  |
|
|
Ефимов Михаил
|
Схему нашел , ребята с hi-fi.ru помогли .Разбираюсь .  |
|
|
Ефимов Михаил
|
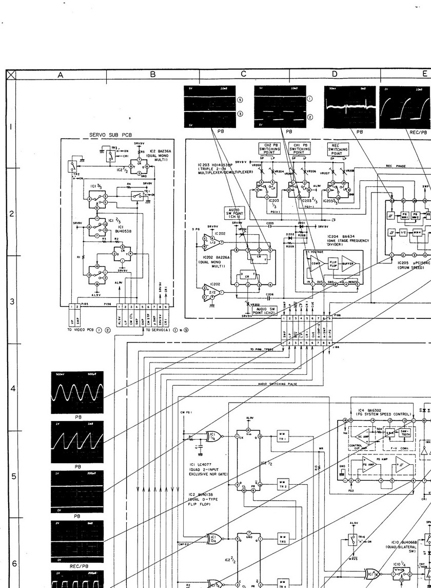
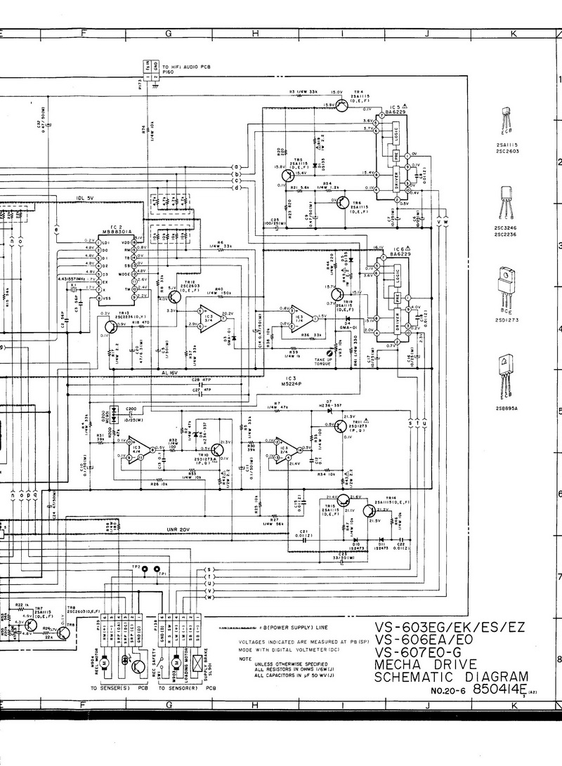
В общем вылетели драйверы I/O порта экспандера МВ88305 pin2-5 . При удалении резистивной матрицы ( нагрузки драйверов порта ) , работоспособность видеомагнитофона частично восстанавливается . Работает загрузка-выгрузка кассеты и перемотка вправо , а также дисплей в полном объеме и тюнер .
| Akai VS-603_606_607_148.jpg |
| Описание: |
|
| Размер файла: |
285.98 КБ |
| Просмотрено: |
462 раз(а) |

|
| Akai VS-603_606_607_149.jpg |
| Описание: |
|
| Размер файла: |
265.63 КБ |
| Просмотрено: |
400 раз(а) |

|
|
|
|
Ефимов Михаил
|
Приехал чип МВ88305 , заменил , все работает . 
| SNC00468..jpg |
| Описание: |
|
| Размер файла: |
481.14 КБ |
| Просмотрено: |
415 раз(а) |

|
|
|
|
Ефимов Михаил
|
Поспешил , немного . В выходной обмотке трансформатора SP головки (2) был обрыв . Пришлось перематывать эту обмотку . Сейчас верхняя часть растра зашумлена процентов на 15 и отделена от нормального растра четкой границей . Головок в аппарате шесть , раздельных . Проблема очень похожа на неправильную регулировку этой головки по высоте , т.е. она как бы уведена вниз . Но в режиме LP ситуация аналогичная . Воспроизведение записи на другом аппарате , SP и LP дает зашумленную полосу снизу растра , так же отделенную тонкой полоской от нормального растра . RF сигнал с контрольной точки 7 идет с разрывом . Очень похоже на смещение головки , но не могли же SP и LP головки одинаково сместиться . Возможно коммутатор ?
| Akai VS-603_606_607_108..jpg |
| Описание: |
|
| Размер файла: |
301.57 КБ |
| Просмотрено: |
390 раз(а) |

|
| Akai VS-603_606_607_109..jpg |
| Описание: |
|
| Размер файла: |
337.74 КБ |
| Просмотрено: |
370 раз(а) |

|
| Akai VS-603_606_607_110..jpg |
| Описание: |
|
| Размер файла: |
360.11 КБ |
| Просмотрено: |
353 раз(а) |

|
| SNC00502..jpg |
| Описание: |
|
| Размер файла: |
447.55 КБ |
| Просмотрено: |
371 раз(а) |

|
| SNC00503..jpg |
| Описание: |
|
| Размер файла: |
395.33 КБ |
| Просмотрено: |
392 раз(а) |

|
|
|
|
Ефимов Михаил
|
Причина оказалась в неточной установке магнита ротора двигателя БВГ . Датчики двигателя , а там на магните их два , определяют момент переключения головок , ну и естественно от неправильного положения этих датчиков относительно головок летят все регулировки .  |
|
|
Ефимов Михаил
|
Интересно , а на этот сайт специалисты заглядывают ? А то так и починю видик самостоятельно . Пока удалось справится с следующими неисправностями : 1) Повышенные пульсации бп 16 В . устранено . 2) выход из строя чипа МВ88305 . произведена замена . 3) обрыв выходной обмотки трансформатора БВГ SP2 . обмотка перемотана . 4) произведена юстировка БВГ . Осталось найти неисправность в блоке управления двигателя тонвала , так как после нескольких минут работы скорость начинает подплывать , а потом резко восстанавливается до норм . Где-то что-то косячит . Картинка , пока все нормально , исключительно правильная , Hi-Fi воспроизводится устойчиво , трекинг регулируется нормально . Где-то фаза начинает подплывать и все сбивается , потом резко восстанавливается и может долго работать без сбоев . Механика не при чем .  |
|
vadim3008
Мастер Добрых Дел
Сообщения: 5819
|
| Ефимов Михаил, вы извините но ВМ это прошлый век,если и ремонтировали такие то уже не припомнишь?Да и никто нехочет! |
|
|
Ефимов Михаил
|
Да , ладно , чего там вспоминать ? Видик сравнительно свежий , всего тридцать лет от роду . Шестиголовый . В рабочем режиме осциллограммы соответствуют . При сбое уровень RF падает , идет волнами , потом резко , скачком восстанавливается до нормального . А насчет устаревания , в моем компе второй жесткий диск завис с архивом , еле восстановил . А так бы весь архив гигнулся . А на кассете видео будет хранится сколь угодно долго .  |
|
pabel
Фанат форума
Сообщения: 5471
|
*А то так и починю видик самостоятельно*Ефимов Михаил,
Так ,оно так и должно быть .
А ты хотел что бы тебе его кто-то чинил?
*А на кассете видео будет хранится сколь угодно долго .*Ефимов Михаил,
Вот здесь у тебя ошибка ,а все остальное(ремонт)-хорошо.
ДОБАВЛЕНО 16/10/2013 17:35
*Осталось найти неисправность в блоке управления двигателя тонвала*Ефимов Михаил,
*Механика не при чем *Ефимов Михаил, -Уверен?
Про сервопривод прочтешь,-импульсы с головки синхронизации посмотри осциллографом. |
|
|
Ефимов Михаил
|
Практически уверен , что механика не при чем , так как нет автоподстройки частоты вращения БВГ . Осциллограммы все соответствуют . Трапецеидальный сигнал с импульсом выборки на месте . Если подтормаживать вручную , то авторегулировка ставит все на место . Нет автоподстройки под ленту , кадровый синхросигнал где-то не фурычит . 
| Akai VS-603_606_607_114..jpg |
| Описание: |
|
| Размер файла: |
292.44 КБ |
| Просмотрено: |
381 раз(а) |

|
| Akai VS-603_606_607_115..jpg |
| Описание: |
|
| Размер файла: |
325.14 КБ |
| Просмотрено: |
403 раз(а) |

|
| Akai VS-603_606_607_116..jpg |
| Описание: |
|
| Размер файла: |
286 КБ |
| Просмотрено: |
398 раз(а) |

|
|
|
pabel
Фанат форума
Сообщения: 5471
|
Правильно.
Кадровый импульс вышел из поля захвата.  |
|
|
Ефимов Михаил
|
pabel , спасибо большое за совет . Действительно , чуть подрегулировал положение датчиков БВГ и все стало на место . Осталось привести в чувство сенсор наличия кассеты , то ли фототранзистор , то ли ик диод подсел .  |
|
|
Ефимов Михаил
|
По сенсору получилось очень интересно . Не работал сенсор определяющий обрыв ленты в кассете и выполняющий еще несколько функций . Оптопара стоит близко к плоскости ленты , по краям кассеты и перекрывается лентой в режиме Play . В режиме перемотки лента отводится от БВГ . Причина оказалась в том , что последняя направляющая стойка , рядом с прижимным роликом , перекрывала световой поток буквально на три-четыре десятых миллиметра . Просто стальной кулачек отвода направляющей (на фото он правее ролика , внизу) , чуть потер алюминиевый упорный рычаг , которым она отодвигалась .
ДОБАВЛЕНО 20/10/2013 03:25
Теперь нужно устранить , крайнюю неисправность : при включении режима "пауза" или при включении паузы в режиме "запись" ведущий вал не выключается , то есть все остальное работает в штатном режиме . При включении паузы двигатель вв подстраивается тремя импульсами но не выключается . Из-за этого лента образует петли так как подмотка в этом режиме не работает . В режиме "play" пауза работает нормально .
| SNC00447..jpg |
| Описание: |
|
| Размер файла: |
385.78 КБ |
| Просмотрено: |
402 раз(а) |

|
|
|