ESpec - мир электроники для профессионалов


Замена ШИМ контроллера в DVD LG

  Список форумов » DVD-проигрыватели и видеомагнитофоны

Следующая тема · Предыдущая тема
АвторСообщение
bps12 
Заглянувший
Сообщения: 1
 
Сообщение #1 От 04/04/2014 07:41 цитата  

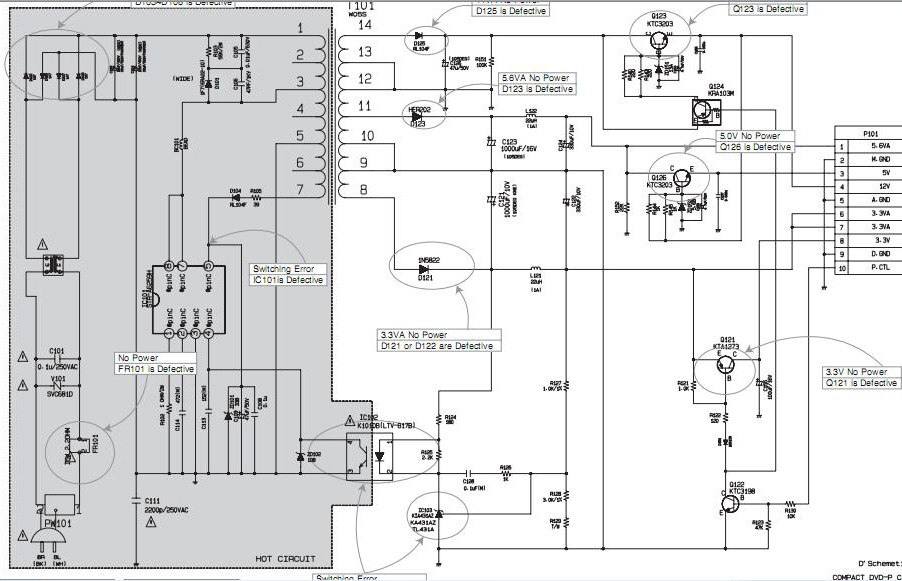
Здравствуйте господа знатоки. Подскажите пожалуйста возможно ли заменить ШИМ A6259H на A6359 в этой схеме? Смущает 2 вывод на А6259h, а на А6359 такого вывода нет. Без этого вывода я так понял не будет мягкого старта.
Даташиты прилагаю.

  Бп.JPG  176.18 КБ  Скачано: 409 раз(а)
  datasheet A6259H.pdf  989.97 КБ  Скачано: 4122 раз(а)
  irisa6359.pdf  401.66 КБ  Скачано: 580 раз(а)

Перейти: 
Следующая тема · Предыдущая тема
Показать/скрыть Ваши права в разделе

Интересное от ESpec


Другие темы раздела DVD-проигрыватели и видеомагнитофоны



Rambler's Top100 Рейтинг@Mail.ru liveinternet.ru