| Автор | Сообщение |
|
Albatross
|
| Panasonic NV-SR55, при включении в сеть сразу начинает крутится видеоголовка, и срабатывает загрузка кассеты, кассета заезжает, механика отрабатывает все как положено, и сразу выплевывает кассету, далее stand by, повторная попытка загрузить кассету не выходит, не реагирует фото датчик, кассету толкаешь, датчик перекрывается но загрузка не включается. Датчик прозванивал, звонится одинаково как и на д.р аппарате. |
|
БЕЗЫМЯННЫЙ
Бегущий по граблям
Сообщения: 7608
|
| Крышка при этом у аппарата снята? Если да, то лампу настольную выключи. |
|
|
Albatross
|
| БЕЗЫМЯННЫЙ писал: | | Крышка при этом у аппарата снята? Если да, то лампу настольную выключи. |
Крышка одета. |
|
БЕЗЫМЯННЫЙ
Бегущий по граблям
Сообщения: 7608
|
| первым делом питания на предмет пульсаций, потом состояние механики, контакты программника на предмет черноты. Не поможет, тогда уже отрабатывать уровни с фотоприемников и далее по схеме. |
|
|
Albatross
|
| БЕЗЫМЯННЫЙ писал: | | первым делом питания на предмет пульсаций, потом состояние механики, контакты программника на предмет черноты. Не поможет, тогда уже отрабатывать уровни с фотоприемников и далее по схеме. |
Питания не могу пока проверить, нет осциллографа.
Механику всю перебрал, все детали целые, метки выставлены, все смазано.
Программник стоит заведомо исправный, контакты прочищены.
Фото датчики те что по бокам переставил с др платы, центральный инфракрасный светится.
Главный конденсатор проверил, емкость и ESR в норме.
При включении в сеть сразу хочет загрузить кассету, если кассеты в приемнике нету то лифт останавливает фиксатор, при этом крутится левый ролик.
При нажатии кнопки ВКЛ так-же сразу загружает кассету если она есть в приемнике, или хочет загрузить если кассеты нет в приемнике.
Возьмет кассету и сразу отдает, далее при попытке впихнуть кассету не включается.
Где искать неисправность?
Вот видео записал.
https://youtu.be/EnbU0odNx7E |
|
vadim3008
Мастер Добрых Дел
Сообщения: 5819
|
Albatross, может всё таки плохо собрал,механизм.Найди старую кассету,и попробуй пальчиками загрузить,и посмотреть,не мешает ли чего  |
|
|
pasha-4
|
| Albatross, центральный светодиод бывает подсел и слабо светит |
|
|
Albatross
|
| vadim3008 писал: | Albatross, может всё таки плохо собрал,механизм.Найди старую кассету,и попробуй пальчиками загрузить,и посмотреть,не мешает ли чего  |
Когда собирал ЛПМ, выставлял по меткам, загружал кассету подавая +4.5v на мотор загрузки, все отработало как по маслу, ни где и ни чего не задевало.
У меня их тут SUPER DRIVE с К-механизмом 4шт, три магнитофона и один плеер, все разбирал, почистил, смазал, все детали целые, ни чего не сломал, выучил всю механику на 5+
| pasha-4 писал: | | Albatross, центральный светодиод бывает подсел и слабо светит |
Я кстати с донора махнул фото датчики и центральный светодиод тоже, но ни чего не изменилось.
ДОБАВЛЕНО 10 Май 2019, 22:16
Поведение не нормальное, при включении в сеть ни чего не должно происходить, а у меня сразу срабатывает загрузка кассеты, даже если кассеты нет в приемнике, и после выгрузки кассеты крутится левый ролик который наматывает пленку в кассете.
Программник поставил с рабочего аппарата.
Вот если кассету вставляю которая нормально перемотана на начало, он ее до самого конца-предела натягивает в начало. |
|
|
pasha-4
|
Ну так проц правый фотодатчик не видит
ДОБАВЛЕНО 11/05/2019 06:57
Уровни с датчиков можно и вольтметром померять |
|
|
Albatross
|
| pasha-4 писал: | Ну так проц правый фотодатчик не видит
ДОБАВЛЕНО 11/05/2019 06:57
Уровни с датчиков можно и вольтметром померять |
Датчик менял на другой, цепь датчика прозванивал до процессора. |
|
|
pasha-4
|
| А уровень то померяй при засвеченном и закрытом, может резистор подкорректировать |
|
|
Albatross
|
Процессор то-же поменял с донора, но все по прежнему.
и что странно, переднюю панель не одел и верх крышку то-же, включаю в сеть, крутится только левый ролик, головка только дернулась, загрузочный двигатель молчит. Одел перед панель и крышку, включаю, заработал как выше проблема описана.
Процессор поменял потому что хозяин говорит что носил давно в ремонт и там приговорили проц, у меня опыта мало и проц был донорский, вот и махнул, но дело не в нем. Сам не знаю что дальше делать. Хозяин плеера говорит "выкинь в мусорку, если починишь забери себе". |
|
|
Albatross
|
| pasha-4 писал: | | А уровень то померяй при засвеченном и закрытом, может резистор подкорректировать |
Уровень померял, свет видит, 584 Ом в темноте, 568 Ом когда светодиод включается.
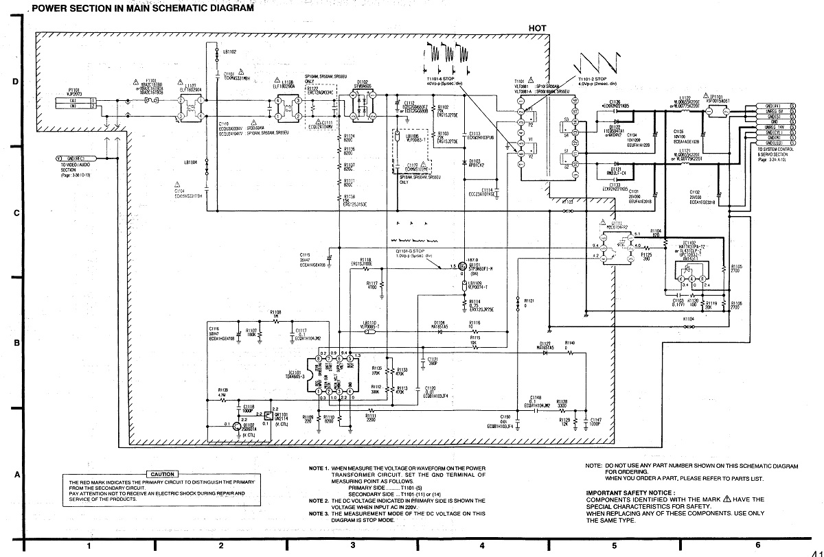
Одно напряжение с блока питания завышено, по схеме должно быть 14v, а у меня 22v
| Power Supply 1200.jpg |
| Описание: |
|
| Размер файла: |
287.35 КБ |
| Просмотрено: |
355 раз(а) |

|
|
|
БЕЗЫМЯННЫЙ
Бегущий по граблям
Сообщения: 7608
|
| Albatross, 584 и 568 ом разница маловата. Надо не омы а вольты мерить на приемнике или на ноге проца, на пути света от светодиода до приемника при отсутствии кассеты точно ничего нет? Конденсаторы в питателе кроме "главного" проверены? |
|
krugliak
Завсегдатай
Сообщения: 307
|
| Там всего 2 напряжения, 14 вольт для питания двигателей и силовой части и 6 вольт после КРЕНки для питания процессора и остальной части схемы. Померяйте напряжение до КРЕНки, оно тоже должно быть увеличено, меняйте электролиты около TDA4605, С1115 и С1116. Хотя если на силовую часть шло 22 вольта то это уже совсем не датчик, а гораздо серьёзней. |
|
БЕЗЫМЯННЫЙ
Бегущий по граблям
Сообщения: 7608
|
| krugliak, а что серьезнее? ВА судя по поведению аппарата выжила, моторы тоже. |
|
|
Albatross
|
| krugliak писал: | | Там всего 2 напряжения, 14 вольт для питания двигателей и силовой части и 6 вольт после КРЕНки для питания процессора и остальной части схемы. Померяйте напряжение до КРЕНки, оно тоже должно быть увеличено, меняйте электролиты около TDA4605, С1115 и С1116. Хотя если на силовую часть шло 22 вольта то это уже совсем не датчик, а гораздо серьёзней. |
Там на схеме не КРЕНка, деталь с двумя выводами это что-то типа предохранителя, в место нее уже была впаяна перемычка.
Еще заметил что разъем кабеля питания, восстанавливали контактные площадки, а вокруг разъема черный нагар, который отмылся спиртом.
Обнаружил транзистор "Q1", греется как утюг, чем заменить? Его уже выпаивали до меня, а в донорской плате нет такого.
ДОБАВЛЕНО 16 Май 2019, 01:12
| БЕЗЫМЯННЫЙ писал: | | Albatross, 584 и 568 ом разница маловата. Надо не омы а вольты мерить на приемнике или на ноге проца, на пути света от светодиода до приемника при отсутствии кассеты точно ничего нет? Конденсаторы в питателе кроме "главного" проверены? |
Замерил напряжение на правом датчике света, когда механика отрабатывает 4.87v, переключается в "stand by" 5.00v
когда переключается в "stand by" центральный инфракрасный светодиод гаснет.
когда в "stand by", закрывал датчик света, напряжение не меняется 5.00v
Конденсаторы все заменю.
| 2019-05-15_23-17-59.png |
| Описание: |
|
| Размер файла: |
297.07 КБ |
| Просмотрено: |
231 раз(а) |

|
| 2019-05-15_23-51-11.png |
| Описание: |
|
| Размер файла: |
224.24 КБ |
| Просмотрено: |
222 раз(а) |

|
|
|
krugliak
Завсегдатай
Сообщения: 307
|
| Название Q1 тоже что на схеме или его меняли , транс импульсный родной или заменён. Транзистор силовой обычно нагревается градусов до 50 . Вместо перемычки стоял предохранитель похожий на транзистор но 2-х ногий, на 0.6 ампера №15. Где вы намерили 22 вольта, должно быть не больше 16 вольт. |
|
БЕЗЫМЯННЫЙ
Бегущий по граблям
Сообщения: 7608
|
| Albatross, в последний раз спрашиваю, конденсаторы проверили? Напряжение на фотоприемнике должно меняться минимум на 3 вольта. Приемник засвечивается, преграды никакой нет? |
|
|
Albatross
|
| БЕЗЫМЯННЫЙ писал: | | Albatross, в последний раз спрашиваю, конденсаторы проверили? Напряжение на фотоприемнике должно меняться минимум на 3 вольта. Приемник засвечивается, преграды никакой нет? |
Конденсаторы проверил, большинство в БП неисправные, при замере скачет емкость и esr.
Приемник засвечивается, все как положено.
Транзистор стоит родной "P3N60FI", выпаял, прозвонил, транзистор не открылся, и внутренний диод не звонится.
Я правильно подобрал аналог? 2SK3567 или 2SK2043
ДОБАВЛЕНО 16 Май 2019, 18:18
| krugliak писал: | | Название Q1 тоже что на схеме или его меняли , транс импульсный родной или заменён. Транзистор силовой обычно нагревается градусов до 50 . Вместо перемычки стоял предохранитель похожий на транзистор но 2-х ногий, на 0.6 ампера №15. Где вы намерили 22 вольта, должно быть не больше 16 вольт. |
Транзистор стоял родной "P3N60FI".
Я термоклей на транзистор нанес, клей стал прозрачный и потек, температура плавления клея 85
| NV-SR55, Power Supply (2).jpg |
| Описание: |
|
| Размер файла: |
274.16 КБ |
| Просмотрено: |
280 раз(а) |

|
|
|

|