| Автор | Сообщение |
|
Риад
|
Здравствуйте. ТВ Hyundai H-TV1405 шасси М28В
Нет растра, звука. Есть потрескивание высокого, даже экран не сильно, но электризуется.
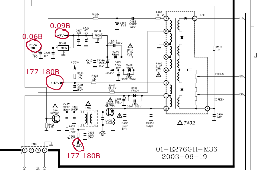
Вскрыл и обнаружил треснувший пополам STV9302, заменил, лучше не стало. Замеряю напряжения: 112, 5, 9 в высоковольтном блоке вместо 5, 9В - 0.06, 0.09В, а вместо 112В - (177-180В) (см. рис. в файле).
Схема полностьюhttp://archive.espec.ws/files/ROLSEN_C2160,C21R65,C2165,C21R65_Manual_en.pdf
Что сделал: проверил Q402(D1555), ТДКС(прозвонил), Q401, T401, диоды - все норма. Замеры: на R402 там где подходит 112В показывает 177-180В, после сопротивления(на трансформаторе) 40В, на коллекторе Q402 = 0В
ТВ так и не показывает, нет громкости, НО потрескивает.
ТВ высокое напр.png 97.98 КБ Скачано: 1198 раз(а)
|
|
LordLostr
Модератор
Сообщения: 8673
|
| Риад, Не добивай телик,обратись к телемастеру! |
|
shursh
Завсегдатай
Сообщения: 522
|
| >>ТДКС(прозвонил)<< Да............. |
|
LordLostr
Модератор
Сообщения: 8673
|
Преезжаем.  |
|
|
Риад
|
|
viktor_ramb
Сам себе начальник
Сообщения: 23835
|
Риад,
Недостаточная операция для диагностики ТДСК - его нужно ещё штангенциркулем измерить!
ДОБАВЛЕНО 01/04/2013 10:41
| Риад писал: | | спасибо за советы |
Пожалуйста за вопросы!
Не имейте всем мозги - обращайтесь к профессиональному мастеру или покупайте новый ТВ ! |
|
Yuritsh
Фанат форума
Сообщения: 18498
|
| Риад писал: | | НО потрескивает. | Наклеиваешь на экран фотографию зажженного камина, ставишь на пол, к стене. Садишься напротив в кресло-качалку. Английский клетчатый плед, китайский халат с драконом на спине, кубинская сигара, бокал французского конька. Протягиваешь к камину натруженные ноги.
Что еще нужно, чтобы встретить старость? |
|
|
Риад
|
блин, еще раз низкий поклон специалистам, за добрые советы
тема закрыта |
|
KRAB
Распугиватель клиентов
Сообщения: 21704
|
| А счет за консультацию кто оплачитвать будет? |
|