| Автор | Сообщение |
|
Dangol0000
|
|
viktor_ramb
Сам себе начальник
Сообщения: 23835
|
| Dangol0000, качни схемы подобных БП и увидишь какой диод нужен и найдёшь аналоги еслинужно, хотя спецу и по смыслу видно какой диод стоял и что нужно ещё проверить/ в случае такой аварии. |
|
|
Dangol0000
|
| viktor_ramb писал: | | Dangol0000, качни схемы подобных БП и увидишь какой диод нужен и найдёшь аналоги еслинужно, хотя спецу и по смыслу видно какой диод стоял и что нужно ещё проверить/ в случае такой аварии. |
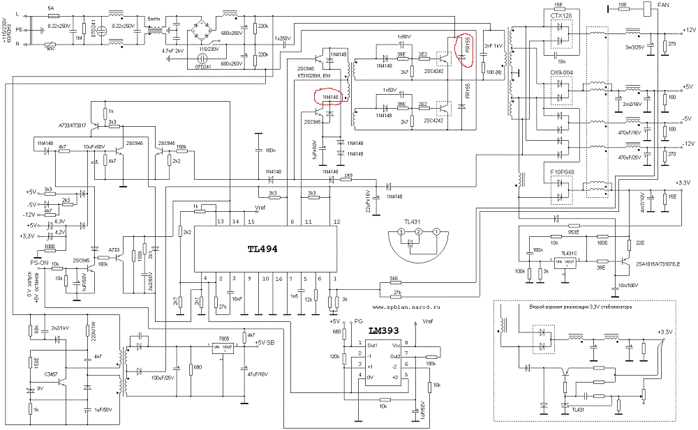
Нужно транзисторы выпаивать и проверять, но их выпаивать и менять не буду, т. к. дешевле оставить сгоревший бп на запчасти, Хочу попробовать заменить диод, если не поможет то нестрашно, попытка не пытка. На типовой схеме бп ATX нашел 2 типа диодов 1N4148 и FR155. Не могу разобраться какой аналог моего. Выделил на фото кружком.
http://monitor.espec.ws/files/std-atx_941.gif
std-atx.gif 48.36 КБ Скачано: 520 раз(а)
|
|
gonzo
Винтокрут
Сообщения: 4376
|
Похоже на 1N4008, но диоды просто так не взрываются, просто замена даст еще один фейерверк  |
|
|
Dangol0000
|
| gonzo писал: | Похоже на 1N4008, но диоды просто так не взрываются, просто замена даст еще один фейерверк  |
Спасибо! У бп перестал крутится кулер и под нагрузкой близкой к максимальной он стал сильно грется, почувствовался запах горящего лака и произошел сильный хлопок. Может просто сам диод от перегрева разорвало и цепь просто разомкнулась. |
|
viktor_ramb
Сам себе начальник
Сообщения: 23835
|
Dangol0000, | Цитата: | | Может просто сам диод от перегрева разорвало и цепь просто разомкнулась. |
Ага! И проводок сам по себе просто отвалился! |
|
|
Dangol0000
|
| viktor_ramb писал: | Dangol0000, | Цитата: | | Может просто сам диод от перегрева разорвало и цепь просто разомкнулась. |
Ага! И проводок сам по себе просто отвалился! |
Да проводок я сам открутил, это как я понял "земля" идет от 3-го контакта сетевого разъема и был прикручен к плате и замыкаля на корпус бп. |
|
|
Dangol0000
|
| gonzo писал: | Похоже на 1N4008, но диоды просто так не взрываются, просто замена даст еще один фейерверк  |
Узнал информацию по диоду 1N4008 12V 0.1A <70ns, но не нашел его в продаже, а также и его отечественный аналог МД3Б. Возможно заменить его на более сильный по току и напряжению? Или 12V 0.1A это предел. |
|
gonzo
Винтокрут
Сообщения: 4376
|
|
|
Dangol0000
|
|
TE
Старший модератор
Сообщения: 10199
|
Автор много разместил фотографий, но почти все бесполезны для определения типа диода. Если бы была фотография со стороны сетевых конденсаторов и вторая со стороны печати, то можно точно определить тип диода. Пока можно сказать, что это не 1N4008.
Добавлю. Наверняка пробит полевой транзистор на радиаторе. |
|
|
Dangol0000
|
| TE писал: | Автор много разместил фотографий, но почти все бесполезны для определения типа диода. Если бы была фотография со стороны сетевых конденсаторов и вторая со стороны печати, то можно точно определить тип диода. Пока можно сказать, что это не 1N4008.
Добавлю. Наверняка пробит полевой транзистор на радиаторе. |
Добавил фото еще с кондерами и печатной платой. Если нужны будут фото спрашивайте сделаю еще
ДОБАВЛЕНО 02/03/2014 14:18
Если поможет еще фото с подобным диодом на плате, по фото я предположил: производитель диода SEP с маркировкой SBxxx. Думаю из строя вышел аналогичный, но тот был размером по меньше.
| IMG_0013.jpg |
| Описание: |
|
| Размер файла: |
256.65 КБ |
| Просмотрено: |
357 раз(а) |

|
| IMG_0010.jpg |
| Описание: |
|
| Размер файла: |
401.58 КБ |
| Просмотрено: |
367 раз(а) |

|
| IMG_0014.jpg |
| Описание: |
|
| Размер файла: |
222.82 КБ |
| Просмотрено: |
351 раз(а) |

|
| IMG_0019.jpg |
| Описание: |
|
| Размер файла: |
232.39 КБ |
| Просмотрено: |
356 раз(а) |

|
|
|
gonzo
Винтокрут
Сообщения: 4376
|
| Dangol0000, по первой в посте картинке у вас один диод, по ссылке http://monitor.espec.ws/files/01_659.jpg - другой, вы уж определитесь. И если собрались пускать БП на запчасти, без тщательной его проверки и замеров всего, что положено, то не морочьте нам голову! |
|
|
Dangol0000
|
| gonzo писал: | | Dangol0000, по первой в посте картинке у вас один диод, по ссылке http://monitor.espec.ws/files/01_659.jpg - другой, вы уж определитесь. И если собрались пускать БП на запчасти, без тщательной его проверки и замеров всего, что положено, то не морочьте нам голову! |
Диод один и тот же, это 2 половинки одного диода. по останком достоверно, что производитель SEP, но не могу установить маркировку, что означает буква A, это ток или то что он германиевый, согласно системе маркировки Pro Electron. |
|
|
Dangol0000
|
Вариант с заменой диода не прошел Припаял 4007 диод, в компьютер вставить БП не рискнул, воткнул перемычку в контакты на основном штеккере мат. платы. включил питание и тут же произошел громкий хлопок. Визуально причины его не установил, включил повторно и огнем вспыхуло сопротивление, находящееся рядом с диодом. Как ни странно предохранитель как новенький. Где хваленые защиты БП. Спасибо всем за ответы! Тему можно закрывать. |
|
|
Morlock
|
| Кривые руки и бестолковая замена - признак ракообразности. |
|