| Автор | Сообщение |
|
ВашЭлектрик
|
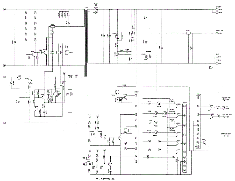
Уважаемые форумчане, помогите опознать туннельный диод D401, и транзистор Q401, согласно Service manual, стр.54.
Стоит в обвязке IC202 защиты блока питания.
Смотрел мануалы на 7200, 7300, 7500 модели, нигде нет Parts List.  |
|
eduard2
Модератор
Сообщения: 4783
|
ВашЭлектрик, | Цитата: | | Стоит в обвязке IC202 защиты блока питания | . тебе ,что надо БП от твоего девайса
ЗЫ- и в заголовки темы исправь на chassis SM007E
пока модеры твою тему на хрен не снесли |
|
Yuritsh
Фанат форума
Сообщения: 18498
|
| ВашЭлектрик писал: | | опознать туннельный диод | А зачем он там? |
|
iv-9
Фанат форума
Сообщения: 6356
|
| И как узнал, что он туннельный, если не опознал? |
|
|
ВашЭлектрик
|
eduard2, За название шасси спасибо, честно искал , но не нашел!
Мне надо марку диода, согласно Parts List, нужно на что-то заменить, не хочется самодеятельностью заниматься!
А опознал очень просто, по условному обозначению на схеме.
Диод ограничивает Vs + Va поступающие на базу ключа Q401, дающего сигнал на IC защиты, что все OK.
Безымянный.gif 55.01 КБ Скачано: 255 раз(а)
|
|
iv-9
Фанат форума
Сообщения: 6356
|
| Ну, пока видно, что D401 - просто стабилитрон для порога срабатывания ключа Q401. Сами детали отсутствуют? Нет маркировки? Или можно сделать хорошее фото? |
|
|
ВашЭлектрик
|
| Все на месте, только дохлое! Маркировки нет. Только не стабилитрон, а именно туннельный диод. Условное обозначение у них разное и на схеме и на плате. |
|
Kolupalkin
Завсегдатай
Сообщения: 914
|
| ВашЭлектрик писал: | | Все на месте, только дохлое! Маркировки нет. Только не стабилитрон, а именно туннельный диод. Условное обозначение у них разное и на схеме и на плате. |
Мда,весна затянулась
Неуч ,а ну бегом книжки читать про диод тунельный со стабилитроном.
Может ты и электрик ,но точно НЕ наш  |
|
iv-9
Фанат форума
Сообщения: 6356
|
Ну, да. Смотрю, прям вся схема усеяна туннельными диодами. Даже в параметрический стабилизатор затесался. И включение классическое для них.  |
|
|
ВашЭлектрик
|
Ну почему же неуч!
Просто я, что вижу на плате (обозначения), то пою!
Так что Вы у Hitachi уточните, почему они так маркируют платы  |
|
Yuritsh
Фанат форума
Сообщения: 18498
|
| ВашЭлектрик писал: | | Просто я, что вижу на плате (обозначения), то пою! | Спеть и мне что-ли про кучу транзисторов с оторванной базой на твоей схеме?  |
|
|
ВашЭлектрик
|
Вот странное дело!
Был конкретный вопрос про наименование элемента схемы.
Вместо того, чтобы сказать НЕЗНАЮ и на том успокоится, начинается флуд!  |
|
Kolupalkin
Завсегдатай
Сообщения: 914
|
| ВашЭлектрик писал: |
у Hitachi уточните, почему они так маркируют платы  |
Это для электриков ,а мастерам ,с другой маркировкой делают  |
|
Yuritsh
Фанат форума
Сообщения: 18498
|
| НеНашЭлектрик писал: | Вот странное дело!
Был конкретный вопрос про наименование элемента схемы.
Вместо того, чтобы сказать НЕЗНАЮ и на том успокоится, начинается флуд! |
| НеНашЭлектрик писал: | | Правильно поставленный вопрос, на 50% предполагает правильно полученный ответ | Похоже, не умеешь ты правильно вопросы задавать, вот и ответы такие... |
|
|
ВашЭлектрик
|
| НеНашЭлектрик писал: | | Правильно поставленный вопрос, на 50% предполагает правильно полученный ответ | Похоже, не умеешь ты правильно вопросы задавать, вот и ответы такие...[/quote]
В топике, позиционные номера интересующих элементов указаны, схема приложена.
Вы бы снизошли с Олимпа и указали, как модератор, как в таком случае должен быть сформулирован вопрос!?  |
|