| Автор | Сообщение |
|
oleg726
|
| Проверить,что у тебя не работает. Первичка или вторичка. Как это делается,уже много раз описывалось. Ищи.Развели блин демагогию на 3 страницы. |
|
БЕЗЫМЯННЫЙ
Бегущий по граблям
Сообщения: 7608
|
| Маленький вопросик: при замене электролитов в первичке случайно не поставил с запасом по емкости? Не помню на каком БП хапнул подобную проблему, поставив екость вдвое больше. |
|
|
Вячеслав-79
|
| oleg726 писал: | | Проверить,что у тебя не работает. Первичка или вторичка. Как это делается,уже много раз описывалось. Ищи.Развели блин демагогию на 3 страницы. |
в данный момент не имею возможности
ДОБАВЛЕНО 28/08/2015 11:28
| БЕЗЫМЯННЫЙ писал: | | Маленький вопросик: при замене электролитов в первичке случайно не поставил с запасом по емкости? Не помню на каком БП хапнул подобную проблему, поставив екость вдвое больше. |
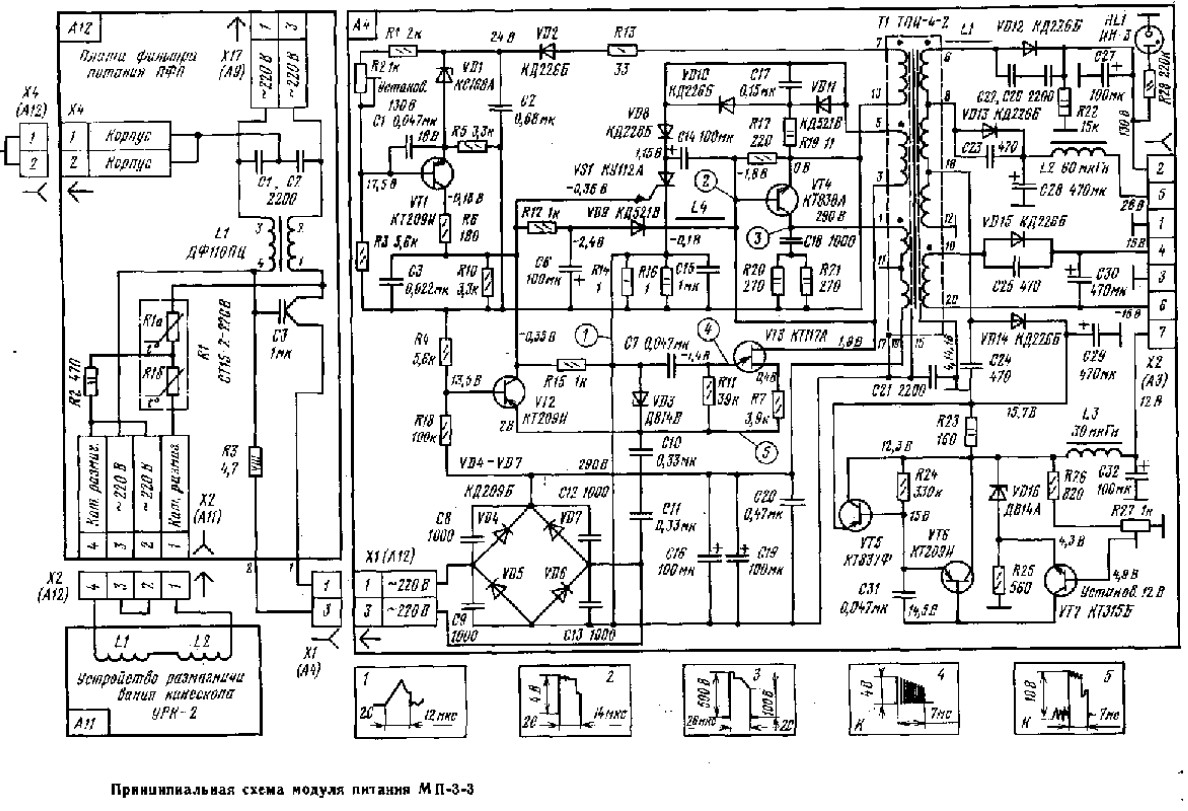
да, была немного завышена по питанию шим , стояла на 63\47, поставил положенную на 50\33 мкФ, результат тот же. |
|
|
Вячеслав-79
|
| oleg726 писал: | | Проверить,что у тебя не работает. Первичка или вторичка. Как это делается,уже много раз описывалось. Ищи.Развели блин демагогию на 3 страницы. |
нужен от вас совет...
нашёл 2 отдельных БП (TNP4G029 от панаса) и МП 3-3 оба требуют легкого доремонта, просто хочу совет, какой лучше собрать для этой цели, просто в первый раз с этим сталкиваюсь. Скрины обоих блоков прилагаю.
| 2015-08-28_112546.jpg |
| Описание: |
|
| Размер файла: |
302.4 КБ |
| Просмотрено: |
389 раз(а) |

|
2015-08-28_112412.jpg 153.67 КБ Скачано: 291 раз(а)
2015-08-28_112433.jpg 134.56 КБ Скачано: 268 раз(а)
|
|
|
oleg726
|
| Я на МП 3 без переделки всё проверяю. На нём и так напруга 110-135 регулируется. Окинь вторичку всю и запитай телек от МП 3. Посмотри на картинку,если будет.Потом откинь первичку и на ТПИ кинь переменку с МП 3.(предварительно выставь на выходе напряжение равное твоему В+).Этим ты проверишь ТПИ свой. Читай,в google генератор питания и как им пользоваться. |
|
kvn51
Завсегдатай
Сообщения: 600
|
|
|
Вячеслав-79
|
| oleg726 писал: | | Я на МП 3 без переделки всё проверяю. На нём и так напруга 110-135 регулируется. Окинь вторичку всю и запитай телек от МП 3. Посмотри на картинку,если будет.Потом откинь первичку и на ТПИ кинь переменку с МП 3.(предварительно выставь на выходе напряжение равное твоему В+).Этим ты проверишь ТПИ свой. Читай,в google генератор питания и как им пользоваться. |
восстановил мп3-3, теперь хочу подстраховаться , так как не совсем уверен, правильно я понял..
у меня с мп3-3 выходят в данный момент 115, 14, и 28 вольт.
в тв потребляется во вторичке 135, 11, 15, 33. Если я отрываю всю вторичку, и навешиваю только 115 с мп3-3 за место родной 135? Тогда не понятно, как быть с остальными , подгонять стабилизацию? это вторичка...
теперь с первичкой, не совсем понял..какую переменку и куда кидать? если я правильно понял, нужно разорвать цепь питания 300 вольт шима и туда врезать с мп3-3 тоже самое? |
|
|
Вячеслав-79
|
| oleg726 писал: | | Я на МП 3 без переделки всё проверяю. На нём и так напруга 110-135 регулируется. Окинь вторичку всю и запитай телек от МП 3. Посмотри на картинку,если будет.Потом откинь первичку и на ТПИ кинь переменку с МП 3.(предварительно выставь на выходе напряжение равное твоему В+).Этим ты проверишь ТПИ свой. Читай,в google генератор питания и как им пользоваться. |
правильно ли я нарисовал схему проверки первички?
2015-08-28_154829.jpg 105.48 КБ Скачано: 243 раз(а)
|
|
|
oleg726
|
в google генератор питания и как им пользоваться.


|
|
|
Вячеслав-79
|
| oleg726 писал: | | в google генератор питания и как им пользоваться. |
это я давно нашёл, но не как не пойму, там уже готовый переделанный генератор, а у меня просто пм 3, я схему правильно нарисовал? |
|
|
oleg726
|
| С МП 3 перед диодом берёшь и паяешь на свою 4(обрезанную)ногу. Массу вторички МП 3 на свою 1 ногу не обрезая. Но сначала на МП 3 с нагрузкой выстави своё В+. Со схем,что я прислал всё видно и понятно! Почитай описание генератора!!! Вникни в суть! За тебя это никто делать не будет. |
|
|
Вячеслав-79
|
| oleg726 писал: | | С МП 3 перед диодом берёшь и паяешь на свою 4(обрезанную)ногу. Массу вторички МП 3 на свою 1 ногу не обрезая. Но сначала на МП 3 с нагрузкой выстави своё В+. Со схем,что я прислал всё видно и понятно! Почитай описание генератора!!! Вникни в суть! За тебя это никто делать не будет. |
правильно?

|
|
|
Вячеслав-79
|
если последняя моя зарисовка правильная. то при подключении мп3 шкворчит..
на выход(130вольт) мп3 повесил лампу 10 ватт, установил напряжение 130 вольт, и подсоединил как по схеме выше, нагрузив строку в телеке на лампу 60 ватт, в итоге шкворчит, не одна лампа не светится, отсоединил всю вторичку, оставил одну лампу 60 ватт, шкворчит...
поправьте, если сделал что то неправильно |
|
|
oleg726
|
| Откинь все вторички и запитай ТВ от МП 3. Я уже писал тебе об этом! Сначала запусти ТВ,а потом проверяй свой БП.!!! |
|
|
oleg726
|
| Выставь на МП 3 135в. 12,15 там уже есть. 28 подключи к своим 33в. |
|
|
Вячеслав-79
|
| oleg726 писал: | | Откинь все вторички и запитай ТВ от МП 3. Я уже писал тебе об этом! Сначала запусти ТВ,а потом проверяй свой БП.!!! |
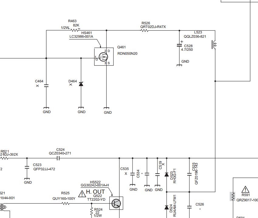
Всё сделал как вы сказали. Включил, нет запуска, начал проверять строку, на коллекторе транзистора-0. Проблема оказалась банальной, а именно , был оборван дроссель в цепи 135 в. , он зараза стоял под мощным наискосок строчным диодом, если не вооружаться взглядом, то видно было только ножки, я и принял его за перемычку. Восстановил обрыв, включаю, мп3 в защиту. Проверяю , пробитый диод D523 заменил на BY328, тв запустился, но осталась ещё одна проблема коррекция растра(подушка), пробежался ESR-ом заменил С528 и пробитый Q461. Всё восстановил, коррекция в норме. Получается я вешал лампу всё время в воздух, и выходит что блок питания без нагрузки вообще отказывался заводиться. Впредь буду ещё внимательнее.
Всем спасибо, тему я думаю можно закрывать.
2015-08-29_231927.jpg 63.73 КБ Скачано: 326 раз(а)
|
|
|
oleg726
|
| Всем спасибо не знаю,а вот МНЕ ГДЕ??? 3 страницы ремонтировали БП,а оказалось в другом месте! Спецы! Блин! |
|
|
Вячеслав-79
|
Поправлюсь, не дроссель, а защитный разрывник.
ДОБАВЛЕНО 30/08/2015 00:30
| oleg726 писал: | | Всем спасибо не знаю,а вот МНЕ ГДЕ??? 3 страницы ремонтировали БП,а оказалось в другом месте! Спецы! Блин! |
Вам разумеется отдельное, а в большую часть за толчок к сборке генератора, уже какой раз всё думал , думал сделать, и вот петух в одно место клюнул.
ДОБАВЛЕНО 30/08/2015 00:38
| oleg726 писал: | | Всем спасибо не знаю,а вот МНЕ ГДЕ??? 3 страницы ремонтировали БП,а оказалось в другом месте! Спецы! Блин! |
а не подскажите, как закрыть тему, в правилах что то не понял, может не там читал

|
|
|
Вячеслав-79
|
Попрошу модераторов закрыть тему, так как не нахожу у себя такого как в правилах.

2015-08-29_235808.jpg 83.82 КБ Скачано: 223 раз(а)
|
|
виктор-теледоктор
Фанат форума
Сообщения: 13900
|
Вячеслав-79, млин, как же ты перед ремонтом HOT не проверил?
Из-за пробитых D523 и Q461 у тебя прибор показал бы К-Э десяток ом.... |
|