ESpec - мир электроники для профессионалов


Ищу аналог на м/с SN1208022 SOP-8

  Список форумов » Даташиты

Следующая тема · Предыдущая тема
АвторСообщение
Сергейййй 
Заглянувший
Сообщения: 4
 
Сообщение #1 От 18/01/2016 20:49 цитата  

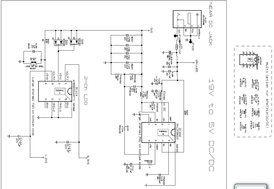
Стояла микра 208022, в магазе найти не могу, если поставить APW 7302b обвеску менять надо, или есть другие аналоги

  22.jpg  94.99 КБ  Скачано: 1080 раз(а)
eduard2 
Модератор
<B>Модератор</B>
Сообщения: 4783
eduard2
 
Сообщение #2 От 18/01/2016 21:18 цитата  

Сергейййй, Ты че в заголовки темы написал бяка тут ремонтом не занимаются а ищут Даташиты - вот и исправляй твою тему- типа вот так ,Ищу аналог на м/с SN1208022 SOP-8
PS-Кстати у тебя ,что есть даташит на эту микруху?
Сергейййй 
Заглянувший
Сообщения: 4
 
Сообщение #3 От 19/01/2016 19:25 цитата  

Даташит ненашел, есть только схема

ДОБАВЛЕНО 19/01/2016 19:37

подобрал два варианта apw7313 и apw7302b даташит во вложении, подойдет без замены обвязки?

  22.jpg  94.99 КБ  Скачано: 526 раз(а)
  datasheet 7313.pdf  371.42 КБ  Скачано: 536 раз(а)
  APW7302B.pdf  547.52 КБ  Скачано: 600 раз(а)
Сергейййй 
Заглянувший
Сообщения: 4
 
Сообщение #4 От 21/01/2016 08:09 цитата  

Нашел даташит на TPS54339, решил её впаять!

ДОБАВЛЕНО 21/01/2016 08:13

eduard2 писал:
Сергейййй, Ты че в заголовки темы написал бяка тут ремонтом не занимаются а ищут Даташиты - вот и исправляй твою тему- типа вот так ,Ищу аналог на м/с SN1208022 SOP-8
PS-Кстати у тебя ,что есть даташит на эту микруху?

Заголовок исправил, на 208022 ничего не нашел.

  tps54339.pdf  999.13 КБ  Скачано: 694 раз(а)

Перейти: 
Следующая тема · Предыдущая тема
Показать/скрыть Ваши права в разделе

Интересное от ESpec


Другие темы раздела Даташиты



Rambler's Top100 Рейтинг@Mail.ru liveinternet.ru