ESpec - мир электроники для профессионалов


Монитор NEC 75F не настраивается яркость

  Список форумов » CRT-мониторы

Следующая тема · Предыдущая тема
АвторСообщение
Gavrocsh 
Новичок
Сообщения: 22
Gavrocsh
 
Сообщение #1 От 06/07/2004 06:55 цитата  

Здравствуйте коллеги! У меня вот такая проблема. Может кто сталкивался?
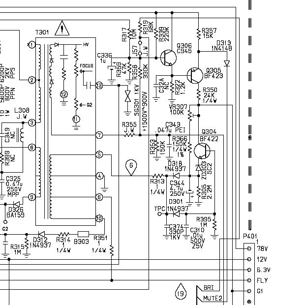
Заменил методом замены всю обвязку яркости... результат не изменился... с помощью подстроечника на плате могу выставить, а с меню не работает(меняется но совсем немножко)... выход с проца (яркости) низкий уровень от 0 до 5 вольт меняется... до транзистора доходит а там полная Ж***... все элементы целые, но на всякий случай я их проверил заменой...

Прошу помощи

  nec.JPG  80.47 КБ  Скачано: 1267 раз(а)
MVI 
Участник
Сообщения: 264
 
Сообщение #2 От 06/07/2004 13:19 цитата  

Gavroch
на Q306 приходит 4 сигнала, кроме этого есть другие влияния на G1.
надо самому понять, кто держит.
в моих ситуациях летели высокоомные резисторы.

Перейти: 
Следующая тема · Предыдущая тема
Показать/скрыть Ваши права в разделе

Интересное от ESpec


Другие темы раздела CRT-мониторы



Rambler's Top100 Рейтинг@Mail.ru liveinternet.ru