| Автор | Сообщение |
Administrator
ЕСпецовед
Сообщения: 3308
|
Использовались некоторые разьяснения и комментарии от rezident, за что ему отдельное, огромное СПАСИБО!
Это пока самый первый, "черновой" набросок.
Надеюсь, тема будет пополняться, так что, дополняйте своими советами и тд, не стесняйтесь
Итак ...
SoftJig - с чем его едят ...
Что такое SoftJig?
Под SoftJig-ом здесь, и далее, подразумевается программно-аппаратный комплект для настройки мониторов. Другими словами, адаптер плюс программа, с помощью которых можно производить считывание и запись значений в памяти монитора, изменяя и контролируя тем самым многие параметры, недоступные из пользовательского меню. Адаптер подключается без разборки аппарата, к сигнальному кабелю монитора, и к LPT-порту компьютера.
Какие мониторы можно настраивать SoftJig-ом?
Большинство современных ...
Каждый производитель, зачастую, делает свой, не совместимый с другими фирмами набор(программу и адаптер). Далее будут рассматриваться SoftJig для настройки мониторов фирмы SAMSUNG, и немного LG. Возможно, скоро, будет размещена информация и по другим фирмам.
Где взять SoftJig?
Если у вас есть голова, и руки растут правильно, то наиболее оптимальный вариант для вас, это собрать самому. Варианты - купить, украсть, и тд., здесь не рассматриваются.
Где взять схему от SoftJig-а?
Скачать с этого сайта.
На данный момент существует несколько разновидностей схем, которые будут приведены ниже.
Где взять программу от SoftJig-а?
Аналогично предыдущему вопросу, ищите ответ ниже ...
Как пользоваться SoftJig-ом?
Подключаем, устройство, запускаем программу, работаем.
Если вы не полный идиот, то через некоторое время, методом проб и ошибок, с программой сами разберетесь. Пока, некоторые рекомендации:
- Сигнал.
На монитор должен быть подан сигнал, оговоренный в сервисном мануале. Причем важны не только частоты HSYNC и VSYNC, но и их полярность! В противном случае бывает ситуации когда настроить можно, но сохранить настройки нет. Самый простой способ для решения этой проблемы - установить в системе на компьютере от которого подается видеосигнал драйвер для данной модели монитора.
Для 14" -15" мониторов 800x600 85Hz H+, V+
для 17"-19" мониторов 1024x768 85Hz H+, V+
- Настройка геометрии [для SAMSUNG]
1. Установите рекомендуемое разрешение. 800x600 85Hz - 14,15" 1024x768 85Hz 17,19"
2. Вызовите функцию STND MODE DUMP.
3. Подстройте все необходимые регулировки геометрии изображения.
4. Вызовите функцию ALL MODE SAVE. После этого SoftJig сам автоматически скорректирует настройки для всех заводских режимов и сохранит их. При необходимости проверьте все предустановленные заводские режимы и подкорректируйте их, сохраняя каждый MODE SAVE
- Настройка цветов [для SAMSUNG]
1. Установите рекомендуемое разрешение. 800x600 85Hz - 14,15" 1024x768 85Hz 17,19"
2. Вызовите функцию CHANNEL1 для цветовой температуры 9300.
3. Подстройте все необходимые регулировки цветов изображения.
4. Вызовите функцию ALL COLOR SAVE. После этого SoftJig сам, автоматически скорректирует настройки для всех остальных цветовых температур (если другие вообще есть) и сохранит их. При необходимости проверьте остальные цветовые температуры, вызывая из CHANNELx, и подкорректируйте их, сохраняя каждую индивидуально COLOR SAVE.
- После настройки [для SAMSUNG]
Внимание! Завершив все регулировки и сохранив их, перед выходом из SoftJig следует вызвать функцию USER DELETE. Если этого не сделать, то монитор останентся в режиме BurnIn и не будет выдавать сообщение типа "Проверьте кабель", а также режим энергосбережения тоже работать не будет.
- О версиях программ [для SAMSUNG]
SoftJig 0.9 DOS-версия. Оболочка напоминает LG SoftJig. Функций минимум - настройка геометрии и цветов. Правда в то время другого и не требовалось. Работает в чистом DOSе. Насчет DOS-сессии не проверялось. MDL-файлы не совместимы с последующими Windows-версиями программ.
SoftJig 2.3a и 2.3b работает напрямую с LPT-портом, потому совместим только с Win9x. Для функционирования нужен только один исполняемый файл service.exe (ну и MDL соответствющий). Умеет сохранять дамп EEPROM в файл и обратно. Не умеет показывать время наработки. Есть ограничение по количеству MDL-файлов в том же каталоге что и сама программа service.exe (не более 325 по-моему).
SoftJig 3.0 использует WinDriver, поэтому совместим и с WinNT (Win2K, WinXP) тоже. Для минимального функционирования нужно 2 файла: service.exe и ssmonsv.sys. На момент установки в системе нужен ssmonsv.inf. Для чтения/записи EEPROM нужно еще и четвертый файл - device.txt. Без наличия этого файла функция сохранения дампа EEPROM не работает. Драйвер для него в Windows нужно ставить ручками, через "установку оборудования". Умеет показывать время наработки для тех мониторов, где эта опция реализована. Есть кнопка DDC Write, но умеет ли он писать м/с DDC не проверялось, ни разу не возникало потребности проверить эту функцию. Имеет дополнительно кучу всяких других прибамбашек, т.к. видимо разрабатывался для более современных мониторов с OSD, MagicBright и прочими фишечками.
- MDL-файлы [для SAMSUNG]
MDL - Model File. В файлах *.mdl содержится необходимая информация для настройки конкретной модели монитора. При работе, очень важно выбрать для нужный MDL-файл. В Windows версиях, MDL-файлы совместимы между программами. В принципе MDL-файл представляет из себя текстовый файл с описанием. Необходимые MDL-файлы выложены в отдельном архиве, их нужно скопировать в директорию программы. Если скопируете в директорию слишком много файлов, программа работать не будет.
- DDC-файлы
DDC - Display Data Channel. По сути, файлы прошивок, находящиеся в DDC EEPROM монитора. Необходимы для идентификации монитора по технологии "Plug and play".
Кстати, не знаю как сейчас, но раньше, у Samsung-а в DDC EEPROM был еще записан серийный номер аппарата (serial number), да и не только у Samsung-а ...
А теперь, самое главное.
Авторы сообщений не несут ответственности за ваши действия.
Неправильная интерпретация или кривые руки, будут на вашей совести.
Эта тема рассчитана на лиц, имеющих достаточный опыт при ремонте аппаратуры.
Желательно, перед экспериментами, сохранить прошивку. Особенно при отсутствии опыта.
Для начала хватит, устал, начинаю закачиваю файлы ...
Напоминаю, что это раздел готовых решений, здесь приветствуются замечания, разьяснения, обмен опытом и тд.
[/img] |
|
Administrator
ЕСпецовед
Сообщения: 3308
|
Soft jig manual
Краткая инструкция по подключению и работе с SoftJig SAMSUNG на английском языке.
Softjig Instruction.rar 584.81 КБ Скачано: 5947 раз(а)
|
|
Administrator
ЕСпецовед
Сообщения: 3308
|
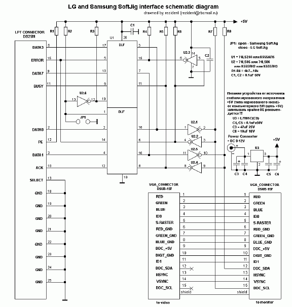
Схема 1 [от rezident]
Это совмещенный вариант, то есть можно работать одним устройством с мониторами LG и SAMSUNG.
1.png 13.25 КБ Скачано: 36078 раз(а)
|
|
Administrator
ЕСпецовед
Сообщения: 3308
|
Схема 2 [от WLAD1111]
Это упрощенный вариант предыдущей схемы. Работает только с SAMSUNG.
Блок питания можно использовать от предыдущей схемы.

|
|
Administrator
ЕСпецовед
Сообщения: 3308
|
Схема 3 [от Jovani]
Это стандартный вариант схемы для работы с мониторами LG.
Выдрано из первого попавшего под руку Service Manual.

|
|
Administrator
ЕСпецовед
Сообщения: 3308
|
Схема 4 [от Jovani]
Вариант для SAMSUNG (с переключателями).
Схема блока питания не приводится, думаю сообразите как запитать одну м/сх 74LS05.

|
|
Administrator
ЕСпецовед
Сообщения: 3308
|
Схема 5 [от Jovani]
Это вариант схемы для работы с мониторами SAMSUNG.
Основное отличие от предыдущих - питание от LPT-порта. То есть не нужен внешний источник питания. Однако, при использовании этой схемы, есть вероятность, что могут возникнуть проблемы на новых матерях, где буфер ЛПТ питается от 3.3 вольта.
5.png 16.66 КБ Скачано: 5344 раз(а)
|
|
Administrator
ЕСпецовед
Сообщения: 3308
|
Схема 6 [от Jovani]
Еще один вариант схемы для работы с мониторами SAMSUNG.
6.pdf 42.73 КБ Скачано: 4425 раз(а)
|
|
Administrator
ЕСпецовед
Сообщения: 3308
|
|
Administrator
ЕСпецовед
Сообщения: 3308
|
MDL-файлы [для SAMSUNG]
На данный момент, это все MDL-файлы, которые я имею.
Так же прилагается список соответствия MDL-файлов и моделей, но список довольно старый - Revision (11-6-2002).
Если у кого есть свежий список и MDL, закачайте.
MDL-files.rar 243.81 КБ Скачано: 3450 раз(а)
Model Files List.rar 38.75 КБ Скачано: 3359 раз(а)
|
|
Administrator
ЕСпецовед
Сообщения: 3308
|
DDC-файлы [для SAMSUNG]
Ни разу не понадобились, но прилагаю.
В архиве так-же старая DOS-программа, чисто для работы с DDC Samsung.
DDC-files.rar 196.18 КБ Скачано: 2853 раз(а)
|
|
Administrator
ЕСпецовед
Сообщения: 3308
|
|
|
The_NCL
|
| Jovani писал: | Схема 1 [от rezident]
Это совмещенный вариант, то есть можно работать одним устройством с мониторами LG и SAMSUNG. |
Собрал прибор по схеме "Схема1", т.е. универсальный. НЕ РАБОТАЕТ. Samsung Syncmaster 15GLe (CMA5377L).
Реакция программы либо вида "монитор не подключен" (при использовании софта v2 под win98), либо "интерфейсная плата не подключена" (с софтом v3 под WinXP).
Сигналы на DDC (VGA разъем, контакты 12 и 15 - как следует из схемы монитора & даташита на IC, это как раз In/Out его процессора) есть. Какие-то. Что называется, "похожие на правду". Я не профессионал в ремонтном бизнесе (хотя, будучи инженером-электронщиком, все свое оборудование предпочитаю чинить сам... а заодно, приходится и оборудование знакомых), в общем, обширной статистики не имею. Поэтому, вполне возможно, не понимаю какой-нибудь простой, возможно само собой разумеющейся вещи. Например, реально ли необходимо для, хотя бы, чтения текущих настроек выставление режима 800x600x85Hz? Штука в том, что нету у этого монитора такого режима... 75Hz в 800x600 - предел. Поплясав с бубном вокруг своей двухголовой видеокарты, я, конечно, выдал-таки на ремонтируемый монитор требуемый видеорежим (экран он при этом погасил, понятно), не потеряв способность наблюдать происходящее (второй головой видеокарты, на другом мониторе). Однако результат - тот же самый, что и при любых других развертках.
Еще один тупой вопрос - насколько нужно наличие точно соответствующего модели mdl-файла для получения, хотя бы, какой-то реакции от программы? Подозреваю, что нет (был бы DDC2B+, а это практически во всех из них), но - мало ли...В имеющемся сборнике файла для 15GLe нету, кстати. Или некстати, скорее. ;(
Добавлено 18-12-2004 19:48
Блин, Jovani! Ну, вот уж респект так респект! Случайно, совершенно в другом треде, сейчас наткнулся на упоминание (между прочим, твое!), что softjig И НЕ ДОЛЖЕН работать со всей серией Samsung GL !!! Я в восторге, поскольку ка-аротенькое упоминание этого "малозначительного" фактика тут, среди толпы прочих "советов для тупых" - сэкономило бы мне по меньшей мере вечер, затраченный на сборку девайса, и гораздо больше времени, потраченного в попытках разобраться "почему не работает". Сразу бы наплевал на цивилизацию, подстроечных резисторов на GAIN и BIAS бы навесил, да и не мучался...  |
|
Administrator
ЕСпецовед
Сообщения: 3308
|
Значит так ....
Проблемы могут быть:
1 - в железе
2 - если NT совместая OC, в установке софта
Зря вы начали сразу с этой схемы, кстати она не проверялась другими.
Сперва, в схемах, желательно понять принцип, то есть, какие разряды порта используются и как.
Проверять, для начала, лучше на Win98. Она менее требовательна к железу.
Приатаченный софт, 100% рабочий.
Со схемами, собирайте разбирайтесь, у кого работает, у кого нет, и почему ...
Добавлено 19-12-2004 16:35
| The_NCL писал: | | Блин, Jovani! Ну, вот уж респект так респект! Случайно, совершенно в другом треде, сейчас наткнулся на упоминание (между прочим, твое!), что softjig И НЕ ДОЛЖЕН работать со всей серией Samsung GL !!! |
Нужно было дать ссылку в студию ... |
|
|
The_NCL
|
| Jovani писал: |
Зря вы начали сразу с этой схемы, кстати она не проверялась другими.
|
Hу уж звиняйте, - из имеющегося поста ну никак не следует, что самая универсальная схема, более того - схема, поставленная под номером 1 - должна восприниматься как самая стремная.
| Jovani писал: | Значит так ....
Проблемы могут быть:
1 - в железе
2 - если NT совместая OC, в установке софта
Сперва, в схемах, желательно понять принцип, то есть, какие разряды порта используются и как.
Проверять, для начала, лучше на Win98. Она менее требовательна к железу.
|
Как я imho уже писал, пробовал и под 98, и под XP с установкой драйверов. Реально, под 98 пробовалось даже на нескольких машинах.
| Цитата: | Приатаченный софт, 100% рабочий.
Со схемами, собирайте разбирайтесь, у кого работает, у кого нет, и почему ...
|
Разобраться было бы дело нехитрое - схемы-то не сказать, что хоть сколько нибудь сложны. Просто нету реального опыта, чтоб знать, чего ожидать (будь рядом такая заведомо рабочая - диагноз был бы готов через три минуты). Эпюры на приведенные в даташите похожи - а там уж, только гадать остается... Тем паче если вдруг на GL-ях работать и не должно. Как бы это узнать - ау, люди, у кого-нибудь на Samsung-GL оно когда-либо работало? Очень сложно искать черную кошку в темной комнате, особенно если ее там и нет.
| The_NCL писал: | | Блин, Jovani! Ну, вот уж респект так респект! Случайно, совершенно в другом треде, сейчас наткнулся на упоминание (между прочим, твое!), что softjig И НЕ ДОЛЖЕН работать со всей серией Samsung GL !!! |
| Jovani писал: | | Нужно было дать ссылку в студию ... |
Сейчас поискал здесь по слову softjig - отыскалась на удивление легко. Впрочем, что это был твой пост - я, как выяснилось, нагнал. В том треде ты просто хорошо посветился, а цитата - цитата принадлежит "Гостю". Вот интересно, врет этот "Гость", или как?
http://monitor.espec.ws/viewtopic.php?t=2217&highlight=softjig
... А как насчет тех двух вопросов, которые в процессе возникали (я имею в виду - необходимость 800x600x85 даже для хоть какой-то видимой реакции от программы, и про mdl-файлы)? В принципе, вопрос для меня теперь уже чисто теоретический (как подозрения возникли, я сразу линейку подстроечников соорудил, и все дела) - но все же интересно. Если бы какие-то дельные мысли возникли, я б пожалуй даже не поленился еще раз этот монитор притащить, и погонять... |
|
Administrator
ЕСпецовед
Сообщения: 3308
|
Насчет SoftJig-а многие практические моменты не выявлены, во всяком случае, мной.
Я собирал по схеме N5, заработало сразу.
Gl-ы не пытался настраивать. Не было нужды.
Да и вообще, пользовался я им всего раз пять, из которых, реально он нужен был пару раз. |
|
|
Гость
|
| тоже по схеме 5 ВСЕ СРАЗУ ПАШЕТ нужен не во всех случаях но необходим |
|
|
Roman Own
|
Схема 1 у меня работает, надо проверить изготовление. У меня Win98.
Но имеется та же проблема с 15Gle - нужен mdl. |
|
|
rezident
|
Та-а-ак. Давненько я не заглядывал в эту тему.
The_NCL, Jovani, Roman Own, с чего Вы все взяли что Samsung SoftJig будет работать со старыми мониторами Samsung G-проекта? Ничего подобного лично я не утверждал! Более того, сообщаю что мониторы G-проекта (типа 15GL, 15GLi, 17GL, 17GLi, 17GLsi и подобные им) настраиваются с помощью Microcomputer Control Jig. Это такое отдельное устройство в виде коробочки с кнопочками и LCD-дисплеем. Подключается к и питается прямо от самого монитора. Внутри схема на однокристалке. Монитор регулируется через последовательный интерфейс. Для связи используется UART однокристалки и UART микроконтроллера монитора. Однокристалка в Jig-е типа i80C51. Потребность в этом устройстве крайне мала, чтобы повторять его. Можно попробовать сэмулировать Microcomputer Control Jig какой-нибудь программой на PC, которая работает с COM-портом, но нужно либо расковырять прошивку Jig-а, либо иметь такое устройство и запускать сниффер для наблюдения за протоколом. В этом я помочь видимо не могу, т.к. у меня нет и не было Microcomputer Control Jig ибо потребность...ну и см. ранее. |
|
|
rezident
|
Jovani, пояснительный рисунок под вопросом "Как пользоваться SoftJig-ом?" сделан не совсем верно. Из него можно понять, что SoftJig к монитору подключается отдельным кабелем, а не через общий сигнальный, что не есть правильно. У мониторов Samsung, регулируемых с помощью SoftJig нет отдельного сервисного разъема.
Я бы на Вашем месте нарисовал как устройство SoftJig (Interface Board) к которому подключаются: с одной стороны - сигнальный кабель монитора, а с другой стороны - сигнальный кабель от генератора и Parallel Cable. В моем варианте схемы, кстати, так и предусмотрено - три разъема. |
|

|