| Автор | Сообщение |
|
mogaed
|
Пост отредактирован по ходу обсуждения
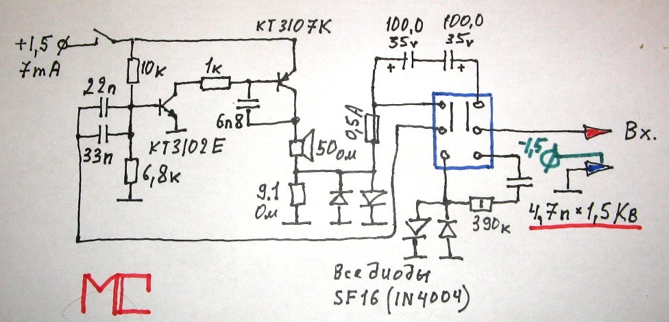
Изначально схема генерирует звуковой тон с частотой около 500Гц.
При тестировании конденсаторов(без выпаивания из схемы), если ESR менее 1ома(что считается нормой), частота генерации снижается от 500 до 100Гц пропорционально емкости от 0.1 до 1000Мкф и далее молчит.
Если ESR более 1ома, частота генерации начинает возрастать до (примерно) 5-7 кГц обратно пропорционально значению ESR.
Таким образом, если частота генерации начинает повышаться, или остается неизменной, то конденсатор (в большинстве случаев), следует заменить.
Схема так же может использоваться как звуковой пробник.
При правильно собранной схеме, подбора деталей не требуется.
Транзисторы могут быть любые с h21э более 350.

|
|
atmicandr
Мучитель микросхем
Сообщения: 5585
|
| mogaed, твоё детище? Рассказывай давай как ЕСР метр работает! Мы тут не все поняли как этот приборчик работает с индикацией на одном светодиоде, а в твоём вообще динамик стоит... |
|
|
mogaed
|
|
atmicandr
Мучитель микросхем
Сообщения: 5585
|
| mogaed, про 100мкф я нем ного не понял... Когда определяли из трёх один целый, то звук становился низкочастотным- это нормально, на 9-й минуте видеозаписи при проверке конденсатора этой же ёмкости на плате, звук также стал НЧ, но вы сказали что он плохой... Оговорка? |
|
|
mogaed
|
Да оговорка.  |
|
atmicandr
Мучитель микросхем
Сообщения: 5585
|
mogaed, у меня ощущение такое что к концу рабочей смены от писка прибора уши отвалятся... нет?  |
|
|
mogaed
|
Смею предвидеть эйфорию от быстро налаженных аппаратов. Его звук становится песней.
ДОБАВЛЕНО 11/10/2012 12:10
atmicandr, ты первый, кто это заметил. |
|
viktor_ramb
Сам себе начальник
Сообщения: 23835
|
mogaed, и как это прибор сможет отличить скажем подсевший LZ 2200,0Х10В от 1,0Х250В да ещё в схеме ? И как услышать пульсации 20 кГц ? Велосипед с квадратными колёсами!  |
|
|
mogaed
|
Элементарно Ватсон  |
|
KRAB
Распугиватель клиентов
Сообщения: 21704
|
| Ему про это уже говорили на "паяльнике" или "коте" |
|
|
mogaed
|
| KRAB, собери приборчик, попробуй его в деле. Мне твоё мнение важно. |
|
KRAB
Распугиватель клиентов
Сообщения: 21704
|
|
БУНЯ
Верный друг сайта
Сообщения: 6874
|
| mogaed, может твой прибор и хорош, если в помещении находишься один, а так напрягать всех уши не есть хорошо. И ещё, а как быть с ёмкостями, у которых ESR в норме, а ёмкость в два три раза ниже заявленной, как ёмкость определять? Ведь не все имеют муз слух. Да и бошку забивать себе, на какой ёмкости как звучать должен. |
|
|
mogaed
|
У меня слух не идеальный, по этому рядом держу заведомо исправные кондёры на 1.0; 4.7: 10.0: 22.0: 47.0: 100.0 Мкф.
Этот приборчик не заменим при ремонте на дому. Можно не брать с собой осцил. Тренировка слуха не помешает  |
|
|
mogaed
|
Есть простое решение , можно вывести минус батарейки дополнительным проводом на нижний щуп и поставить там кнопку.
Таким образом, подавать питание на схему только в момент измерения. Заодно будет экономиться батарейка.  |
|
tynalex
Фанат форума
Сообщения: 16963
|
Моё мнение -эта "х.йня" более менее нормальному мастеру никогда не потребуется, а если создать кружок школьников- радиолюбителей(3-5классов), то может быть им будет и интересно свои уши "тренировать"!  |
|
viktor_ramb
Сам себе начальник
Сообщения: 23835
|
| mogaed писал: | Есть простое решение , можно вывести минус батарейки дополнительным проводом на нижний щуп и поставить там кнопку.
Таким образом, подавать питание на схему только в момент измерения. Заодно будет экономиться батарейка.  |
Нафига? Азбуку Морзе уже практически никто не изучает!  |
|
|
mogaed
|
| tynalex писал: | Моё мнение -эта "х.йня" более менее нормальному мастеру никогда не потребуется, а если создать кружок школьников- радиолюбителей(3-5классов), то может быть им будет и интересно свои уши "тренировать"!  |
Это тот случай, когда огромный теоретический и практический объём знаий, мешает разрабатывать простейшие устройства.  |
|
Rostyk.07
Передовик
Сообщения: 2302
|
А не лучше собрать ESR от GO на пике?
Меня бесит звук ослика а это нахер
БУНЯ, KRAB, правы! |
|
|
mogaed
|
Проблема устранена. Введён включатель питания на щупе.
Теперь он не будет досаждать постоянным писком.
Его положительные качества остались:
- диагностика ESR и ёмкости конденсаторов
- проверка ТПИ, ТДКС, Др и т.п. на шитьё и витковое замыкание
- проверка p-n переходов на короткое замыкание
- наличие переменных сигналов звуковой частоты в цепях от 0.1 - 1500 вольт.
- скорость поиска дефектов.
- тренировка слуха
"А не лучше собрать ESR от GO на пике?" - можно ссылку? 
Фото 010.jpg 166.44 КБ Скачано: 3926 раз(а)
|
|