| Автор | Сообщение |
shel
Завсегдатай
Сообщения: 491
|
Шасси -HD_T7050H_V1.3A
CPU- SPV7050P (под радиатором)
EEPROM 24C32
Flash EN25T80(на панельке)
TDA9886TS, YD1517P, 4558
В режиме видео звук есть.TDA9886TS менял,система DK включена.На 8 ноге TDA9886TS сигнал звука есть.
Тел отдали с диагнозом -не включается.
Проблему устранил.Хотя до устранения снимал 24с32-прошивку снял.и потом отвлёкся и включил телик без неё,может из-за этого.Но вообще был ли звук.говорят что был,хотя каналы были не настроены-видики смотрели.
В сервисе DK включен.
Ещё есть настройки EEPROM
Как-то раз звук проскочил когда из сервиса вышел
Цепочку SIF проверял
Чистую память подкидывал.
Запутался-схема не сходиться

|
|
semvictor
Фанат форума
Сообщения: 3099
|
Скорее всего постоянно активна mute.Есть такая байда у некот. моделей Supra.А твой мэйн там же делали.
Screen 2012.5.12 21-14-29.0.jpg 54.26 КБ Скачано: 2168 раз(а)
|
|
semvictor
Фанат форума
Сообщения: 3099
|
| shel писал: | | до устранения снимал 24с32-прошивку снял.и потом отвлёкся и включил телик без неё,может из-за этого. | А до этого чем вообще занимался? |
|
semvictor
Фанат форума
Сообщения: 3099
|
| Автор,где ты?Что-нибудь делаешь?Пора уже появиться! |
|
|
Владимир Жуков
|
Лежит очень похожая плата. Supra (модель не помню). Поначалу просто пропадал звук. Потом неисправность прогрессировала, стало пропадать напрочь управление. К тому моменту как я туда влез он работал всего секунд 30, и зависал с характерными щелчками. Оказалось, в момент этих "щелчков" (в динамиках) что-то коротит 1.9 В. Почти до нуля. При этом греется стабилизатор, диоды, и как утюг калится проц. После тщетных попыток купить плату оторвал радиатор от проца, чтобы почитать название. SPV7050P. Теперь ищу проц. Но что-то мне подсказывает, что его купить тоже проблемно.  |
|
Transformator
Завсегдатай
Сообщения: 864
|
SPV7050P у поставщиков есть и ценник символический.Надо делать запрос если нужно.
в принципе приобрести можно. |
|
semvictor
Фанат форума
Сообщения: 3099
|
| Проблемно купить хороший проц,а греются они все прилично.Поэтому производитель ставит радиатор. |
|
|
Владимир Жуков
|
В воскресенье поеду забирать на Митино. 500 р. ему цена. Если заработает (должен, по идее, если рабочий) - то надо лепить радиатор побольше. |
|
Transformator
Завсегдатай
Сообщения: 864
|
можно и по 100 рублей если не одну штуку.
Только сроки..... |
|
semvictor
Фанат форума
Сообщения: 3099
|
| Владимир Жуков писал: | | надо лепить радиатор побольше. | Да не в размере радиатора дело-то.Качество процев решает все. |
|
Nik_Al
Старый таёжник
Сообщения: 34318
|
| Цитата: | | Лежит очень похожая плата. Supra (модель не помню). Поначалу просто пропадал звук. Потом неисправность прогрессировала, стало пропадать напрочь управление. К тому моменту как я туда влез он работал всего секунд 30, и зависал с характерными щелчками. Оказалось, в момент этих "щелчков" (в динамиках) что-то коротит 1.9 В. |
Есть Такое у Супр, и довольно часто, но не всегда это связано с выходом из строя проца. http://monitor.espec.ws/section31/topic122783p60.html |
|
|
Владимир Жуков
|
| Nik_Al, диоды у меня точно не при чём, садится в ноль напряжение 1.9 периодически, и всё калится, как утюг. |
|
shel
Завсегдатай
Сообщения: 491
|
форс мажор-с понедельника начну продолжать  |
|
semvictor
Фанат форума
Сообщения: 3099
|
| Nik_Al писал: | | Цитата: | | Лежит очень похожая плата. Supra (модель не помню). Поначалу просто пропадал звук. Потом неисправность прогрессировала, стало пропадать напрочь управление. К тому моменту как я туда влез он работал всего секунд 30, и зависал с характерными щелчками. Оказалось, в момент этих "щелчков" (в динамиках) что-то коротит 1.9 В. |
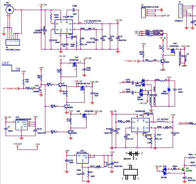
Есть Такое у Супр, и довольно часто, но не всегда это связано с выходом из строя проца. http://monitor.espec.ws/section31/topic122783p60.html | Что ты имел в виду?Я бы прочесал обвязку U15(или замена).
Screen 2012.5.19 21-8-53.1.jpg 75.01 КБ Скачано: 1320 раз(а)
|
|
|
Владимир Жуков
|
| semvictor, куда еще, кроме проца, идёт 1.8 вольт? |
|
semvictor
Фанат форума
Сообщения: 3099
|
Никуда!
ДОБАВЛЕНО 19/05/2012 22:35
shel ? Тут за тебя решают проблемы,я ты? |
|
|
Владимир Жуков
|
| semvictor, значит я правильный вывод делаю - пробит только проц. Больше просто нечему. |
|
shel
Завсегдатай
Сообщения: 491
|
я пока сделал так-с TDA9886TS-8 нога+кондёр+переменник+с 51 ноги проца оключить резюк через него звук на унч и звук есть и муте работает
тока надо если AV вкючать сначало поставить канал где нет сигнала.правда не стерео и в в tv нет регулировки звука.
правда не то и на время.  |
|
Nik_Al
Старый таёжник
Сообщения: 34318
|
| Владимир Жуков писал: | | semvictor, значит я правильный вывод делаю - пробит только проц. Больше просто нечему. |
Если проц калится и садит напряжение.. тогда ДА. |
|
semvictor
Фанат форума
Сообщения: 3099
|
| shel писал: | я пока сделал так-с TDA9886TS-8 нога+кондёр+переменник+с 51 ноги проца оключить резюк через него звук на унч и звук есть и муте работает
тока надо если AV вкючать сначало поставить канал где нет сигнала.правда не стерео и в в tv нет регулировки звука.
правда не то и на время.  | Переведи-непонятно,думаю,никому.Даже самому...Схемы нет что ли???Я тебе давал скрин-изучал?
ДОБАВЛЕНО 19/05/2012 23:08
| Nik_Al писал: | | Владимир Жуков писал: | | semvictor, значит я правильный вывод делаю - пробит только проц. Больше просто нечему. |
Если проц калится и садит напряжение.. тогда ДА. | Ничего не добавить! |
|