ESpec - мир электроники для профессионалов


Panasonic TH-42PA50E помогите определить м/с

  Список форумов » LCD-телевизоры и плазменные панели

Следующая тема · Предыдущая тема
АвторСообщение
Бермудский 
Участник
Сообщения: 267
 
Сообщение #1 От 15/03/2013 13:28 цитата  

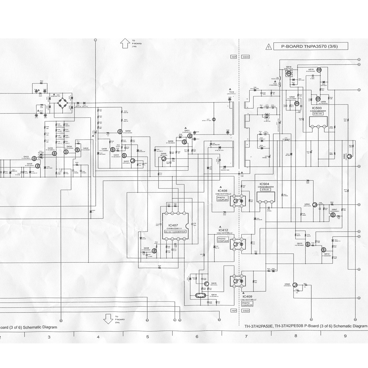
Плазма Panasonic TH-42PA50E. Помогите определить м/с IC407 шим в БП.
На схеме указан только код.

222.jpg
 Описание:
 Размер файла:  658.07 КБ
 Просмотрено:  471 раз(а)

222.jpg


Borek 
Старший модератор
<B>Старший модератор</B>
Сообщения: 12838
Borek
 
Сообщение #2 От 15/03/2013 14:07 цитата  

Бермудский, темку дооформи!

Перейти: 
Следующая тема · Предыдущая тема
Показать/скрыть Ваши права в разделе

Интересное от ESpec


Другие темы раздела LCD-телевизоры и плазменные панели



Rambler's Top100 Рейтинг@Mail.ru liveinternet.ru